Запчасти Komatsu D155A-6 РЫХЛИТЕЛЬ (ДЛЯ ГИГАНТСК. РЫХЛИТ)(№8-) РАБОЧЕЕ ОБОРУДОВАНИЕ

Схема запчастей Komatsu D155A-6 - РЫХЛИТЕЛЬ (ДЛЯ ГИГАНТСК. РЫХЛИТ)(№8-) РАБОЧЕЕ ОБОРУДОВАНИЕ
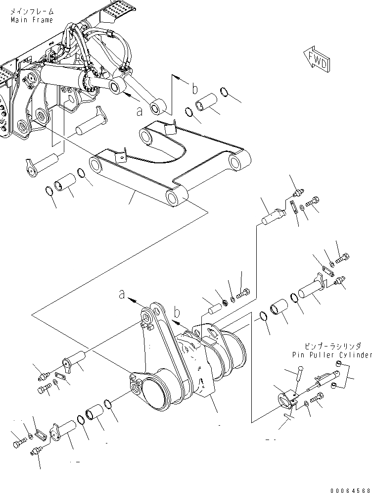
1
2
2
3
3
4
4
4
4
4
4
4
4
5
6
6
7
7
8
8
9
9
10
10
11
11
12
12
13
14
15
15
15
15
16
17
18
19
20
21
22
23
24
25
FIT
1:1
100%

Артикул

Название

Примечание

Количество

1

17A-78-47211

ARM

SN: 85002-UP

1шт.

1

0

ARM

SN: 85001-85001

1шт.

2

17A-78-44210

BUSHING

SN: 85001-UP

2шт.

3

175-78-61271

BUSHING

SN: 85001-UP

2шт.

4

175-78-61281

SEAL

SN: 85001-UP

8шт.

5

17A-79-43111

BEAM

SN: 85001-UP

1шт.

6

205-70-61560

PLATE

SN: 85001-UP

2шт.

7

01010-82040

BOLT

SN: 85001-UP

4шт.

8

01643-32060

WASHER

SN: 85001-UP

4шт.

9

17A-78-43130

BRACKET

SN: 85001-UP

2шт.

10

01010-82040

BOLT

SN: 85001-UP

4шт.

11

01643-32060

WASHER

SN: 85001-UP

4шт.

12

17A-78-44120

PIN

SN: 85001-UP

2шт.

13

17A-78-44150

PIN

SN: 85001-UP

1шт.

14

17A-78-44180

PIN

SN: 85001-UP

1шт.

15

07020-00000

FITTING,GREASE

SN: 85001-UP

4шт.

16

15A-79-12110

PIN

SN: 85001-UP

1шт.

17

175-79-61160

PLATE

SN: 85001-UP

2шт.

18

01010-81030

BOLT

SN: 85001-UP

4шт.

19

01643-51032

WASHER

SN: 85001-UP

4шт.

20

17A-79-43210

BRACKET

SN: 85001-UP

1шт.

21

01010-81245

BOLT

SN: 85001-UP

4шт.

22

01643-31232

WASHER

SN: 85001-UP

4шт.

23

195-79-52130

PIN

SN: 85001-UP

1шт.

24

195-79-52110

COLLAR

SN: 85001-UP

2шт.

25

04050-16040

PIN

SN: 85001-UP

1шт.

Выбрано товаров: 26