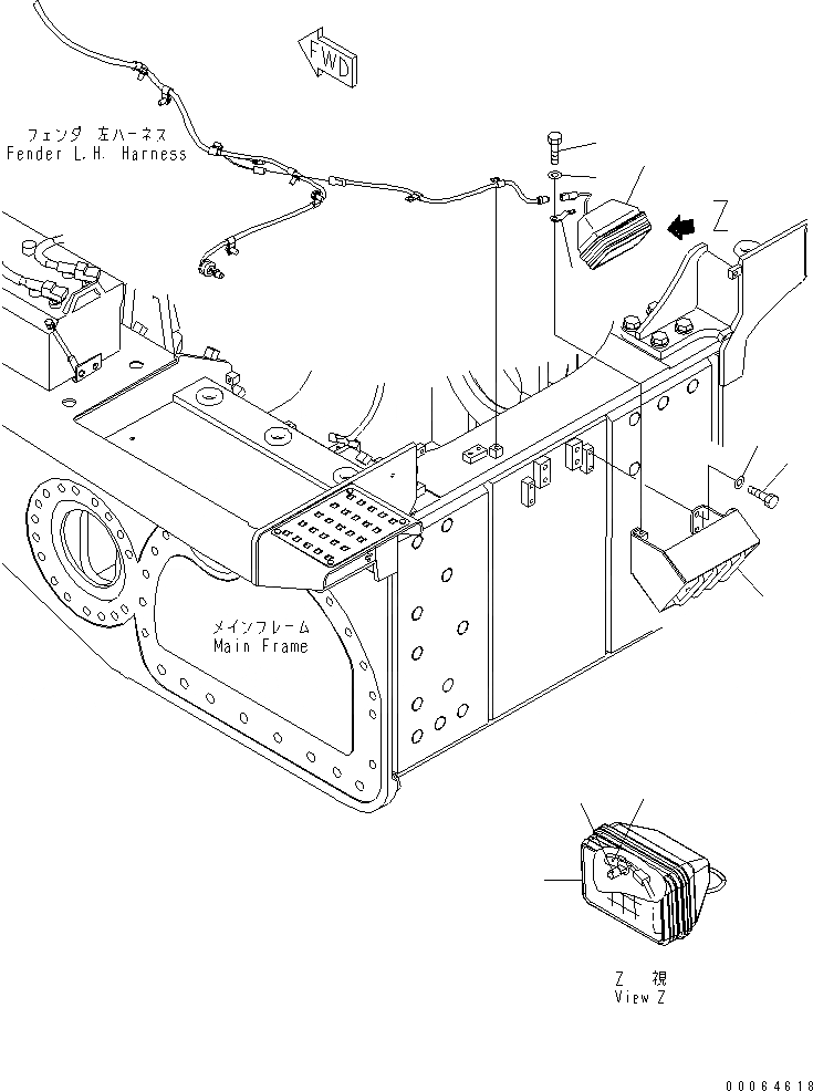
Запчасти Komatsu D155A-6 ОСВЕЩЕНИЕ(№8-) РАБОЧЕЕ ОБОРУДОВАНИЕ

Схема запчастей Komatsu D155A-6 - ОСВЕЩЕНИЕ(№8-) РАБОЧЕЕ ОБОРУДОВАНИЕ
1
2
3
4
4
5
5
6
7
8
9
FIT
1:1
100%

Артикул

Название

Примечание

Количество

1

17A-06-43790

COVER

SN: 85001-UP

1шт.

2

01010-81230

BOLT

SN: 85001-UP

4шт.

3

01643-31232

WASHER

SN: 85001-UP

4шт.

4

17A-06-17931

LAMP ASS'Y

SN: 85001-UP

1шт.

5

08192-12830

CONNECTOR

SN: 85001-UP

1шт.

5

17A-06-17970

BULB, 70W

SN: 85001-UP

1шт.

6

17A-06-17980

SLEEVE

SN: 85001-UP

1шт.

7

08193-21012

CLIP

SN: 85001-UP

1шт.

8

01010-81230

BOLT

SN: 85001-UP

1шт.

9

01643-31232

WASHER

SN: 85001-UP

1шт.

Выбрано товаров: 10