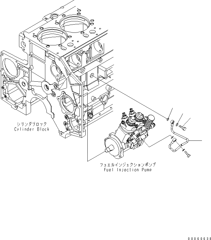
Запчасти Komatsu SAA6D140E-5GR-W ТОПЛИВН. НАСОС СМАЗКА ДВИГАТЕЛЬ

Схема запчастей Komatsu SAA6D140E-5GR-W - ТОПЛИВН. НАСОС СМАЗКА ДВИГАТЕЛЬ
1
2
2
3
1
2
2
3
FIT
1:1
100%

Артикул

Название

Примечание

Количество

1

6261-51-7110

TUBE,SUPPLY

SN: 630001-UP

1шт.

2

07005-01012

GASKET

SN: 630001-UP

2шт.

3

6934-72-7190

BOLT,JOINT

SN: 630001-UP

1шт.

1

6261-51-7110

TUBE,SUPPLY

SN: 630001-UP

1шт.

2

07005-01012

GASKET

SN: 630001-UP

2шт.

3

6934-72-7190

BOLT,JOINT

SN: 630001-UP

1шт.

Выбрано товаров: 6