Запчасти Komatsu SAA6D140E-5GR-W ТРУБОПРОВОД ВПУСКА ВОЗДУХА И СОЕДИН-Е(№-) ДВИГАТЕЛЬ

Схема запчастей Komatsu SAA6D140E-5GR-W - ТРУБОПРОВОД ВПУСКА ВОЗДУХА И СОЕДИН-Е(№-) ДВИГАТЕЛЬ
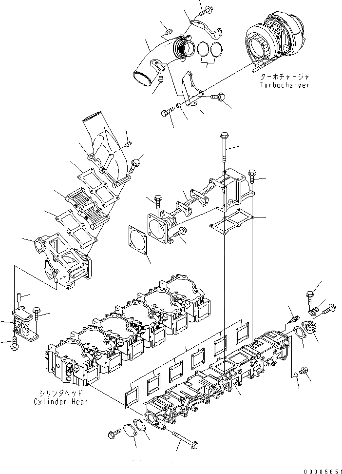
1
2
3
4
5
5
6
7
8
9
10
11
12
13
14
15
16
17
18
19
20
21
22
23
24
25
26
27
28
29
29
30
31
31
32
32
33
34
35
36
1
2
3
4
5
5
6
7
8
9
10
11
12
13
14
15
16
17
18
19
20
21
22
23
24
25
26
27
28
29
29
30
31
31
32
32
33
34
35
36
FIT
1:1
100%

Артикул

Название

Примечание

Количество

1

6210-11-4811

GASKET

SN: 630014-UP

6шт.

2

6261-11-4110

MANIFOLD,AIR INTAKE

SN: 630014-UP

1шт.

3

01436-01070

BOLT

SN: 630412-UP

22шт.

3

01436-01070

BOLT

SN: 630014-630411

24шт.

4

600-815-4280

HEATER,RIBBON

SN: 630014-UP

1шт.

5

6211-11-4821

GASKET

SN: 630014-UP

2шт.

6

6261-11-4310

CONNECTOR

SN: 630014-UP

1шт.

7

01435-01070

BOLT

SN: 630014-UP

5шт.

8

07042-A0108

PLUG

SN: 630014-UP

1шт.

9

6261-11-7210

HOUSING,JUNCTION

SN: 630014-UP

1шт.

10

6261-11-7220

BRACKET

SN: 630014-UP

1шт.

11

01435-01025

BOLT

SN: 630014-UP

4шт.

12

01435-01030

BOLT

SN: 630014-UP

4шт.

13

04020-00820

PIN,DOWEL

SN: 630014-UP

2шт.

14

6211-11-4821

GASKET

SN: 630014-UP

1шт.

15

6261-11-7410

CONNECTOR

SN: 630014-UP

1шт.

16

6261-11-7450

GASKET

SN: 630014-UP

1шт.

17

01435-01030

BOLT

SN: 630014-UP

2шт.

18

01435-01035

BOLT

SN: 630014-UP

2шт.

19

01435-01235

BOLT

SN: 630014-UP

4шт.

20

01436-01080

BOLT

SN: 630209-UP

2шт.

20

01436-01080

BOLT

SN: 630014-630208

4шт.

21

6261-81-2700

SENSOR ASS'Y,BOOST PRESSURE

SN: 630014-UP

1шт.

21

6261-81-2710

SENSOR

SN: 630011-UP

1шт.

21

6261-81-2720

O-RING

SN: 630014-UP

1шт.

22

01435-00616

BOLT

SN: 630014-UP

2шт.

23

6560-61-7300

SENSOR ASS'Y,INTAKE AIR TEMPERATURE

SN: 630014-UP

1шт.

23

6560-61-7310

SENSOR

SN: 630014-UP

1шт.

23

6735-21-1930

O-RING

SN: 630014-UP

1шт.

24

6261-11-4420

CONNECTOR

SN: 630014-UP

1шт.

25

6631-11-5630

SPACER

SN: 630014-UP

3шт.

26

6261-11-4551

BRACKET

SN: 630014-UP

1шт.

27

6261-11-4460

BRACKET

SN: 630014-UP

1шт.

28

01020-11040

BOLT

SN: 630014-UP

3шт.

29

01435-01030

BOLT

SN: 630014-UP

6шт.

30

02895-77075

O-RING

SN: 630014-UP

2шт.

31

07042-A0108

PLUG

SN: 630014-UP

2шт.

32

6212-61-6662

GASKET

SN: 630014-UP

2шт.

33

6215-61-6670

PLATE

SN: 630014-UP

1шт.

34

6261-11-4160

BLOCK

SN: 630014-UP

1шт.

35

07040-11409

PLUG

SN: 630014-UP

1шт.

36

07002-21423

O-RING

SN: 630014-UP

1шт.

1

6210-11-4811

GASKET

SN: 630014-UP

6шт.

2

6261-11-4110

MANIFOLD,AIR INTAKE

SN: 630014-UP

1шт.

3

01436-01070

BOLT

SN: 630412-UP

22шт.

3

01436-01070

BOLT

SN: 630014-630411

24шт.

4

600-815-4280

HEATER,RIBBON

SN: 630014-UP

1шт.

5

6211-11-4821

GASKET

SN: 630014-UP

2шт.

6

6261-11-4310

CONNECTOR

SN: 630014-UP

1шт.

7

01435-01070

BOLT

SN: 630014-UP

5шт.

8

07042-A0108

PLUG

SN: 630014-UP

1шт.

9

6261-11-7210

HOUSING,JUNCTION

SN: 630014-UP

1шт.

10

6261-11-7220

BRACKET

SN: 630014-UP

1шт.

11

01435-01025

BOLT

SN: 630014-UP

4шт.

12

01435-01030

BOLT

SN: 630014-UP

4шт.

13

04020-00820

PIN,DOWEL

SN: 630014-UP

2шт.

14

6211-11-4821

GASKET

SN: 630014-UP

1шт.

15

6261-11-7410

CONNECTOR

SN: 630014-UP

1шт.

16

6261-11-7450

GASKET

SN: 630014-UP

1шт.

17

01435-01030

BOLT

SN: 630014-UP

2шт.

18

01435-01035

BOLT

SN: 630014-UP

2шт.

19

01435-01235

BOLT

SN: 630014-UP

4шт.

20

01436-01080

BOLT

SN: 630209-UP

2шт.

20

01436-01080

BOLT

SN: 630014-630208

4шт.

21

6261-81-2700

SENSOR ASS'Y,BOOST PRESSURE

SN: 630014-UP

1шт.

21

6261-81-2710

SENSOR

SN: 630011-UP

1шт.

21

6261-81-2720

O-RING

SN: 630014-UP

1шт.

22

01435-00616

BOLT

SN: 630014-UP

2шт.

23

6560-61-7300

SENSOR ASS'Y,INTAKE AIR TEMPERATURE

SN: 630014-UP

1шт.

23

6560-61-7310

SENSOR

SN: 630014-UP

1шт.

23

6735-21-1930

O-RING

SN: 630014-UP

1шт.

24

6261-11-4420

CONNECTOR

SN: 630014-UP

1шт.

25

6631-11-5630

SPACER

SN: 630014-UP

3шт.

26

6261-11-4551

BRACKET

SN: 630014-UP

1шт.

27

6261-11-4460

BRACKET

SN: 630014-UP

1шт.

28

01020-11040

BOLT

SN: 630014-UP

3шт.

29

01435-01030

BOLT

SN: 630014-UP

6шт.

30

02895-77075

O-RING

SN: 630014-UP

2шт.

31

07042-A0108

PLUG

SN: 630014-UP

2шт.

32

6212-61-6662

GASKET

SN: 630014-UP

2шт.

33

6215-61-6670

PLATE

SN: 630014-UP

1шт.

34

6261-11-4160

BLOCK

SN: 630014-UP

1шт.

35

07040-11409

PLUG

SN: 630014-UP

1шт.

36

07002-21423

O-RING

SN: 630014-UP

1шт.

Выбрано товаров: 84