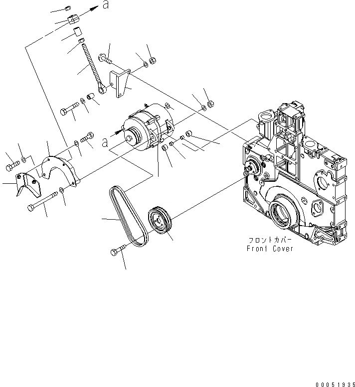
Запчасти Komatsu SAA6D140E-5GR-W КРЕПЛЕНИЕ ГЕНЕРАТОРА (A И A) (ЗАПЫЛЕНН СПЕЦ-Я.)(№-) ДВИГАТЕЛЬ

Схема запчастей Komatsu SAA6D140E-5GR-W - КРЕПЛЕНИЕ ГЕНЕРАТОРА (A И A) (ЗАПЫЛЕНН СПЕЦ-Я.)(№-) ДВИГАТЕЛЬ
1
2
3
4
5
5
6
6
7
8
9
10
11
12
13
14
14
15
16
16
17
18
19
20
21
22
23
24
25
26
27
1
2
3
4
5
5
6
6
7
8
9
10
11
12
13
14
14
15
16
16
17
18
19
20
21
22
23
24
25
26
27
FIT
1:1
100%

Артикул

Название

Примечание

Количество

1

600-825-6270

ALTERNATOR A. (60A),(SEE FIG.A6010-B4N6)

SN: 630014-@

1шт.

2

600-815-9980

WASHER,TERMINAL

SN: 630014-@

1шт.

3

6210-81-6490

BOLT

SN: 630014-@

1шт.

4

01582-01210

NUT

SN: 630014-@

1шт.

5

01643-31232

WASHER

SN: 630014-@

2шт.

6

6210-61-6530

PIN

SN: 630014-@

2шт.

7

6210-81-6750

SPACER

SN: 630014-@

1шт.

8

6217-81-6550

SPACER

SN: 630014-@

1шт.

9

6240-81-8611

ROD,ADJUSTING

SN: 630014-@

1шт.

10

6261-81-8340

PLATE

SN: 630014-@

1шт.

11

6215-81-6150

PIN

SN: 630014-@

1шт.

12

01010-81260

BOLT

SN: 630014-630411

1шт.

13

01580-11210

NUT

SN: 630014-@

1шт.

14

01643-31232

WASHER

SN: 630014-630411

2шт.

15

6261-81-8350

SPACER

SN: 630014-@

1шт.

16

01580-11613

NUT

SN: 630014-@

2шт.

17

6210-82-6570

BRACKET

SN: 630014-@

1шт.

18

01435-01025

BOLT

SN: 630014-@

2шт.

19

01050-51260

BOLT

SN: 630014-@

1шт.

20

01643-31232

WASHER

SN: 630014-@

1шт.

21

6261-81-6460

COVER,SAFETY

SN: 630014-630411

1шт.

22

6210-81-6361

COVER,SAFETY

SN: 630014-630411

1шт.

23

01050-51020

BOLT

SN: 630014-630411

2шт.

24

01640-21016

WASHER

SN: 630014-630411

2шт.

25

6210-81-6960

V-BELT SET

SN: 630014-630411

1шт.

26

6210-82-6840

PULLEY, HARDENING

SN: 630014-@

1шт.

27

01010-80820

BOLT

SN: 630014-@

3шт.

1

600-825-6270

ALTERNATOR A. (60A),(SEE FIG.A6010-B4N6)

SN: 630014-@

1шт.

2

600-815-9980

WASHER,TERMINAL

SN: 630014-@

1шт.

3

6210-81-6490

BOLT

SN: 630014-@

1шт.

4

01582-01210

NUT

SN: 630014-@

1шт.

5

01643-31232

WASHER

SN: 630014-@

2шт.

6

6210-61-6530

PIN

SN: 630014-@

2шт.

7

6210-81-6750

SPACER

SN: 630014-@

1шт.

8

6217-81-6550

SPACER

SN: 630014-@

1шт.

9

6240-81-8611

ROD,ADJUSTING

SN: 630014-@

1шт.

10

6261-81-8340

PLATE

SN: 630014-@

1шт.

11

6215-81-6150

PIN

SN: 630014-@

1шт.

12

01010-81260

BOLT

SN: 630014-630411

1шт.

13

01580-11210

NUT

SN: 630014-@

1шт.

14

01643-31232

WASHER

SN: 630014-630411

2шт.

15

6261-81-8350

SPACER

SN: 630014-@

1шт.

16

01580-11613

NUT

SN: 630014-@

2шт.

17

6210-82-6570

BRACKET

SN: 630014-@

1шт.

18

01435-01025

BOLT

SN: 630014-@

2шт.

19

01050-51260

BOLT

SN: 630014-@

1шт.

20

01643-31232

WASHER

SN: 630014-@

1шт.

21

6261-81-6460

COVER,SAFETY

SN: 630014-630411

1шт.

22

6210-81-6361

COVER,SAFETY

SN: 630014-630411

1шт.

23

01050-51020

BOLT

SN: 630014-630411

2шт.

24

01640-21016

WASHER

SN: 630014-630411

2шт.

25

6210-81-6960

V-BELT SET

SN: 630014-630411

1шт.

26

6210-82-6840

PULLEY, HARDENING

SN: 630014-@

1шт.

27

01010-80820

BOLT

SN: 630014-@

3шт.

Выбрано товаров: 54