Запчасти Komatsu SAA6D140E-5GR-W ЭЛЕКТР. ЭЛЕКТРОПРОВОДКА (/)(№-) ДВИГАТЕЛЬ

Схема запчастей Komatsu SAA6D140E-5GR-W - ЭЛЕКТР. ЭЛЕКТРОПРОВОДКА (/)(№-) ДВИГАТЕЛЬ
1
2
3
4
5
5
6
7
8
9
10
10
11
12
13
14
15
16
17
17
18
19
20
21
22
23
24
25
26
27
28
29
30
31
32
33
34
35
36
37
38
39
40
41
42
43
1
2
3
4
5
5
6
7
8
9
10
10
11
12
13
14
15
16
17
17
18
19
20
21
22
23
24
25
26
27
28
29
30
31
32
33
34
35
36
37
38
39
40
41
42
43
FIT
1:1
100%

Артикул

Название

Примечание

Количество

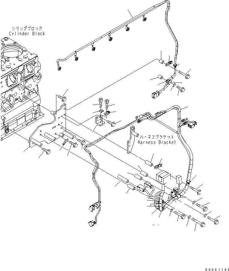
1

6261-81-8120

WIRING HARNESS

SN: 630006-UP

1шт.

2

6261-81-6120

WIRE HARNESS

SN: 630006-UP

1шт.

3

6261-81-8920

BRACKET

SN: 630006-UP

1шт.

4

01435-01025

BOLT

SN: 630006-UP

1шт.

5

01435-01045

BOLT

SN: 630006-UP

2шт.

6

6261-81-1380

BRACKET

SN: 630006-UP

1шт.

7

01435-01020

BOLT

SN: 630006-UP

2шт.

8

6261-81-2600

SENSOR

SN: 630006-UP

1шт.

9

6251-81-9680

PLATE

SN: 630006-UP

1шт.

10

01252-60516

BOLT

SN: 630006-UP

2шт.

11

195-01-16420

COLLAR

SN: 630006-UP

1шт.

12

600-051-2180

CLIP

SN: 630006-UP

1шт.

13

600-051-2080

CLIP

SN: 630006-UP

1шт.

14

01643-31032

WASHER

SN: 630006-UP

1шт.

15

01436-01015

BOLT

SN: 630006-UP

1шт.

16

6164-91-6290

SPACER

SN: 630006-UP

1шт.

17

600-051-2100

CLIP

SN: 630006-UP

2шт.

18

01643-31032

WASHER

SN: 630006-UP

1шт.

19

01435-01075

BOLT

SN: 630006-UP

1шт.

20

6218-81-8490

BAND

SN: 630006-UP

1шт.

21

144-874-7470

BOSS

SN: 630006-UP

1шт.

22

600-051-2100

CLIP

SN: 630006-UP

2шт.

23

01643-31032

WASHER

SN: 630006-UP

1шт.

24

01435-01045

BOLT

SN: 630006-UP

1шт.

25

6164-91-6290

SPACER

SN: 630006-UP

1шт.

26

01435-01075

BOLT

SN: 630006-UP

1шт.

27

01643-31032

WASHER

SN: 630006-UP

1шт.

28

600-051-2080

CLIP

SN: 630006-UP

1шт.

29

600-051-2180

CLIP

SN: 630006-UP

1шт.

30

01435-01080

BOLT

SN: 630006-UP

1шт.

31

6164-91-6290

SPACER

SN: 630006-UP

1шт.

32

6218-81-8440

CLAMP

SN: 630006-UP

1шт.

33

6218-81-8490

BAND

SN: 630006-UP

1шт.

34

01435-01085

BOLT

SN: 630006-UP

1шт.

35

144-874-7470

BOSS

SN: 630006-UP

1шт.

36

6218-81-8430

CLAMP

SN: 630006-UP

1шт.

37

6218-81-8490

BAND

SN: 630006-UP

1шт.

38

6164-91-6290

SPACER

SN: 630006-UP

1шт.

39

01435-01075

BOLT

SN: 630006-UP

1шт.

40

01643-31032

WASHER

SN: 630006-UP

1шт.

41

600-051-2080

CLIP

SN: 630006-UP

1шт.

42

08193-20010

CLIP

SN: 630006-UP

1шт.

43

01435-01016

BOLT

SN: 630006-UP

1шт.

1

6261-81-8120

WIRING HARNESS

SN: 630006-UP

1шт.

2

6261-81-6120

WIRE HARNESS

SN: 630006-UP

1шт.

3

6261-81-8920

BRACKET

SN: 630006-UP

1шт.

4

01435-01025

BOLT

SN: 630006-UP

1шт.

5

01435-01045

BOLT

SN: 630006-UP

2шт.

6

6261-81-1380

BRACKET

SN: 630006-UP

1шт.

7

01435-01020

BOLT

SN: 630006-UP

2шт.

8

6261-81-2600

SENSOR

SN: 630006-UP

1шт.

9

6251-81-9680

PLATE

SN: 630006-UP

1шт.

10

01252-60516

BOLT

SN: 630006-UP

2шт.

11

195-01-16420

COLLAR

SN: 630006-UP

1шт.

12

600-051-2180

CLIP

SN: 630006-UP

1шт.

13

600-051-2080

CLIP

SN: 630006-UP

1шт.

14

01643-31032

WASHER

SN: 630006-UP

1шт.

15

01436-01015

BOLT

SN: 630006-UP

1шт.

16

6164-91-6290

SPACER

SN: 630006-UP

1шт.

17

600-051-2100

CLIP

SN: 630006-UP

2шт.

18

01643-31032

WASHER

SN: 630006-UP

1шт.

19

01435-01075

BOLT

SN: 630006-UP

1шт.

20

6218-81-8490

BAND

SN: 630006-UP

1шт.

21

144-874-7470

BOSS

SN: 630006-UP

1шт.

22

600-051-2100

CLIP

SN: 630006-UP

2шт.

23

01643-31032

WASHER

SN: 630006-UP

1шт.

24

01435-01045

BOLT

SN: 630006-UP

1шт.

25

6164-91-6290

SPACER

SN: 630006-UP

1шт.

26

01435-01075

BOLT

SN: 630006-UP

1шт.

27

01643-31032

WASHER

SN: 630006-UP

1шт.

28

600-051-2080

CLIP

SN: 630006-UP

1шт.

29

600-051-2180

CLIP

SN: 630006-UP

1шт.

30

01435-01080

BOLT

SN: 630006-UP

1шт.

31

6164-91-6290

SPACER

SN: 630006-UP

1шт.

32

6218-81-8440

CLAMP

SN: 630006-UP

1шт.

33

6218-81-8490

BAND

SN: 630006-UP

1шт.

34

01435-01085

BOLT

SN: 630006-UP

1шт.

35

144-874-7470

BOSS

SN: 630006-UP

1шт.

36

6218-81-8430

CLAMP

SN: 630006-UP

1шт.

37

6218-81-8490

BAND

SN: 630006-UP

1шт.

38

6164-91-6290

SPACER

SN: 630006-UP

1шт.

39

01435-01075

BOLT

SN: 630006-UP

1шт.

40

01643-31032

WASHER

SN: 630006-UP

1шт.

41

600-051-2080

CLIP

SN: 630006-UP

1шт.

42

08193-20010

CLIP

SN: 630006-UP

1шт.

43

01435-01016

BOLT

SN: 630006-UP

1шт.

Выбрано товаров: 86