Запчасти Komatsu D155A-6R ПЕРЕДН. ЛАМПА РАБОЧ. ОСВЕЩЕНИЯ (№877-) ПЕРЕДН. ЛАМПА РАБОЧ. ОСВЕЩЕНИЯ, ДЛЯ ДОПОЛН. ПЕРЕДН. ЛАМПА РАБОЧ. ОСВЕЩЕНИЯ

Схема запчастей Komatsu D155A-6R - ПЕРЕДН. ЛАМПА РАБОЧ. ОСВЕЩЕНИЯ (№877-) ПЕРЕДН. ЛАМПА РАБОЧ. ОСВЕЩЕНИЯ, ДЛЯ ДОПОЛН. ПЕРЕДН. ЛАМПА РАБОЧ. ОСВЕЩЕНИЯ
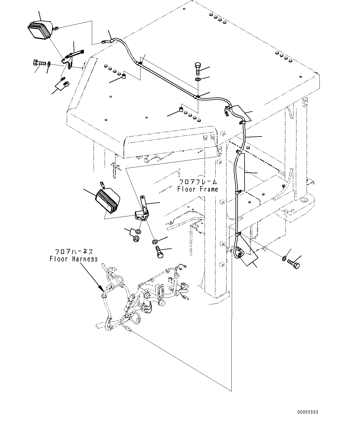
1
2
3
6
2
14
15
13
12
12
13
7
8
9
9
9
9
11
10
5
4
2
2
FIT
1:1
100%

Артикул

Название

Примечание

Количество

1

17A-06-43390

Wiring Harness

SN: 85077-UP

1шт.

2

17A-06-17931

Lamp

SN: 85077-UP

2шт.

|$2

17A-06-17970

Bulb, 70watt

SN: 85077-UP

1шт.

|$3

17A-06-17980

Sleeve

SN: 85077-UP

1шт.

3

17A-979-1880

Bracket

SN: 85077-UP

1шт.

4

01010-81225

Bolt

SN: 85077-UP

2шт.

5

01643-31232

Washer

SN: 85077-UP

2шт.

6

17A-979-1890

Bracket

SN: 85077-UP

1шт.

7

01010-81225

Bolt

SN: 85077-UP

2шт.

8

01643-31232

Washer

SN: 85077-UP

2шт.

9

04434-51412

Clip

SN: 85077-UP

7шт.

10

01010-81225

Bolt

SN: 85077-UP

7шт.

11

01643-31232

Washer

SN: 85077-UP

7шт.

12

04434-51412

Clip

SN: 85077-UP

2шт.

13

195-33-11220

Spacer

SN: 85077-UP

2шт.

14

01010-81255

Bolt

SN: 85077-UP

2шт.

15

01643-31232

Washer

SN: 85077-UP

2шт.

Выбрано товаров: 0