Запчасти Komatsu D155A-6R СИЛОВАЯ ПЕРЕДАЧА, КЛАПАН КРЫШКА(№877-) СИЛОВАЯ ПЕРЕДАЧА

Схема запчастей Komatsu D155A-6R - СИЛОВАЯ ПЕРЕДАЧА, КЛАПАН КРЫШКА(№877-) СИЛОВАЯ ПЕРЕДАЧА
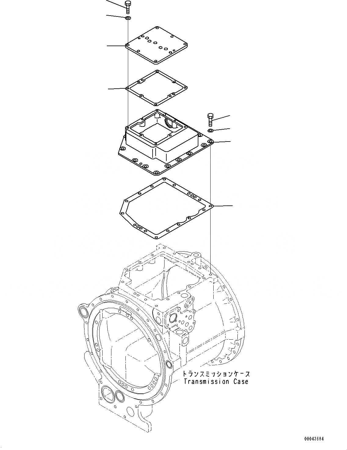
2
1
3
4
5
6
7
8
FIT
1:1
100%

Артикул

Название

Примечание

Количество

|$0

17A-22-50001

Power Train Assembly

SN: 85077-UP

1шт.

|$1

17A-15-51001

Transmission Assembly

SN: (161266-UP

1шт.

|$2

17A-15-51000

Transmission Assembly

SN: 85077-(161265

1шт.

1

17M-15-45810

Cover

SN: 85077-UP

1шт.

2

17A-15-25911

Gasket, (Kit : K03, K04)

SN: 85077-UP

1шт.

3

01010-81230

Bolt

SN: 85077-UP

16шт.

4

01643-31232

Washer

SN: 85077-UP

16шт.

5

17A-15-41220

Cover

SN: 85077-UP

1шт.

6

195-15-71230

Gasket, (Kit : K03, K04)

SN: 85077-UP

1шт.

7

01010-81030

Bolt

SN: 85077-UP

8шт.

8

01643-31032

Washer

SN: 85077-UP

8шт.

Выбрано товаров: 11