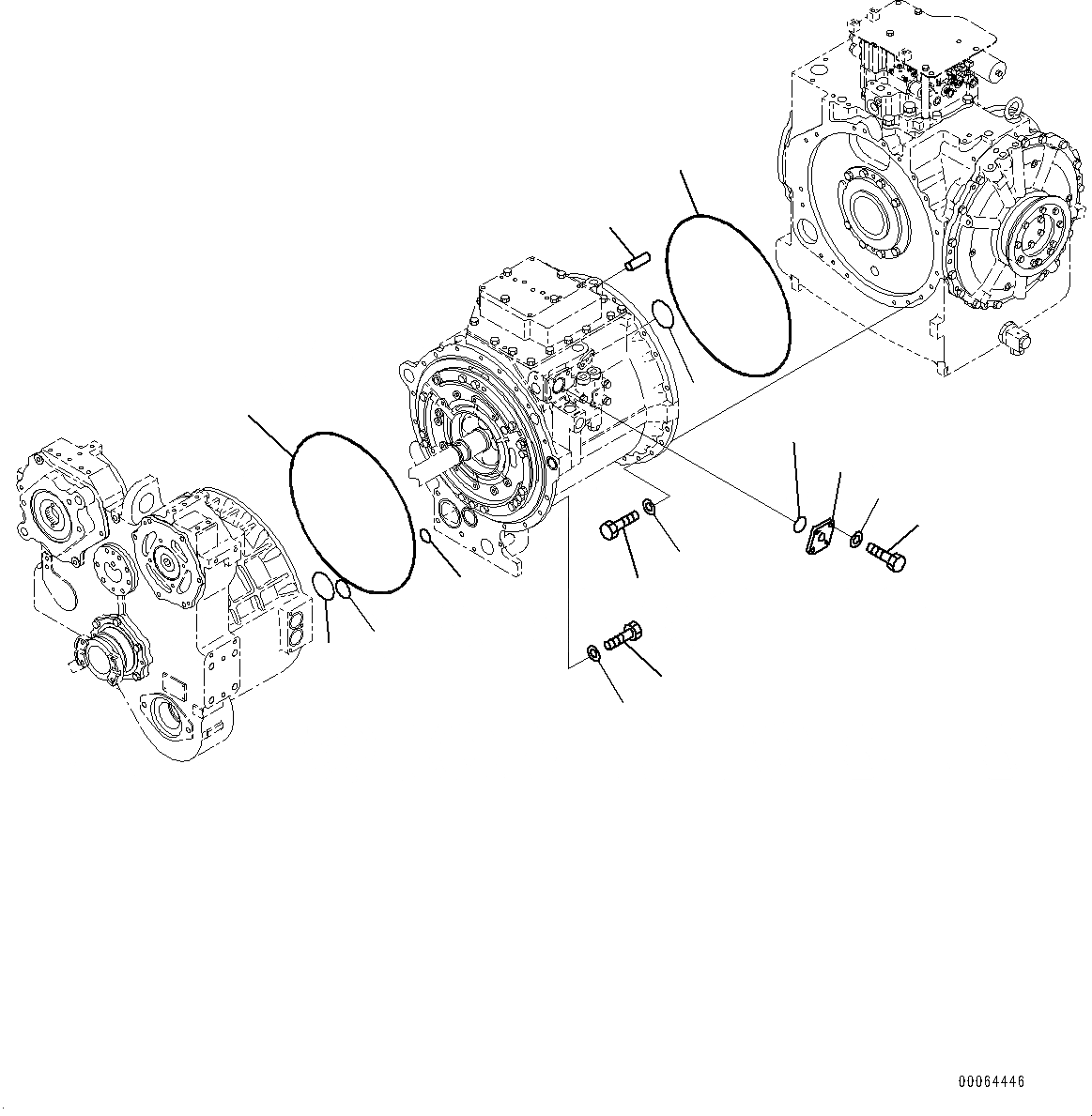
Запчасти Komatsu D155A-6R СИЛОВАЯ ПЕРЕДАЧА, АКСЕССУАРЫ (№877-) СИЛОВАЯ ПЕРЕДАЧА

Схема запчастей Komatsu D155A-6R - СИЛОВАЯ ПЕРЕДАЧА, АКСЕССУАРЫ (№877-) СИЛОВАЯ ПЕРЕДАЧА
6
5
4
3
2
1
8
10
9
11
7
14
13
15
12
FIT
1:1
100%

Артикул

Название

Примечание

Количество

|$0

17A-22-50001

Power Train Assembly

SN: 85077-UP

1шт.

1

17M-15-45980

O-ring

SN: 85077-UP

1шт.

2

07000-72085

O-ring

SN: 85077-UP

1шт.

3

07000-72055

O-ring

SN: 85077-UP

1шт.

4

01010-81240

Bolt

SN: 85077-UP

18шт.

5

01643-31232

Washer

SN: 85077-UP

18шт.

6

17M-15-45980

O-ring

SN: 85077-UP

1шт.

7

07000-72085

O-ring

SN: 85077-UP

1шт.

8

07000-73038

O-ring

SN: 85077-UP

1шт.

9

01010-81235

Bolt

SN: 85077-UP

19шт.

10

01643-31232

Washer

SN: 85077-UP

19шт.

11

04020-01228

Pin, Dowel

SN: 85077-UP

1шт.

12

17A-15-25840

Plate

SN: 85077-UP

1шт.

13

01010-81235

Bolt

SN: 85077-UP

2шт.

14

01643-31232

Washer

SN: 85077-UP

2шт.

15

07000-73045

O-ring

SN: 85077-UP

1шт.

Выбрано товаров: 16