Запчасти Komatsu D155A-6R СИЛОВАЯ ПЕРЕДАЧА, ЭЛЕКТРИЧ. ЧАСТИ (№877-) СИЛОВАЯ ПЕРЕДАЧА

Схема запчастей Komatsu D155A-6R - СИЛОВАЯ ПЕРЕДАЧА, ЭЛЕКТРИЧ. ЧАСТИ (№877-) СИЛОВАЯ ПЕРЕДАЧА
4
5
6
3
1
2
1
2
FIT
1:1
100%

Артикул

Название

Примечание

Количество

|$0

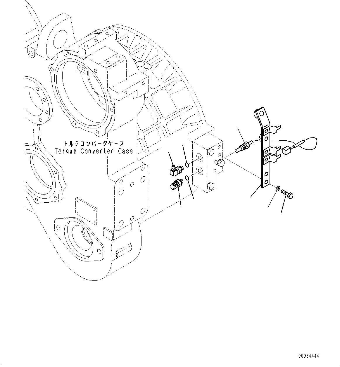
17A-22-50001

Power Train Assembly

SN: 85077-UP

1шт.

1

17A-15-41380

Elbow

SN: 85077-UP

2шт.

2

07002-61223

O-ring

SN: 85077-UP

2шт.

3

7861-93-3320

Sensor, Temperature

SN: 85077-UP

1шт.

4

17A-06-41571

Bracket

SN: 85077-UP

1шт.

5

01010-81025

Bolt

SN: 85077-UP

2шт.

6

01643-31032

Washer

SN: 85077-UP

2шт.

Выбрано товаров: 7