Запчасти Komatsu D155A-6R КРЫЛО КОМПОНЕНТЫ, УПРАВЛЯЮЩ. КЛАПАН (/9) (№88-) КРЫЛО КОМПОНЕНТЫ, БЕЗ ЗАДН. ОБОРУД-Е, ДЛЯ ВЫСОК. ЕМК. АККУМУЛЯТОР, КАПОТ, КРЫШКА МАСЛОНАЛИВНОГО ПАТРУБКА БЛОКИРОВКА И КРЫШКИБЛОКИР.

Схема запчастей Komatsu D155A-6R - КРЫЛО КОМПОНЕНТЫ, УПРАВЛЯЮЩ. КЛАПАН (/9) (№88-) КРЫЛО КОМПОНЕНТЫ, БЕЗ ЗАДН. ОБОРУД-Е, ДЛЯ ВЫСОК. ЕМК. АККУМУЛЯТОР, КАПОТ, КРЫШКА МАСЛОНАЛИВНОГО ПАТРУБКА БЛОКИРОВКА И КРЫШКИБЛОКИР.
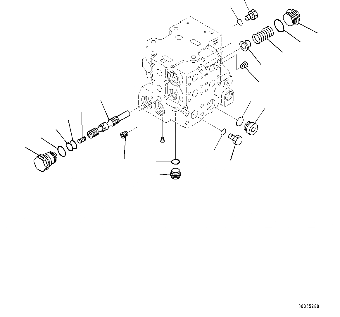
6
8
7
3
4
5
2
1
6
11
12
14
13
10
9
4
3
17
18
15
16
FIT
1:1
100%

Артикул

Название

Примечание

Количество

|$0

723-64-11400

Valve, Control

SN: 85480-UP

1шт.

1

709-74-91860

Plug

SN: 85480-UP

1шт.

2

07002-12434

O-ring

SN: 85480-UP

1шт.

3

702-21-55620

Plug

SN: 85480-UP

2шт.

4

07002-11423

O-ring

SN: 85480-UP

2шт.

5

Plug

SN: 85480-UP

11шт.

6

Plug

SN: 85480-UP

2шт.

7

07040-13316

Plug

SN: 85480-UP

1шт.

8

07002-13334

O-ring

SN: 85480-UP

1шт.

9

Spool

SN: 85480-UP

1шт.

10

Piston

SN: 85480-UP

1шт.

11

723-63-32570

Plug

SN: 85480-UP

1шт.

12

07002-14234

O-ring

SN: 85480-UP

1шт.

13

07000-13032

O-ring

SN: 85480-UP

1шт.

14

07001-03032

Ring, Back-up

SN: 85480-UP

1шт.

15

723-63-32560

Spring

SN: 85480-UP

1шт.

16

723-63-31540

Retainer

SN: 85480-UP

1шт.

17

723-63-31550

Plug

SN: 85480-UP

1шт.

18

07002-14234

O-ring

SN: 85480-UP

1шт.

Выбрано товаров: 19