Запчасти Komatsu D155A-6R КРЫЛО КОМПОНЕНТЫ, C.L.S.S КЛАПАН (№88-) КРЫЛО КОМПОНЕНТЫ, БЕЗ ЗАДН. ОБОРУД-Е, ДЛЯ ВЫСОК. ЕМК. АККУМУЛЯТОР, КАПОТ, КРЫШКА МАСЛОНАЛИВНОГО ПАТРУБКА БЛОКИРОВКА И КРЫШКИБЛОКИР.

Схема запчастей Komatsu D155A-6R - КРЫЛО КОМПОНЕНТЫ, C.L.S.S КЛАПАН (№88-) КРЫЛО КОМПОНЕНТЫ, БЕЗ ЗАДН. ОБОРУД-Е, ДЛЯ ВЫСОК. ЕМК. АККУМУЛЯТОР, КАПОТ, КРЫШКА МАСЛОНАЛИВНОГО ПАТРУБКА БЛОКИРОВКА И КРЫШКИБЛОКИР.
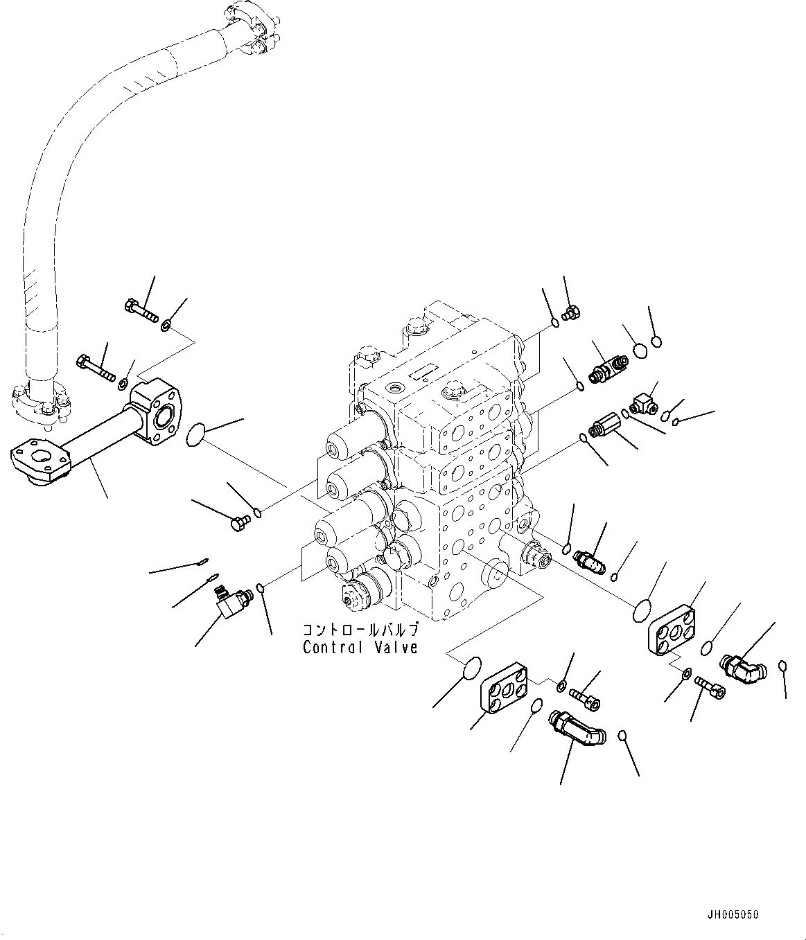
17
15
23
16
22
24
18
21
20
19
18
17
16
15
7
6
8
1
2
3
5
13
14
12
11
10
9
5
4
25
2
3
27
1
5
29
28
29
26
5
4
FIT
1:1
100%

Артикул

Название

Примечание

Количество

1

20Y-62-22271

Elbow

SN: 85480-UP

4шт.

2

201-60-11390

O-ring

SN: 85480-UP

1шт.

3

20Y-62-19560

O-ring

SN: 85480-UP

1шт.

4

07040-11409

Plug

SN: 85480-UP

4шт.

5

07002-11423

O-ring

SN: 85480-UP

8шт.

6

154-61-75761

Elbow

SN: 85480-UP

1шт.

7

02896-11008

O-ring

SN: 85480-UP

1шт.

8

07002-11423

O-ring

SN: 85480-UP

1шт.

9

17A-60-41120

Tube

SN: 85480-UP

1шт.

10

07000-73035

O-ring

SN: 85480-UP

1шт.

11

01010-81055

Bolt

SN: 85480-UP

2шт.

12

01643-31032

Washer

SN: 85480-UP

2шт.

13

01010-81060

Bolt

SN: 85480-UP

2шт.

14

01643-31032

Washer

SN: 85480-UP

2шт.

15

17A-61-21221

Plate

SN: 85480-UP

2шт.

16

07000-13032

O-ring

SN: 85480-UP

2шт.

17

01252-71025

Bolt, Hexagon Socket Head

SN: 85480-UP

8шт.

18

01643-51032

Washer

SN: 85480-UP

8шт.

19

02783-10422

Elbow

SN: 85480-UP

1шт.

20

07002-12034

O-ring

SN: 85480-UP

1шт.

21

02896-11012

O-ring

SN: 85480-UP

1шт.

22

02782-10423

Elbow

SN: 85480-UP

1шт.

23

07002-12034

O-ring

SN: 85480-UP

1шт.

24

02896-11012

O-ring

SN: 85480-UP

1шт.

25

20Y-62-22271

Elbow

SN: 85480-UP

1шт.

26

201-60-11390

O-ring

SN: 85480-UP

1шт.

27

20Y-62-19560

O-ring

SN: 85480-UP

1шт.

28

20Y-62-22160

Adapter

SN: 85480-UP

1шт.

29

07002-11423

O-ring

SN: 85480-UP

2шт.

Выбрано товаров: 29