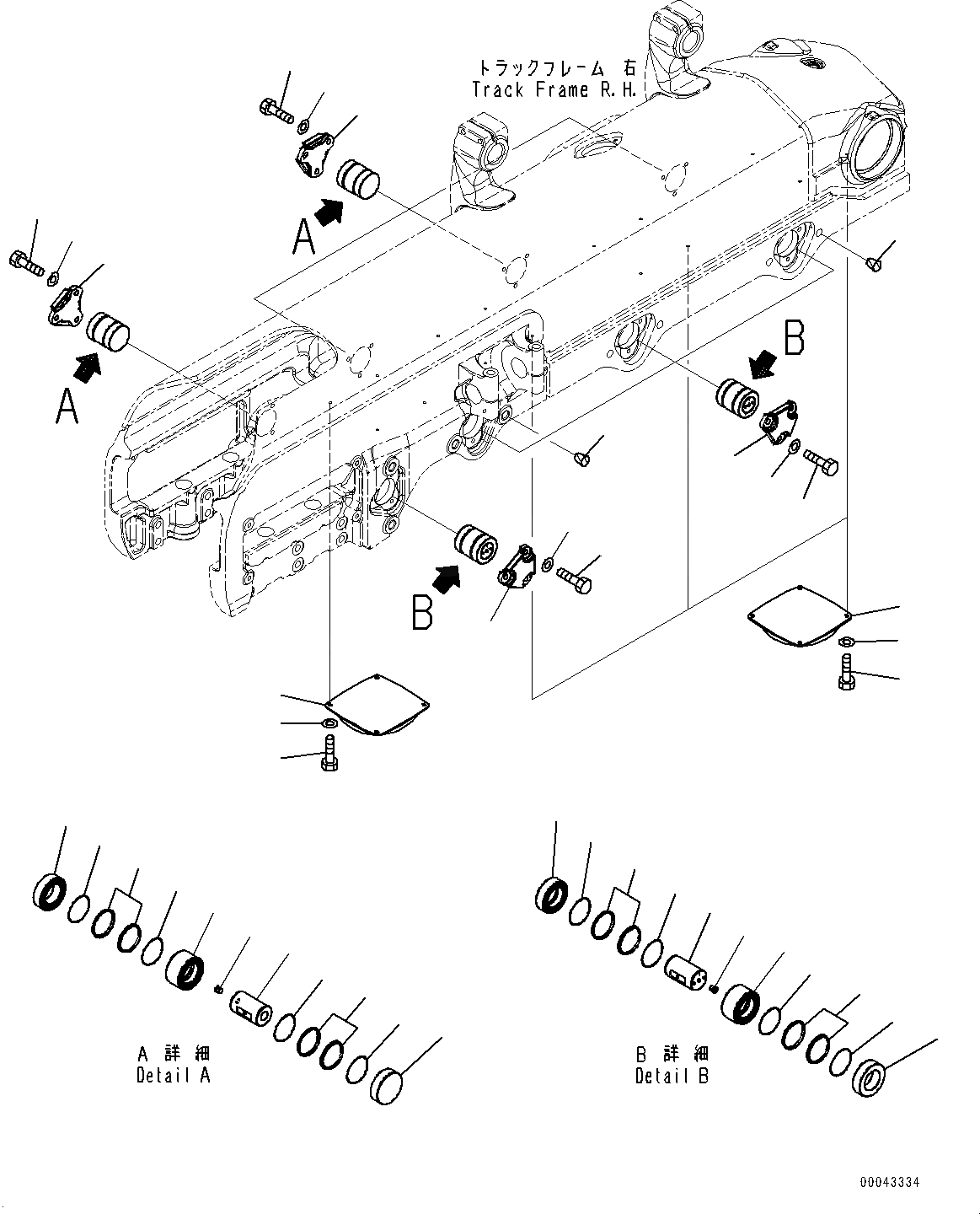
Запчасти Komatsu D155A-6R ГУСЕНИЧНАЯ РАМА, ТЕЛЕЖКА КРЕПЛЕНИЕ, ПРАВ. (№877-8) ГУСЕНИЧНАЯ РАМА, С ЗАЩИТА ОПОРНЫХ КАТКОВ

Схема запчастей Komatsu D155A-6R - ГУСЕНИЧНАЯ РАМА, ТЕЛЕЖКА КРЕПЛЕНИЕ, ПРАВ. (№877-8) ГУСЕНИЧНАЯ РАМА, С ЗАЩИТА ОПОРНЫХ КАТКОВ
14
13
12
2
3
4
15
14
13
12
4
3
1
15
10
5
6
7
8
9
10
11
10
9
10
14
13
14
12
13
12
9
10
10
5
6
7
8
9
10
11
10
FIT
1:1
100%

Артикул

Название

Примечание

Количество

1

17A-30-46141

Pad

SN: 85077-85365

1шт.

2

17A-30-46131

Pad

SN: 85077-85365

3шт.

3

01010-81025

Bolt

SN: 85077-85365

16шт.

4

01643-31032

Washer

SN: 85077-85365

16шт.

4

17A-30-46202

Pin Assembly

SN: 85077-85365

8шт.

5

17A-30-46221

Ring

SN: 85077-85365

1шт.

6

17A-30-46231

Ring

SN: 85077-85365

1шт.

7

17A-30-46241

Ring

SN: 85077-85365

1шт.

8

17A-30-46252

Shaft

SN: 85077-85365

1шт.

8

17M-30-00500

Floating Seal Assembly

SN: 85077-85365

2шт.

9

Seal

SN: 85077-85365

2шт.

10

O-ring

SN: 85077-85365

2шт.

11

209-30-63150

Plug

SN: 85077-85365

1шт.

12

17M-30-56331

Cover

SN: 85077-85365

8шт.

13

01010-61640

Bolt

SN: 85077-85365

24шт.

14

01643-31645

Washer

SN: 85077-85365

24шт.

15

07049-03038

Plug, Cork

SN: 85077-85365

13шт.

Выбрано товаров: 17