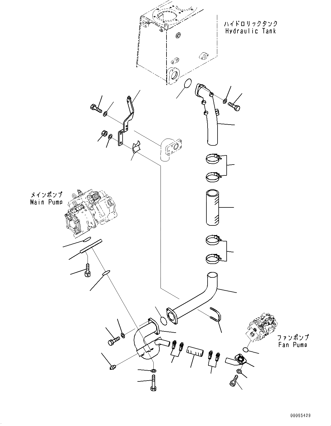
Запчасти Komatsu D155A-6R ГИДРАВЛ МАСЛ. НАСОС ТРУБЫ (№877-) ГИДРАВЛ МАСЛ. НАСОС ТРУБЫ

Схема запчастей Komatsu D155A-6R - ГИДРАВЛ МАСЛ. НАСОС ТРУБЫ (№877-) ГИДРАВЛ МАСЛ. НАСОС ТРУБЫ
27
2
3
5
21
20
23
24
25
25
14
13
19
18
17
16
10
4
12
11
8
31
31
30
26
9
29
28
22
1
7
6
15
FIT
1:1
100%

Артикул

Название

Примечание

Количество

1

17A-49-42251

Flange

SN: 85077-UP

1шт.

2

07000-12080

O-ring

SN: 85077-UP

1шт.

3

01252-61230

Bolt, Hexagon Socket Head

SN: 85077-UP

4шт.

4

17A-49-42240

Tube

SN: 85077-UP

1шт.

5

07042-70108

Plug

SN: 85077-UP

1шт.

6

07000-12080

O-ring

SN: 85077-UP

1шт.

7

01010-81280

Bolt

SN: 85077-UP

4шт.

8

01643-31232

Washer

SN: 85077-UP

4шт.

9

17A-49-41381

Tube

SN: 85077-UP

1шт.

10

07000-12080

O-ring

SN: 85077-UP

1шт.

11

01010-81250

Bolt

SN: 85077-UP

2шт.

12

01643-31232

Washer

SN: 85077-UP

2шт.

13

17A-49-41372

Bracket

SN: 85077-UP

1шт.

14

07283-38981

Clip, Pipe

SN: 85077-UP

1шт.

15

17A-49-41931

Seat

SN: 85077-UP

1шт.

16

01597-01211

Nut

SN: 85077-UP

2шт.

17

01643-31232

Washer

SN: 85077-UP

2шт.

18

01010-81230

Bolt

SN: 85077-UP

2шт.

19

01643-31232

Washer

SN: 85077-UP

2шт.

20

17A-49-42281

Tube

SN: 85077-UP

1шт.

21

07000-13048

O-ring

SN: 85077-UP

1шт.

22

01010-81240

Bolt

SN: 85077-UP

2шт.

23

01643-31232

Washer

SN: 85077-UP

2шт.

24

07260-04114

Hose

SN: 85077-UP

1шт.

25

17A-61-41770

Clamp

SN: 85077-UP

4шт.

26

17A-60-41141

Tube

SN: 85077-UP

1шт.

27

07000-12090

O-ring

SN: 85077-UP

1шт.

28

01010-81245

Bolt

SN: 85077-UP

2шт.

29

01643-31232

Washer

SN: 85077-UP

2шт.

30

07260-08732

Hose

SN: 85077-UP

1шт.

31

20Y-62-51671

Clamp

SN: 85077-UP

4шт.

Выбрано товаров: 31