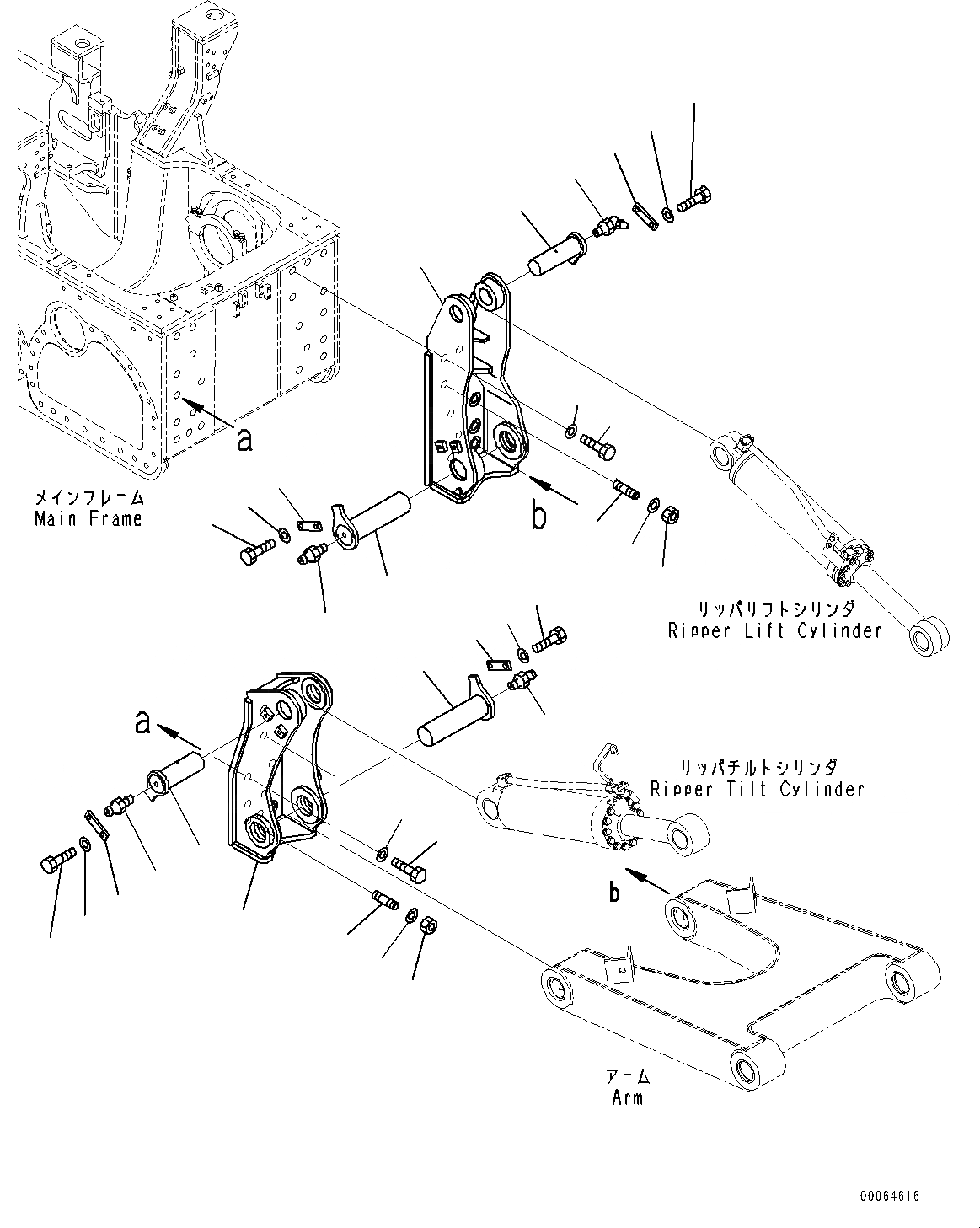
Запчасти Komatsu D155A-6R РЫХЛИТЕЛЬ КРЕПЛЕНИЕ (№877-) РЫХЛИТЕЛЬ КРЕПЛЕНИЕ, ДЛЯ РЕГУЛИР. ГИГАНТСК. РЫХЛИТ, БОЛЬШ. SHANK

Схема запчастей Komatsu D155A-6R - РЫХЛИТЕЛЬ КРЕПЛЕНИЕ (№877-) РЫХЛИТЕЛЬ КРЕПЛЕНИЕ, ДЛЯ РЕГУЛИР. ГИГАНТСК. РЫХЛИТ, БОЛЬШ. SHANK
1
7
11
12
10
23
24
26
27
25
8
9
6
26
20
21
19
22
18
2
27
25
24
13
23
14
16
15
3
5
4
17
FIT
1:1
100%

Артикул

Название

Примечание

Количество

1

17A-78-41112

Bracket

SN: 85077-UP

1шт.

2

17A-78-44110

Pin

SN: 85077-UP

1шт.

3

205-70-61560

Plate

SN: 85077-UP

1шт.

4

01010-82040

Bolt

SN: 85077-UP

2шт.

5

01643-32060

Washer

SN: 85077-UP

2шт.

6

07020-00000

Fitting, Grease

SN: 85077-UP

1шт.

7

17A-78-44150

Pin

SN: 85077-UP

1шт.

8

205-70-61560

Plate

SN: 85077-UP

1шт.

9

01010-82040

Bolt

SN: 85077-UP

2шт.

10

01643-32060

Washer

SN: 85077-UP

2шт.

11

07020-00000

Fitting, Grease

SN: 85077-UP

1шт.

12

17A-78-47920

Bracket

SN: 85077-UP

1шт.

13

17A-78-44110

Pin

SN: 85077-UP

1шт.

14

205-70-61560

Plate

SN: 85077-UP

1шт.

15

01010-82040

Bolt

SN: 85077-UP

2шт.

16

01643-32060

Washer

SN: 85077-UP

2шт.

17

07020-00000

Fitting, Grease

SN: 85077-UP

1шт.

18

17A-78-44161

Pin

SN: 85077-UP

1шт.

19

205-70-61560

Plate

SN: 85077-UP

1шт.

20

01010-82040

Bolt

SN: 85077-UP

2шт.

21

01643-32060

Washer

SN: 85077-UP

2шт.

22

07020-00675

Fitting, Grease

SN: 85077-UP

1шт.

23

01018-33990

Bolt

SN: 85077-UP

14шт.

24

195-69-11140

Washer

SN: 85077-UP

14шт.

25

195-78-11270

Stud

SN: 85077-UP

4шт.

26

195-69-11131

Nut

SN: 85077-UP

4шт.

27

195-69-11140

Washer

SN: 85077-UP

4шт.

Выбрано товаров: 27