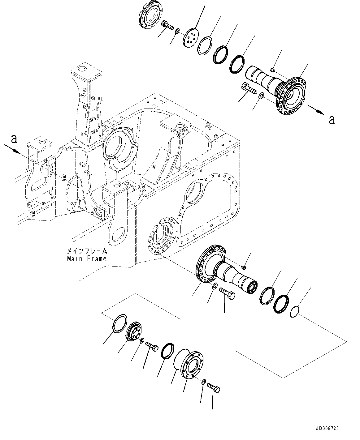
Запчасти Komatsu D155A-6R ПОДВЕСКА, ПОВОРОТН. ШКВОРЕНЬ (№877-) ПОДВЕСКА

Схема запчастей Komatsu D155A-6R - ПОДВЕСКА, ПОВОРОТН. ШКВОРЕНЬ (№877-) ПОДВЕСКА
1
2
3
4
5
6
7
8
9
10
11
12
13
14
15
16
18
19
20
21
22
23
24
17
25
26
FIT
1:1
100%

Артикул

Название

Примечание

Количество

1

17A-50-41331

Shaft

SN: 85077-UP

1шт.

2

01011-82700

Bolt

SN: 85077-UP

17шт.

3

01643-32780

Washer

SN: 85077-UP

17шт.

4

07049-02734

Plug

SN: 85077-UP

2шт.

5

17A-50-11151

Ring

SN: 85077-UP

1шт.

6

17A-50-11140

Seal

SN: 85077-UP

1шт.

7

07000-12125

O-ring

SN: 85077-UP

1шт.

8

17A-50-41190

Spacer

SN: 85077-UP

1шт.

9

17A-50-41120

Washer

SN: 85077-UP

1шт.

10

07000-15230

O-ring

SN: 85077-UP

1шт.

11

17A-50-41130

Washer

SN: 85077-UP

1шт.

12

01010-81660

Bolt

SN: 85077-UP

2шт.

13

01643-31645

Washer

SN: 85077-UP

2шт.

14

14Y-30-18150

Seal

SN: 85077-UP

1шт.

15

01010-81680

Bolt

SN: 85077-UP

6шт.

16

01643-31645

Washer

SN: 85077-UP

6шт.

17

17A-50-41321

Shaft

SN: 85077-UP

1шт.

18

01011-82700

Bolt

SN: 85077-UP

17шт.

19

01643-32780

Washer

SN: 85077-UP

17шт.

20

07049-02734

Plug

SN: 85077-UP

2шт.

21

17A-50-11151

Ring

SN: 85077-UP

1шт.

22

17A-50-11140

Seal

SN: 85077-UP

1шт.

23

17A-50-41190

Spacer

SN: 85077-UP

1шт.

24

17A-50-41140

Washer

SN: 85077-UP

1шт.

25

01010-81645

Bolt

SN: 85077-UP

6шт.

26

01643-31645

Washer

SN: 85077-UP

6шт.

Выбрано товаров: 0