Запчасти Komatsu D155A-6R КОМПРЕССОР, ПРОВОДКА (№88-) КОМПРЕССОР, С КОНДИЦИОНЕРОМ, ДЛЯ ЗАПЫЛЕНН МЕСТН. ARRANGEMENT

Схема запчастей Komatsu D155A-6R - КОМПРЕССОР, ПРОВОДКА (№88-) КОМПРЕССОР, С КОНДИЦИОНЕРОМ, ДЛЯ ЗАПЫЛЕНН МЕСТН. ARRANGEMENT
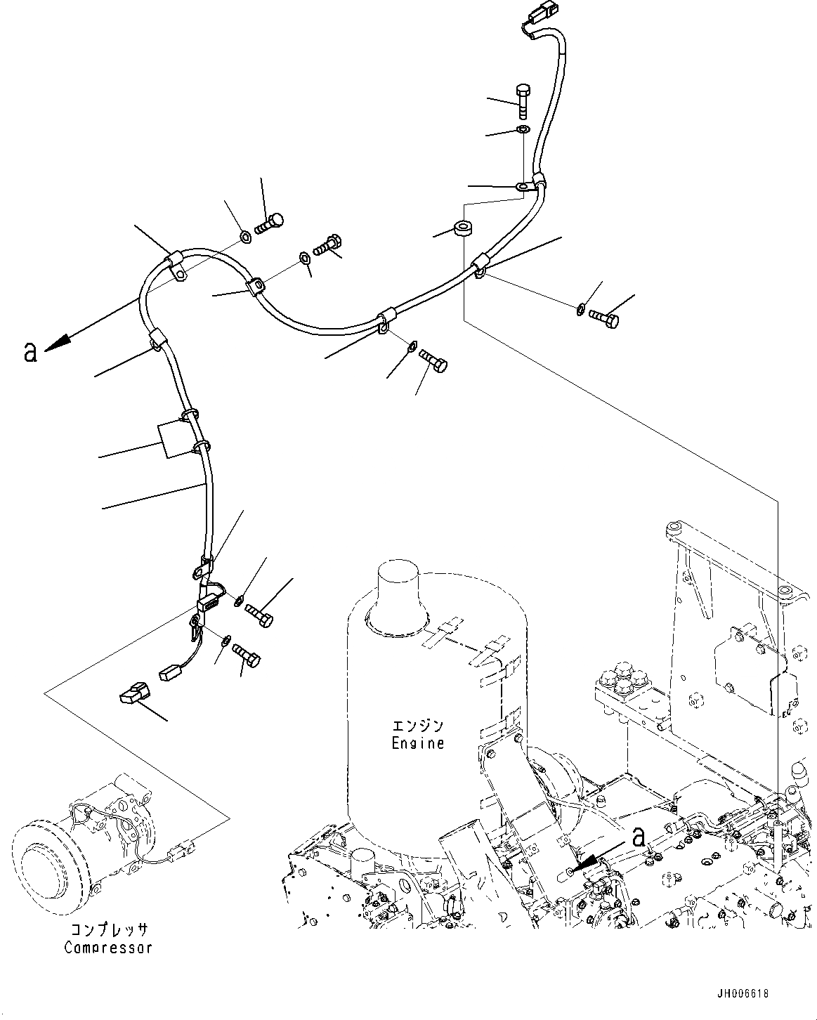
1
2
3
4
5
6
7
8
9
10
11
12
13
14
15
7
9
8
10
10
12
11
10
11
12
FIT
1:1
100%

Артикул

Название

Примечание

Количество

1

17A-06-41360

Wiring Harness

SN: 85480-UP

1шт.

2

21J-06-13661

Diode

SN: 85480-UP

1шт.

3

600-051-2100

Clip

SN: 85480-UP

1шт.

4

208-01-11270

Washer

SN: 85480-UP

1шт.

5

01010-81030

Bolt

SN: 85480-UP

1шт.

6

01643-31032

Washer

SN: 85480-UP

1шт.

7

600-051-2100

Clip

SN: 85480-UP

2шт.

8

01010-81020

Bolt

SN: 85480-UP

2шт.

9

01643-31032

Washer

SN: 85480-UP

2шт.

10

600-051-2100

Clip

SN: 85480-UP

4шт.

11

01010-81020

Bolt

SN: 85480-UP

3шт.

12

01643-31032

Washer

SN: 85480-UP

3шт.

13

08034-20414

Band

SN: 85480-UP

2шт.

14

01010-81020

Bolt

SN: 85480-UP

1шт.

15

01643-31032

Washer

SN: 85480-UP

1шт.

Выбрано товаров: 15