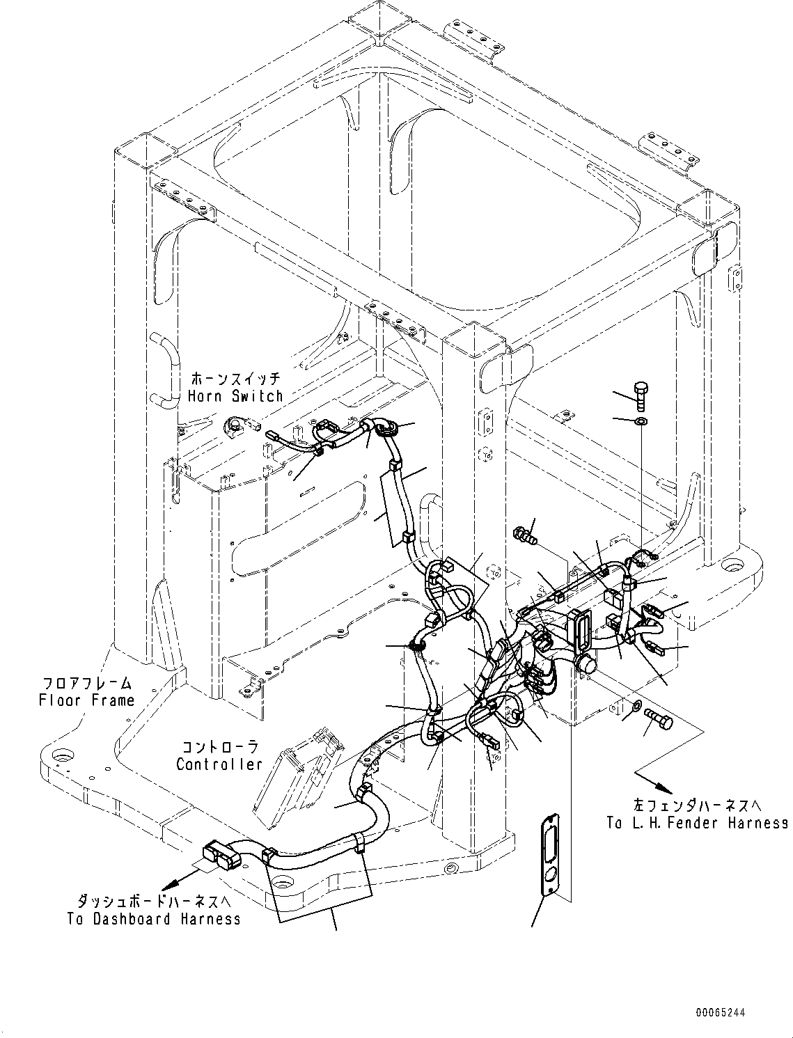
Запчасти Komatsu D155A-6R ОСНОВН. КОНСТРУКЦИЯ, ПРОВОДКА (№877-) ОСНОВН. КОНСТРУКЦИЯ, ДЛЯ РЕГУЛИР. ГИГАНТСК. РЫХЛИТ

Схема запчастей Komatsu D155A-6R - ОСНОВН. КОНСТРУКЦИЯ, ПРОВОДКА (№877-) ОСНОВН. КОНСТРУКЦИЯ, ДЛЯ РЕГУЛИР. ГИГАНТСК. РЫХЛИТ
1
2
3
4
5
6
7
8
10
11
13
16
17
20
21
19
11
18
14
15
13
13
13
12
12
8
10
12
10
8
9
10
10
8
FIT
1:1
100%

Артикул

Название

Примечание

Количество

1

17A-06-43311

Wiring Harness

SN: 85077-UP

1шт.

2

08055-00481

Connector Body Assembly, Male

SN: 85077-UP

1шт.

3

Connector

SN: 85077-UP

1шт.

4

Connector Body Assembly

SN: 85077-UP

6шт.

5

Connector Body Assembly

SN: 85077-UP

1шт.

6

Connector Body Assembly

SN: 85077-UP

1шт.

7

21J-06-13661

Diode

SN: 85077-UP

3шт.

8

08211-02820

Clip

SN: 85077-UP

5шт.

9

08211-01920

Clip

SN: 85077-UP

1шт.

10

08211-00720

Clip

SN: 85077-UP

5шт.

11

08211-01520

Clip

SN: 85077-UP

3шт.

12

08211-01320

Clip

SN: 85077-UP

4шт.

13

08211-01020

Clip

SN: 85077-UP

6шт.

14

01010-81220

Bolt

SN: 85077-UP

2шт.

15

01643-31232

Washer

SN: 85077-UP

2шт.

16

01023-10416

Screw

SN: 85077-UP

4шт.

17

17A-06-43550

Bracket

SN: 85077-UP

1шт.

18

01010-80820

Bolt

SN: 85077-UP

2шт.

19

01643-30823

Washer

SN: 85077-UP

2шт.

20

207-54-16860

Grommet

SN: 85077-UP

1шт.

21

209-06-51470

Grommet

SN: 85077-UP

2шт.

Выбрано товаров: 21