Запчасти Komatsu D155A-6R ВЕНТИЛЯТОР ОХЛАЖДЕНИЯ, ВЕНТИЛЯТОР ОХЛАЖДЕНИЯ МОТОР (№877-) ВЕНТИЛЯТОР ОХЛАЖДЕНИЯ, НАГНЕТАТЕЛЬ

Схема запчастей Komatsu D155A-6R - ВЕНТИЛЯТОР ОХЛАЖДЕНИЯ, ВЕНТИЛЯТОР ОХЛАЖДЕНИЯ МОТОР (№877-) ВЕНТИЛЯТОР ОХЛАЖДЕНИЯ, НАГНЕТАТЕЛЬ
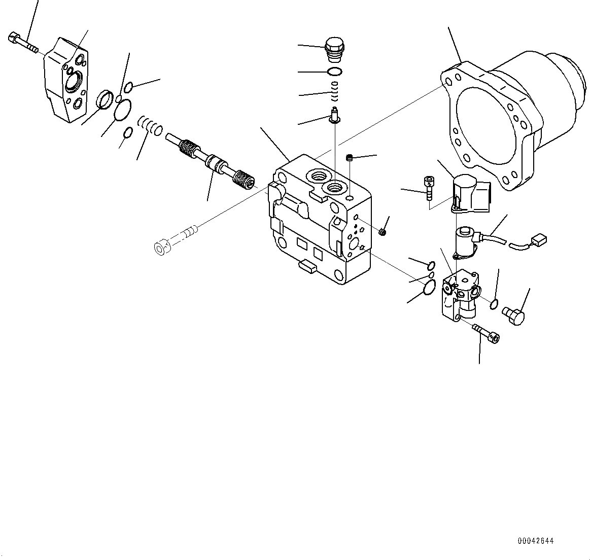
1
2
3
4
5
6
7
8
9
10
11
12
13
14
15
17
21
22
24
23
16
18
19
20
12
3
16
FIT
1:1
100%

Артикул

Название

Примечание

Количество

|$0

708-7W-00140

Motor Assembly

SN: 85077-UP

1шт.

1

708-7W-11190

Case

SN: 85077-UP

1шт.

|$2

708-7W-01050

Cover Subassembly

SN: 85077-UP

1шт.

2

Cover

SN: 85077-UP

1шт.

3

Plug

SN: 85077-UP

3шт.

4

709-25-11650

Valve, Check

SN: 85077-UP

1шт.

5

709-25-11361

Spring

SN: 85077-UP

1шт.

6

708-7S-21610

Plug

SN: 85077-UP

1шт.

7

07002-12434

O-ring

SN: 85077-UP

1шт.

8

Spool

SN: 85077-UP

1шт.

9

708-7W-18150

Spring

SN: 85077-UP

1шт.

10

708-7W-18160

Spacer

SN: 85077-UP

1шт.

11

708-7W-18170

Cover

SN: 85077-UP

1шт.

12

07000-12016

O-ring

SN: 85077-UP

2шт.

13

07000-12035

O-ring

SN: 85077-UP

1шт.

14

01252-60845

Bolt, Hexagon Socket Head

SN: 85077-UP

4шт.

15

07000-12010

O-ring

SN: 85077-UP

1шт.

16

708-7R-01631

Valve Assembly, Pilot

SN: 85077-UP

1шт.

17

01252-60616

Bolt, Hexagon Socket Head

SN: 85077-UP

2шт.

18

708-2L-25490

O-ring

SN: 85077-UP

1шт.

19

07000-11008

O-ring

SN: 85077-UP

1шт.

20

723-11-18430

O-ring

SN: 85077-UP

1шт.

21

07040-11007

Plug

SN: 85077-UP

1шт.

22

07002-11023

O-ring

SN: 85077-UP

1шт.

23

708-1S-18180

Cover

SN: 85077-UP

1шт.

24

01252-60835

Bolt, Hexagon Socket Head

SN: 85077-UP

4шт.

Выбрано товаров: 26