Запчасти Komatsu SAA6D140E-5AG ГЕНЕРАТОР, ЭЛЕМЕНТЫ КРЕПЛЕНИЯ (№-) ГЕНЕРАТОР, AMP., ДЛЯ ЗАПЫЛЕНН МЕСТН. ARRANGEMENT

Схема запчастей Komatsu SAA6D140E-5AG - ГЕНЕРАТОР, ЭЛЕМЕНТЫ КРЕПЛЕНИЯ (№-) ГЕНЕРАТОР, AMP., ДЛЯ ЗАПЫЛЕНН МЕСТН. ARRANGEMENT
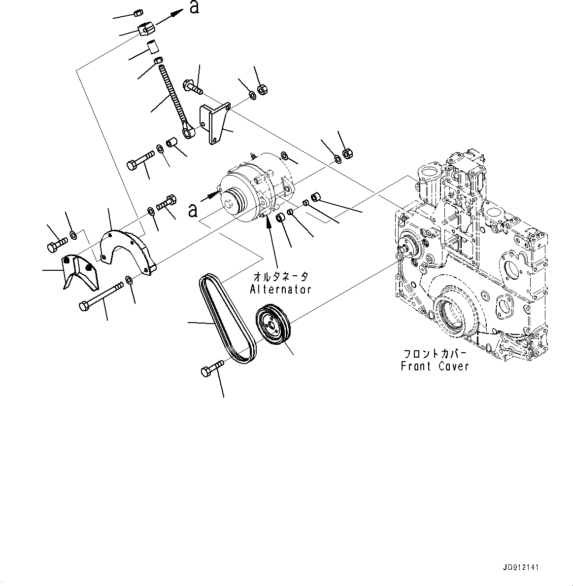
25
26
27
2
3
4
5
6
7
8
9
10
11
13
14
15
16
17
18
19
20
21
22
23
24
4
5
16
12
1
25
26
27
2
3
4
5
6
7
8
9
10
11
13
14
15
16
17
18
19
20
21
22
23
24
4
5
16
12
1
FIT
1:1
100%

Артикул

Название

Примечание

Количество

1

600-815-9980

Washer

SN: 630332-630411

1шт.

2

6210-81-6490

Bolt

SN: 630332-630411

1шт.

3

01582-01210

Nut

SN: 630332-630411

1шт.

4

01643-31232

Washer

SN: 630332-630411

2шт.

5

6210-61-6530

Pin

SN: 630332-630411

2шт.

6

6210-81-6750

Spacer

SN: 630332-630411

1шт.

7

6217-81-6550

Spacer

SN: 630332-630411

1шт.

8

6240-81-8611

Rod, Adjusting

SN: 630332-630411

1шт.

9

6261-81-8340

Plate

SN: 630332-630411

1шт.

10

6215-81-6150

Pin

SN: 630332-630411

1шт.

11

01010-81260

Bolt

SN: 630332-630411

1шт.

12

01643-31232

Washer

SN: 630332-630411

1шт.

13

01580-11210

Nut

SN: 630332-630411

1шт.

14

01643-31232

Washer

SN: 630332-630411

1шт.

15

6261-81-8350

Spacer

SN: 630332-630411

1шт.

16

01580-11613

Nut

SN: 630332-630411

2шт.

17

6210-82-6570

Bracket

SN: 630332-630411

1шт.

18

01435-01025

Bolt

SN: 630332-630411

2шт.

19

01050-51260

Bolt

SN: 630332-630411

1шт.

20

01643-31232

Washer

SN: 630332-630411

1шт.

21

6261-81-6460

Cover, Safety

SN: 630332-630411

1шт.

22

6210-81-6361

Cover

SN: 630332-630411

1шт.

23

01050-51020

Bolt

SN: 630332-630411

2шт.

24

01640-21016

Washer

SN: 630332-630411

2шт.

25

6261-81-6810

V-belt Set

SN: 630332-630411

1шт.

26

6210-82-6840

Pulley

SN: 630332-630411

1шт.

27

01010-80820

Bolt

SN: 630332-630411

3шт.

1

600-815-9980

Washer

SN: 630332-630411

1шт.

2

6210-81-6490

Bolt

SN: 630332-630411

1шт.

3

01582-01210

Nut

SN: 630332-630411

1шт.

4

01643-31232

Washer

SN: 630332-630411

2шт.

5

6210-61-6530

Pin

SN: 630332-630411

2шт.

6

6210-81-6750

Spacer

SN: 630332-630411

1шт.

7

6217-81-6550

Spacer

SN: 630332-630411

1шт.

8

6240-81-8611

Rod, Adjusting

SN: 630332-630411

1шт.

9

6261-81-8340

Plate

SN: 630332-630411

1шт.

10

6215-81-6150

Pin

SN: 630332-630411

1шт.

11

01010-81260

Bolt

SN: 630332-630411

1шт.

12

01643-31232

Washer

SN: 630332-630411

1шт.

13

01580-11210

Nut

SN: 630332-630411

1шт.

14

01643-31232

Washer

SN: 630332-630411

1шт.

15

6261-81-8350

Spacer

SN: 630332-630411

1шт.

16

01580-11613

Nut

SN: 630332-630411

2шт.

17

6210-82-6570

Bracket

SN: 630332-630411

1шт.

18

01435-01025

Bolt

SN: 630332-630411

2шт.

19

01050-51260

Bolt

SN: 630332-630411

1шт.

20

01643-31232

Washer

SN: 630332-630411

1шт.

21

6261-81-6460

Cover, Safety

SN: 630332-630411

1шт.

22

6210-81-6361

Cover

SN: 630332-630411

1шт.

23

01050-51020

Bolt

SN: 630332-630411

2шт.

24

01640-21016

Washer

SN: 630332-630411

2шт.

25

6261-81-6810

V-belt Set

SN: 630332-630411

1шт.

26

6210-82-6840

Pulley

SN: 630332-630411

1шт.

27

01010-80820

Bolt

SN: 630332-630411

3шт.

Выбрано товаров: 54