Запчасти Komatsu SAA6D140E-5AG ДВИГАТЕЛЬ МАСЛОНАЛИВНОЙ ПАТРУБОК (№-) ДВИГАТЕЛЬ МАСЛОНАЛИВНОЙ ПАТРУБОК

Схема запчастей Komatsu SAA6D140E-5AG - ДВИГАТЕЛЬ МАСЛОНАЛИВНОЙ ПАТРУБОК (№-) ДВИГАТЕЛЬ МАСЛОНАЛИВНОЙ ПАТРУБОК
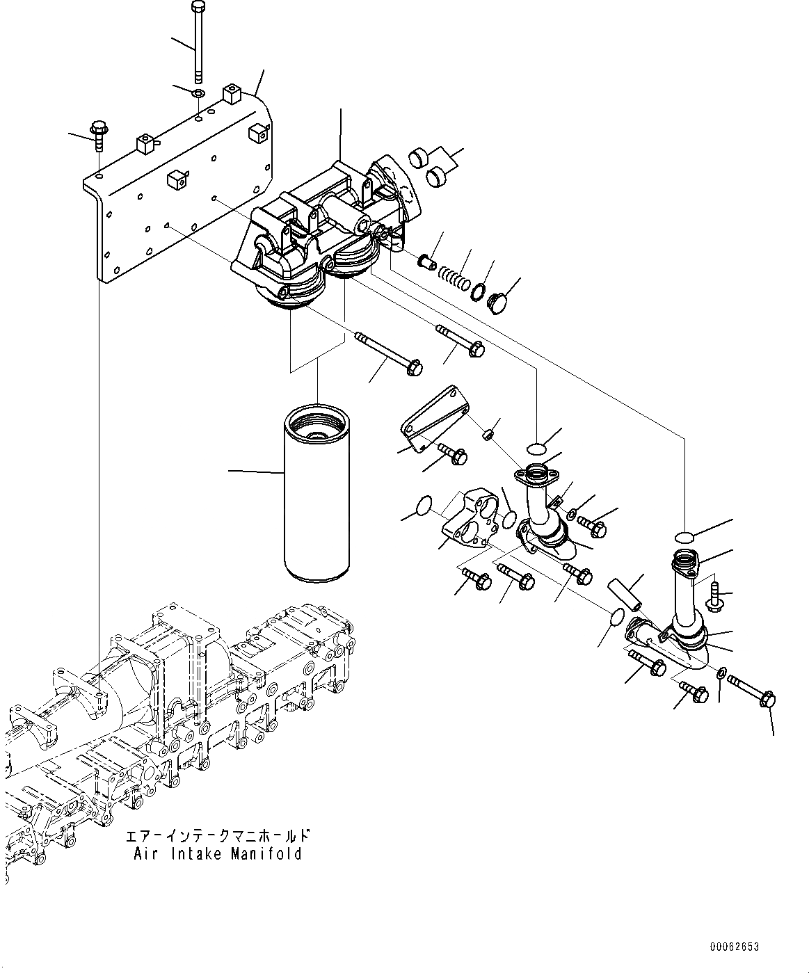
1
2
3
4
5
6
7
8
9
10
11
12
14
15
16
17
18
19
20
21
22
23
24
25
26
27
28
29
30
31
32
22
12
13
25
14
15
26
18
1
2
3
4
5
6
7
8
9
10
11
12
14
15
16
17
18
19
20
21
22
23
24
25
26
27
28
29
30
31
32
22
12
13
25
14
15
26
18
FIT
1:1
100%

Артикул

Название

Примечание

Количество

|$0

6261-51-6601

Head Assembly, Oil Filter

SN: 630332-UP

1шт.

1

6261-51-6611

Head

SN: 630332-UP

1шт.

2

6217-51-5660

Cap

SN: 630332-UP

1шт.

3

6162-55-5230

Valve

SN: 630332-UP

1шт.

4

6162-53-5430

Packing

SN: 630332-UP

1шт.

5

600-211-1890

Spring

SN: 630332-UP

1шт.

6

6261-51-6620

Plug

SN: 630332-UP

2шт.

7

600-211-1340

Cartridge

SN: 630332-UP

2шт.

8

01435-01095

Bolt

SN: 630332-UP

3шт.

9

01436-01040

Bolt

SN: 630332-UP

3шт.

10

6261-51-6120

Tube, Inlet

SN: 630332-UP

1шт.

11

6261-51-6130

Tube, Outlet

SN: 630332-UP

1шт.

12

07000-73034

O-ring

SN: 630332-UP

2шт.

13

01435-01025

Bolt

SN: 630332-UP

4шт.

14

6165-61-6770

Clip

SN: 630332-UP

2шт.

15

6261-51-5751

Cushion

SN: 630332-UP

2шт.

16

01435-01025

Bolt

SN: 630332-UP

1шт.

17

01435-01085

Bolt

SN: 630332-UP

1шт.

18

01643-31032

Washer

SN: 630332-UP

2шт.

19

417-823-1460

Spacer

SN: 630332-UP

1шт.

20

6211-11-9790

Spacer

SN: 630332-UP

1шт.

21

07000-73038

O-ring

SN: 630332-UP

2шт.

22

07000-73034

O-ring

SN: 630332-UP

2шт.

23

6261-51-5180

Flange

SN: 630332-UP

1шт.

24

01435-01045

Bolt

SN: 630332-UP

2шт.

25

01435-01050

Bolt

SN: 630332-UP

2шт.

26

01435-01020

Bolt

SN: 630332-UP

2шт.

27

6261-51-6140

Bracket

SN: 630332-UP

1шт.

28

01435-01025

Bolt

SN: 630332-UP

2шт.

29

6261-51-5840

Bracket

SN: 630332-UP

1шт.

30

01435-01025

Bolt

SN: 630332-UP

6шт.

31

01011-81095

Bolt

SN: 630332-UP

2шт.

32

01643-31032

Washer

SN: 630332-UP

2шт.

|$0

6261-51-6601

Head Assembly, Oil Filter

SN: 630332-UP

1шт.

1

6261-51-6611

Head

SN: 630332-UP

1шт.

2

6217-51-5660

Cap

SN: 630332-UP

1шт.

3

6162-55-5230

Valve

SN: 630332-UP

1шт.

4

6162-53-5430

Packing

SN: 630332-UP

1шт.

5

600-211-1890

Spring

SN: 630332-UP

1шт.

6

6261-51-6620

Plug

SN: 630332-UP

2шт.

7

600-211-1340

Cartridge

SN: 630332-UP

2шт.

8

01435-01095

Bolt

SN: 630332-UP

3шт.

9

01436-01040

Bolt

SN: 630332-UP

3шт.

10

6261-51-6120

Tube, Inlet

SN: 630332-UP

1шт.

11

6261-51-6130

Tube, Outlet

SN: 630332-UP

1шт.

12

07000-73034

O-ring

SN: 630332-UP

2шт.

13

01435-01025

Bolt

SN: 630332-UP

4шт.

14

6165-61-6770

Clip

SN: 630332-UP

2шт.

15

6261-51-5751

Cushion

SN: 630332-UP

2шт.

16

01435-01025

Bolt

SN: 630332-UP

1шт.

17

01435-01085

Bolt

SN: 630332-UP

1шт.

18

01643-31032

Washer

SN: 630332-UP

2шт.

19

417-823-1460

Spacer

SN: 630332-UP

1шт.

20

6211-11-9790

Spacer

SN: 630332-UP

1шт.

21

07000-73038

O-ring

SN: 630332-UP

2шт.

22

07000-73034

O-ring

SN: 630332-UP

2шт.

23

6261-51-5180

Flange

SN: 630332-UP

1шт.

24

01435-01045

Bolt

SN: 630332-UP

2шт.

25

01435-01050

Bolt

SN: 630332-UP

2шт.

26

01435-01020

Bolt

SN: 630332-UP

2шт.

27

6261-51-6140

Bracket

SN: 630332-UP

1шт.

28

01435-01025

Bolt

SN: 630332-UP

2шт.

29

6261-51-5840

Bracket

SN: 630332-UP

1шт.

30

01435-01025

Bolt

SN: 630332-UP

6шт.

31

01011-81095

Bolt

SN: 630332-UP

2шт.

32

01643-31032

Washer

SN: 630332-UP

2шт.

Выбрано товаров: 66