Запчасти Komatsu D155AX-3 ПАРКОВОЧН. РЫЧАГ МЕХАНИЗМ И РЕГУЛЯТОР МОТОР КАБИНА ОПЕРАТОРА И СИСТЕМА УПРАВЛЕНИЯ

Схема запчастей Komatsu D155AX-3 - ПАРКОВОЧН. РЫЧАГ МЕХАНИЗМ И РЕГУЛЯТОР МОТОР КАБИНА ОПЕРАТОРА И СИСТЕМА УПРАВЛЕНИЯ
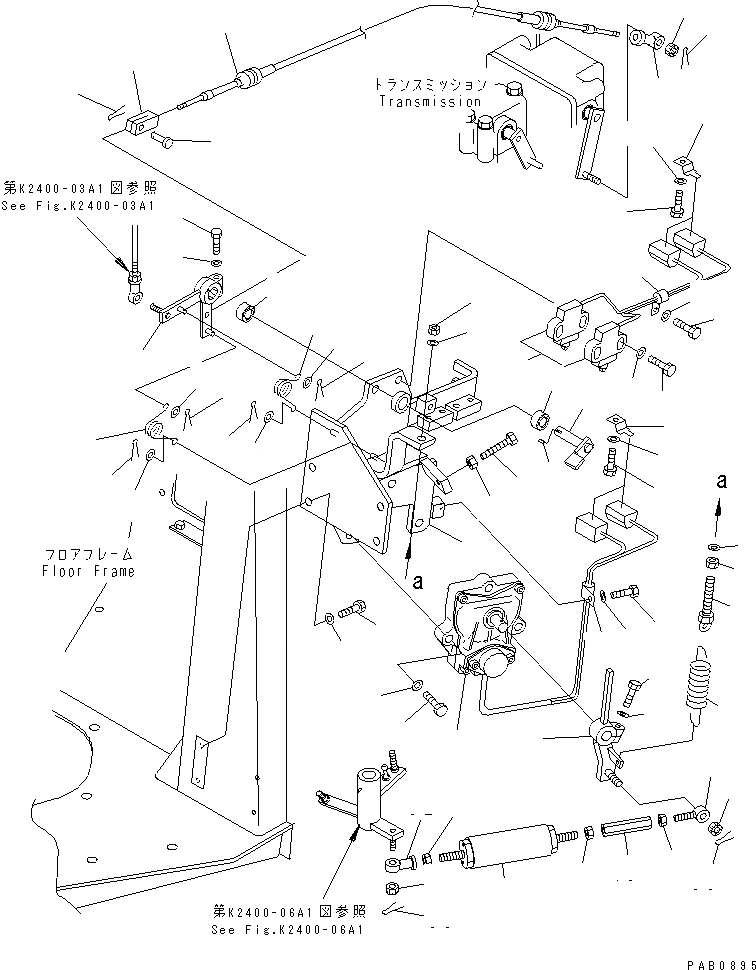
1
2
2
3
4
5
6
7
8
9
9
9
9
10
10
10
10
10A
11
12
13
14
15
16
17
18
19
20
21
22
23
24
25
26
27
28
29
30
31
32
33
34
34
35
35
36
37
38
39
40
41
42
43
44
45
46
47
48
49
50
51
52
53
54
54
55
55
FIT
1:1
100%

Артикул

Название

Примечание

Количество

1

17A-43-11131

BRACKET

SN: 60001-UP

1шт.

2

06123-01414

BEARING,NEEDLE

SN: 60001-UP

2шт.

3

17A-43-13130

SHAFT

SN: 60001-UP

1шт.

4

04010-00516

KEY

SN: 60001-UP

1шт.

5

17A-43-13141

LEVER

SN: 60001-UP

1шт.

6

01010-80830

BOLT

SN: 60001-UP

1шт.

7

01643-30823

WASHER

SN: 60001-UP

1шт.

8

09463-00006

SPRING

SN: 60001-UP

1шт.

9

04050-11612

PIN,COTTER

SN: 60001-UP

4шт.

10

01643-30623

WASHER

SN: 60001-UP

4шт.

10A

09463-00002

SPRING

SN: 60001-UP

1шт.

11

08076-50350

SWITCH

SN: 60001-UP

2шт.

12

01010-81055

BOLT

SN: 60001-UP

2шт.

13

01643-31032

WASHER

SN: 60001-UP

2шт.

14

08036-01014

CLIP

SN: 60001-UP

1шт.

15

01010-81016

BOLT

SN: 60001-UP

1шт.

16

01643-31032

WASHER

SN: 60001-UP

1шт.

17

08053-01510

CLIP

SN: 60001-UP

2шт.

18

01010-81016

BOLT

SN: 60001-UP

2шт.

19

01643-31032

WASHER

SN: 60001-UP

2шт.

20

7834-40-2000

MOTOR ASS'Y

SN: 60001-UP

1шт.

21

01010-81040

BOLT

SN: 60001-UP

3шт.

22

01643-31032

WASHER

SN: 60001-UP

3шт.

23

08036-01214

CLIP

SN: 60001-UP

1шт.

24

01010-81016

BOLT

SN: 60001-UP

1шт.

25

01643-31032

WASHER

SN: 60001-UP

1шт.

26

08053-01510

CLIP

SN: 60001-UP

2шт.

27

01010-81016

BOLT

SN: 60001-UP

2шт.

28

01643-31032

WASHER

SN: 60001-UP

2шт.

29

17A-43-11141

LEVER

SN: 60001-UP

1шт.

30

01010-80830

BOLT

SN: 60001-UP

1шт.

31

01643-30823

WASHER

SN: 60001-UP

1шт.

32

175-33-24650

SPRING

SN: 60001-UP

1шт.

33

17A-43-25421

HOOK

SN: 60001-UP

1шт.

34

01580-11008

NUT

SN: 60001-UP

2шт.

35

01643-31032

WASHER

SN: 60001-UP

2шт.

36

01016-51090

BOLT

SN: 60001-UP

1шт.

37

01580-11008

NUT

SN: 60001-UP

1шт.

38

01010-81025

BOLT

SN: 60001-UP

4шт.

39

01643-31032

WASHER

SN: 60001-UP

4шт.

40

17A-43-13150

CABLE

SN: 60001-UP

1шт.

41

04211-20844

YOKE

SN: 60013-UP

1шт.

41

04210-20832

YOKE

SN: 60001-60012

1шт.

42

04205-10825

PIN

SN: 60001-UP

1шт.

43

04050-12015

PIN,COTTER

SN: 60001-UP

1шт.

44

04250-80847

END,ROD

SN: 60001-UP

1шт.

45

01590-30809

NUT

SN: 60001-UP

1шт.

46

04050-12015

PIN,COTTER

SN: 60001-UP

1шт.

47

17A-43-11151

ROD ASS'Y

SN: 60001-UP

1шт.

48

178-43-12180

BUCKLE

SN: 60001-UP

1шт.

49

01508-21006

NUT,L.H. THREAD

SN: 60001-UP

1шт.

50

01582-11008

NUT

SN: 60001-UP

1шт.

51

04252-31061

END,ROD

SN: 60001-UP

1шт.

52

04250-81056

END,ROD

SN: 60001-UP

1шт.

53

01582-11008

NUT

SN: 60001-UP

1шт.

54

01593-31008

NUT

SN: 60001-UP

2шт.

55

04050-12018

PIN,COTTER

SN: 60001-UP

2шт.

Выбрано товаров: 57