Запчасти Komatsu D155AX-3 СИЛОВАЯ ГИДРОЛИНИЯ СИЛОВАЯ ПЕРЕДАЧА И КОНЕЧНАЯ ПЕРЕДАЧА

Схема запчастей Komatsu D155AX-3 - СИЛОВАЯ ГИДРОЛИНИЯ СИЛОВАЯ ПЕРЕДАЧА И КОНЕЧНАЯ ПЕРЕДАЧА
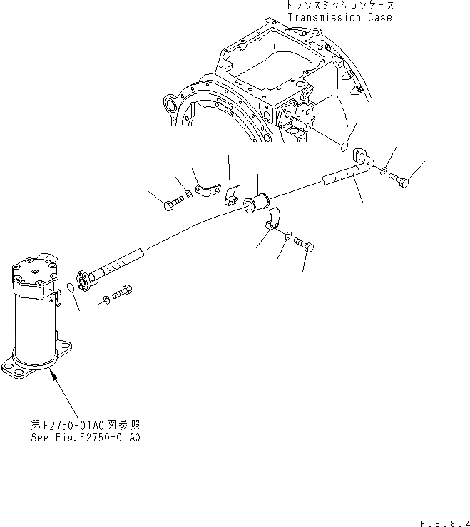
1
2
3
4
5
6
7
7
8
9
10
11
11
FIT
1:1
100%

Артикул

Название

Примечание

Количество

1

01010-81045

BOLT

SN: 60001-UP

2шт.

2

01643-31032

WASHER

SN: 60001-UP

2шт.

3

17A-49-15271

BRACKET

SN: 60001-UP

1шт.

4

01010-81240

BOLT

SN: 60001-UP

1шт.

5

01643-31232

WASHER

SN: 60001-UP

1шт.

6

07095-01035

CUSHION

SN: 60001-UP

1шт.

7

07094-01024

CLAMP

SN: 60001-UP

2шт.

8

01010-81290

BOLT

SN: 60001-UP

2шт.

9

01643-31232

WASHER

SN: 60001-UP

2шт.

10

17A-49-18511

HOSE

SN: 60001-UP

1шт.

11

07000-73032

O-RING

SN: 60001-UP

2шт.

Выбрано товаров: 11