Запчасти Komatsu D155AX-3 ДОПОЛН. МАСЛ. ЛИНИЯ СИЛОВАЯ ПЕРЕДАЧА И КОНЕЧНАЯ ПЕРЕДАЧА

Схема запчастей Komatsu D155AX-3 - ДОПОЛН. МАСЛ. ЛИНИЯ СИЛОВАЯ ПЕРЕДАЧА И КОНЕЧНАЯ ПЕРЕДАЧА
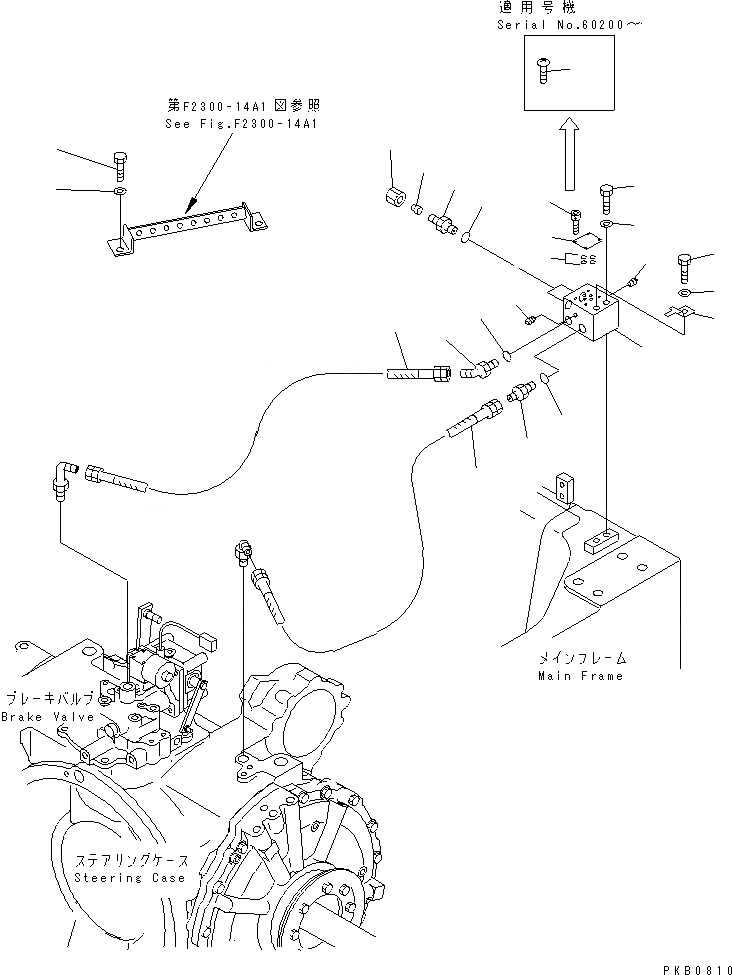
1
2
3
4
4
5
5
6
7
8
9
10
10
11
12
12
13
14
14
15
15
16
17
18
FIT
1:1
100%

Артикул

Название

Примечание

Количество

1

01010-81225

BOLT

SN: 60001-UP

2шт.

2

01643-31232

WASHER

SN: 60001-UP

2шт.

3

17A-79-11311

BODY

SN: 60001-UP

1шт.

4

07230-20315

UNION

SN: 60004-UP

3шт.

4

07230-10315

UNION

SN: 60001-60003

3шт.

5

07002-12034

O-RING

SN: 60001-UP

3шт.

6

07236-10315

ELBOW

SN: 60001-UP

1шт.

7

07002-12034

O-RING

SN: 60001-UP

1шт.

8

07221-20315

NUT

SN: 60001-UP

2шт.

9

07222-00312

PLUG

SN: 60001-UP

2шт.

10

07042-10108

PLUG

SN: 60001-UP

2шт.

11

195-79-12410

PLATE

SN: 60001-UP

1шт.

12

01220-40516

SCREW

SN: 60200-UP

4шт.

12

01252-40520

BOLT

SN: 60001-60199

4шт.

13

07000-11009

O-RING

SN: 60001-UP

4шт.

14

01010-81290

BOLT

SN: 60001-UP

2шт.

15

01643-31232

WASHER

SN: 60001-UP

2шт.

16

08053-01512

CLIP

SN: 60001-UP

1шт.

17

07102-20305

HOSE

SN: 60004-UP

1шт.

17

07102-20304

HOSE

SN: 60001-60003

1шт.

18

07102-20306

HOSE

SN: 60001-UP

1шт.

Выбрано товаров: 21