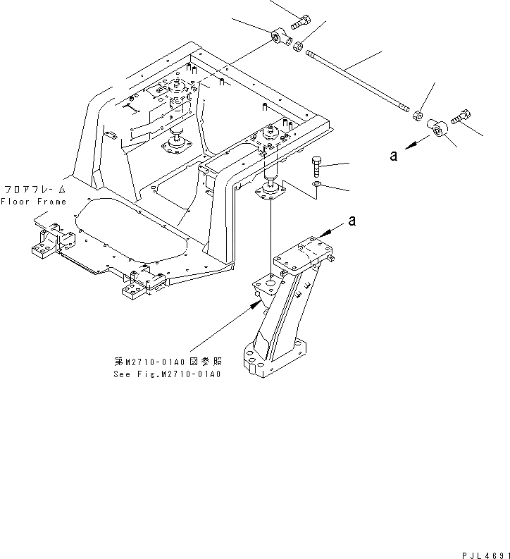
Запчасти Komatsu D155AX-3 ЗАДН. КРЕПЛЕНИЕ ПОЛА КАБИНА ОПЕРАТОРА И СИСТЕМА УПРАВЛЕНИЯ

Схема запчастей Komatsu D155AX-3 - ЗАДН. КРЕПЛЕНИЕ ПОЛА КАБИНА ОПЕРАТОРА И СИСТЕМА УПРАВЛЕНИЯ
1
2
3
4
5
6
7
8
8
FIT
1:1
100%

Артикул

Название

Примечание

Количество

1

01010-61650

BOLT

SN: 60001-UP

8шт.

2

21T-54-16150

WASHER

SN: 60001-UP

8шт.

3

17A-54-16411

ROD

SN: 60001-UP

1шт.

4

17A-54-16420

HEAD ASS'Y

SN: 60001-UP

1шт.

5

01580-12419

NUT

SN: 60001-UP

1шт.

6

17A-54-16440

HEAD ASS'Y

SN: 60001-UP

1шт.

7

230-70-13192

NUT

SN: 60001-UP

1шт.

8

01010-62490

BOLT

SN: 60001-UP

2шт.

Выбрано товаров: 8