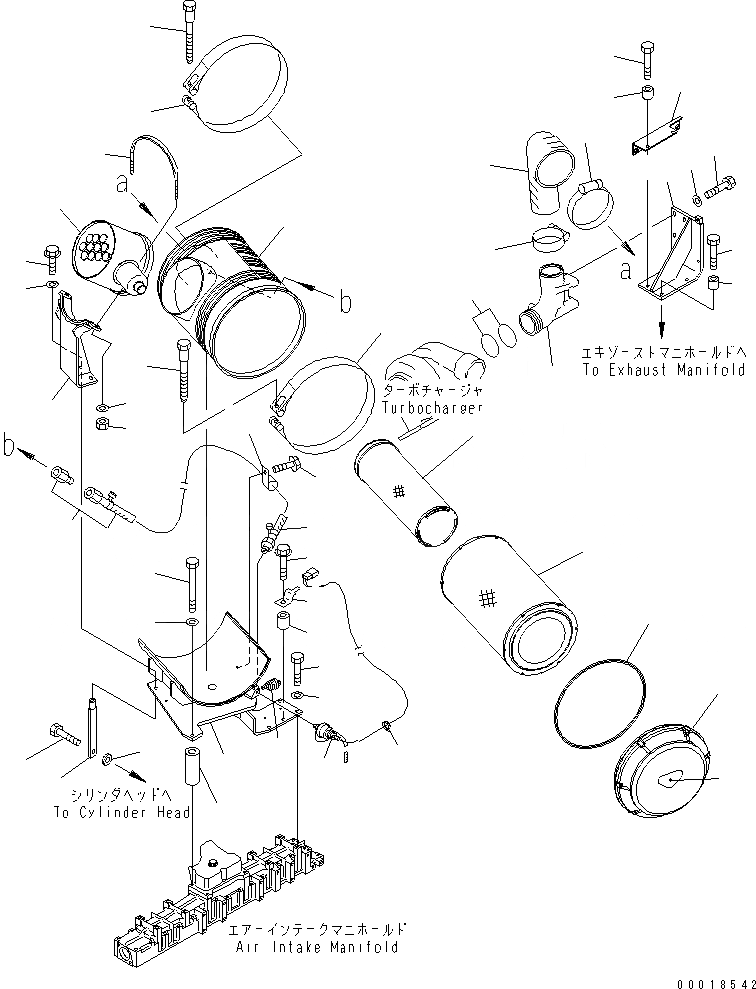
Запчасти Komatsu SA6D140E-2A-7 ВОЗДУХООЧИСТИТЕЛЬ (С ТЕРМОЗАЩИТА) (RADIAL УПЛОТНЕНИЕ ТИП)(№-) ДВИГАТЕЛЬ

Схема запчастей Komatsu SA6D140E-2A-7 - ВОЗДУХООЧИСТИТЕЛЬ (С ТЕРМОЗАЩИТА) (RADIAL УПЛОТНЕНИЕ ТИП)(№-) ДВИГАТЕЛЬ
1
2
3
4
5
6
7
7
8
8
9
10
11
12
13
14
15
16
16
17
18
19
20
21
22
23
24
25
25
26
27
28
29
30
31
32
33
34
35
36
37
37
38
39
40
41
42
43
44
1
2
3
4
5
6
7
7
8
8
9
10
11
12
13
14
15
16
16
17
18
19
20
21
22
23
24
25
25
26
27
28
29
30
31
32
33
34
35
36
37
37
38
39
40
41
42
43
44
FIT
1:1
100%

Артикул

Название

Примечание

Количество

|$2

6211-82-7201

AIR CLEANER ASS

SN: 33753-UP

1шт.

|$3

0

AIR CLEANER ASS'Y

SN: 31216-33752

1шт.

1

6211-82-7210

BODY

SN: 31216-UP

1шт.

|$5

600-185-6100

ELEMENT ASS'Y

SN: 31216-UP

1шт.

2

600-184-1671

O-RING

SN: 31216-UP

1шт.

3

600-185-6110

ELEMENT,OUTER

SN: 31216-UP

1шт.

4

0

ELEMENT,INNER

SN: 31216-UP

1шт.

5

600-184-1632

COVER

SN: 33807-UP

1шт.

5

0

COVER

SN: 31216-33806

1шт.

6

600-184-2810

PLATE,NAME

SN: 31216-UP

1шт.

7

6240-11-9910

BAND

SN: 31216-UP

2шт.

8

6643-11-4641

BOLT

SN: 31216-UP

2шт.

9

600-183-7541

PRE-CLEANER ASS'Y

SN: 32977-UP

1шт.

9

0

PRE-CLEANER ASS'Y

SN: 31216-32976

1шт.

10

6211-12-4430

CONNECTOR

SN: 31216-UP

1шт.

11

02895-67081

O-RING (K1)

SN: 31216-UP

2шт.

12

6211-12-4441

BRACKET

SN: 31216-UP

1шт.

13

01010-81035

BOLT

SN: 31216-UP

4шт.

14

01643-31032

WASHER

SN: 31216-UP

4шт.

15

01010-81040

BOLT

SN: 31216-UP

2шт.

16

6631-11-5630

SPACER

SN: 31216-UP

4шт.

17

01010-81045

BOLT

SN: 31216-UP

2шт.

18

6211-11-9640

BRACKET

SN: 31216-UP

1шт.

19

6211-12-4470

HOSE

SN: 31216-UP

1шт.

20

07289-00105

CLAMP

SN: 31216-UP

1шт.

21

07289-00170

CLAMP,HOSE

SN: 31216-UP

1шт.

22

6211-12-4520

BRACKET

SN: 31216-UP

1шт.

23

01011-81010

BOLT

SN: 31216-UP

1шт.

24

6150-81-6940

SPACER

SN: 31216-UP

1шт.

25

01643-31032

WASHER

SN: 31216-UP

6шт.

26

01010-81030

BOLT

SN: 31216-UP

5шт.

27

6211-12-4420

BRACKET

SN: 31216-UP

1шт.

28

6136-11-2980

SPACER

SN: 31216-UP

3шт.

29

01050-51030

BOLT

SN: 31216-UP

3шт.

30

6211-12-4530

BRACKET

SN: 31216-UP

1шт.

31

01010-81030

BOLT

SN: 31216-UP

2шт.

32

01643-31032

WASHER

SN: 31216-UP

2шт.

33

6211-12-4540

BAND

SN: 31216-UP

1шт.

34

01596-00807

NUT

SN: 31216-UP

2шт.

35

01643-31032

WASHER

SN: 31216-UP

2шт.

36

7861-93-1420

SENSOR,SWITCH

SN: 31216-UP

1шт.

37

08671-70080

HOSE

SN: 31216-UP

1шт.

38

04434-51410

CLIP

SN: 31216-UP

1шт.

39

01435-01016

BOLT

SN: 31216-UP

1шт.

40

08672-01000

INDICATOR,DUST

SN: 31216-UP

1шт.

41

144-874-7470

BOSS

SN: 31216-UP

1шт.

42

01435-01040

BOLT

SN: 31216-UP

1шт.

43

08034-00519

BAND

SN: 31216-UP

1шт.

44

08193-20010

CLIP

SN: 31216-UP

1шт.

|$2

6211-82-7201

AIR CLEANER ASS

SN: 33753-UP

1шт.

|$3

0

AIR CLEANER ASS'Y

SN: 31216-33752

1шт.

1

6211-82-7210

BODY

SN: 31216-UP

1шт.

|$5

600-185-6100

ELEMENT ASS'Y

SN: 31216-UP

1шт.

2

600-184-1671

O-RING

SN: 31216-UP

1шт.

3

600-185-6110

ELEMENT,OUTER

SN: 31216-UP

1шт.

4

0

ELEMENT,INNER

SN: 31216-UP

1шт.

5

600-184-1632

COVER

SN: 33807-UP

1шт.

5

0

COVER

SN: 31216-33806

1шт.

6

600-184-2810

PLATE,NAME

SN: 31216-UP

1шт.

7

6240-11-9910

BAND

SN: 31216-UP

2шт.

8

6643-11-4641

BOLT

SN: 31216-UP

2шт.

9

600-183-7541

PRE-CLEANER ASS'Y

SN: 32977-UP

1шт.

9

0

PRE-CLEANER ASS'Y

SN: 31216-32976

1шт.

10

6211-12-4430

CONNECTOR

SN: 31216-UP

1шт.

11

02895-67081

O-RING (K1)

SN: 31216-UP

2шт.

12

6211-12-4441

BRACKET

SN: 31216-UP

1шт.

13

01010-81035

BOLT

SN: 31216-UP

4шт.

14

01643-31032

WASHER

SN: 31216-UP

4шт.

15

01010-81040

BOLT

SN: 31216-UP

2шт.

16

6631-11-5630

SPACER

SN: 31216-UP

4шт.

17

01010-81045

BOLT

SN: 31216-UP

2шт.

18

6211-11-9640

BRACKET

SN: 31216-UP

1шт.

19

6211-12-4470

HOSE

SN: 31216-UP

1шт.

20

07289-00105

CLAMP

SN: 31216-UP

1шт.

21

07289-00170

CLAMP,HOSE

SN: 31216-UP

1шт.

22

6211-12-4520

BRACKET

SN: 31216-UP

1шт.

23

01011-81010

BOLT

SN: 31216-UP

1шт.

24

6150-81-6940

SPACER

SN: 31216-UP

1шт.

25

01643-31032

WASHER

SN: 31216-UP

6шт.

26

01010-81030

BOLT

SN: 31216-UP

5шт.

27

6211-12-4420

BRACKET

SN: 31216-UP

1шт.

28

6136-11-2980

SPACER

SN: 31216-UP

3шт.

29

01050-51030

BOLT

SN: 31216-UP

3шт.

30

6211-12-4530

BRACKET

SN: 31216-UP

1шт.

31

01010-81030

BOLT

SN: 31216-UP

2шт.

32

01643-31032

WASHER

SN: 31216-UP

2шт.

33

6211-12-4540

BAND

SN: 31216-UP

1шт.

34

01596-00807

NUT

SN: 31216-UP

2шт.

35

01643-31032

WASHER

SN: 31216-UP

2шт.

36

7861-93-1420

SENSOR,SWITCH

SN: 31216-UP

1шт.

37

08671-70080

HOSE

SN: 31216-UP

1шт.

38

04434-51410

CLIP

SN: 31216-UP

1шт.

39

01435-01016

BOLT

SN: 31216-UP

1шт.

40

08672-01000

INDICATOR,DUST

SN: 31216-UP

1шт.

41

144-874-7470

BOSS

SN: 31216-UP

1шт.

42

01435-01040

BOLT

SN: 31216-UP

1шт.

43

08034-00519

BAND

SN: 31216-UP

1шт.

44

08193-20010

CLIP

SN: 31216-UP

1шт.

Выбрано товаров: 0