Запчасти Komatsu SA6D140E-2A-7 ТОПЛ. НАСОС (НАСОС) (/) (ВНУТР. ЧАСТИ) ДВИГАТЕЛЬ

Схема запчастей Komatsu SA6D140E-2A-7 - ТОПЛ. НАСОС (НАСОС) (/) (ВНУТР. ЧАСТИ) ДВИГАТЕЛЬ
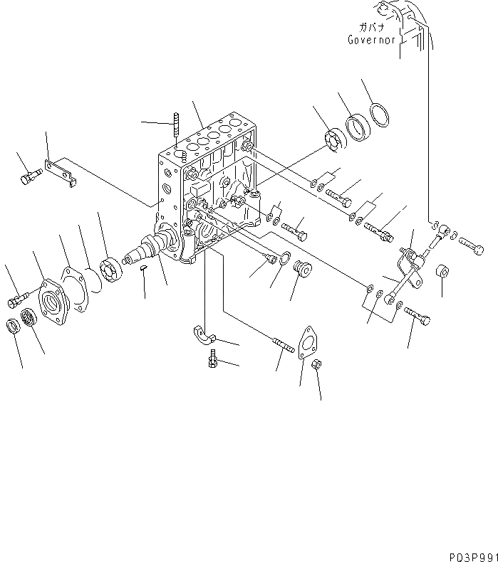
1
2
3
4
5
6
7
8
9
10
11
12
13
14
15
16
17
18
19
20
21
22
23
24
25
26
27
28
29
30
31
32
33
34
35
1
2
3
4
5
6
7
8
9
10
11
12
13
14
15
16
17
18
19
20
21
22
23
24
25
26
27
28
29
30
31
32
33
34
35
FIT
1:1
100%

Артикул

Название

Примечание

Количество

|$1

6211-72-1121

INJECTION PUMP ASS'Y

SN: 22871-UP

1шт.

|$2

0

INJECTION PUMP ASS'Y

SN: 22537-22870

1шт.

|$$3

THESE ASSEMBLIES CONSIST OF ALL PARTS SHOWN IN FIGS.A4010-B4F4 T0 A4010-H4F4.

-1шт.

|$6

DK106067-0820

PUMP ASS'Y

SN: 22537-UP

1шт.

|$$5

THIS ASSEMBLY CONSISTS OF ALL PARTS SHOWN IN FIGS.A4010-B4F4 AND A4010-C4F4.

-1шт.

1

DK134063-2320

HOUSING

SN: 22537-UP

1шт.

2

DK029040-6020

STUD

SN: 22537-UP

3шт.

3

DK134311-0000

RING

SN: 22537-UP

1шт.

4

DK134138-0000

STUD

SN: 22537-UP

12шт.

5

DK016650-2230

BEARING

SN: 22537-UP

1шт.

6

DK134303-0400

SHIM, 0.60MM

SN: 22537-UP

-2шт.

6

DK134303-0000

SHIM, 1.20MM

SN: 22537-UP

-2шт.

6

DK134303-0100

SHIM, 1.50MM

SN: 22537-UP

-2шт.

6

DK134303-0200

SHIM, 1.80MM

SN: 22537-UP

-2шт.

6

DK134303-0300

SHIM, 2.00MM

SN: 22537-UP

-2шт.

7

DK029010-6810

BOLT

SN: 22537-UP

4шт.

8

DK134371-7300

CAMSHAFT

SN: 22537-UP

1шт.

9

DK134306-0600

BEARING,CENTER

SN: 22537-UP

1шт.

10

DK020106-2040

BOLT

SN: 22537-UP

2шт.

11

DK016650-2230

BEARING

SN: 22537-UP

1шт.

12

DK134316-1700

COVER

SN: 22537-UP

1шт.

13

DK139629-0000

SEAL,OIL

SN: 22537-UP

1шт.

14

DK134314-0000

SHIM, 0.10MM

SN: 22537-UP

-2шт.

14

DK134314-0100

SHIM, 0.12MM

SN: 22537-UP

-2шт.

14

DK134314-0200

SHIM, 0.14MM

SN: 22537-UP

-2шт.

14

DK134314-0300

SHIM, 0.16MM

SN: 22537-UP

-2шт.

14

DK134314-0400

SHIM, 0.18MM

SN: 22537-UP

-2шт.

14

DK134314-0500

SHIM, 0.30MM

SN: 22537-UP

-2шт.

14

DK134314-0600

SHIM, 0.50MM

SN: 22537-UP

-2шт.

15

DK029635-5010

O-RING

SN: 22537-UP

1шт.

16

DK134563-0900

SLEEVE

SN: 22537-UP

1шт.

17

DK134045-0100

PLUG

SN: 22537-UP

1шт.

18

DK026524-2940

GASKET

SN: 22537-UP

1шт.

19

DK139206-0400

NUT

SN: 22537-UP

3шт.

20

DK131041-0800

GASKET

SN: 22537-UP

1шт.

21

DK134047-0000

PLUG

SN: 22537-UP

6шт.

22

DK025805-1910

KEY

SN: 22537-UP

1шт.

23

DK134496-0300

POINTER

SN: 22537-UP

1шт.

24

DK020006-1240

BOLT

SN: 22537-UP

2шт.

25

DK134430-3520

BOLT,EYE

SN: 22537-UP

1шт.

26

DK029341-4130

GASKET

SN: 22537-UP

2шт.

27

DK134442-0720

PIPE

SN: 22537-UP

1шт.

28

DK029731-0490

BOLT,EYE

SN: 22537-UP

1шт.

29

DK029341-0110

GASKET

SN: 22537-UP

3шт.

30

DK131424-3420

VALVE,OVER FLOW

SN: 22537-UP

1шт.

31

DK029341-4130

GASKET

SN: 22537-UP

2шт.

32

DK029731-4680

BOLT,EYE

SN: 22537-UP

1шт.

33

DK029341-4130

GASKET

SN: 22537-UP

2шт.

34

DK134510-8720

BRACKET

SN: 22537-UP

1шт.

35

DK134510-8800

SPACER

SN: 22537-UP

1шт.

|$1

6211-72-1121

INJECTION PUMP ASS'Y

SN: 22871-UP

1шт.

|$2

0

INJECTION PUMP ASS'Y

SN: 22537-22870

1шт.

|$$3

THESE ASSEMBLIES CONSIST OF ALL PARTS SHOWN IN FIGS.A4010-B4F4 T0 A4010-H4F4.

-1шт.

|$6

DK106067-0820

PUMP ASS'Y

SN: 22537-UP

1шт.

|$$5

THIS ASSEMBLY CONSISTS OF ALL PARTS SHOWN IN FIGS.A4010-B4F4 AND A4010-C4F4.

-1шт.

1

DK134063-2320

HOUSING

SN: 22537-UP

1шт.

2

DK029040-6020

STUD

SN: 22537-UP

3шт.

3

DK134311-0000

RING

SN: 22537-UP

1шт.

4

DK134138-0000

STUD

SN: 22537-UP

12шт.

5

DK016650-2230

BEARING

SN: 22537-UP

1шт.

6

DK134303-0400

SHIM, 0.60MM

SN: 22537-UP

-2шт.

6

DK134303-0000

SHIM, 1.20MM

SN: 22537-UP

-2шт.

6

DK134303-0100

SHIM, 1.50MM

SN: 22537-UP

-2шт.

6

DK134303-0200

SHIM, 1.80MM

SN: 22537-UP

-2шт.

6

DK134303-0300

SHIM, 2.00MM

SN: 22537-UP

-2шт.

7

DK029010-6810

BOLT

SN: 22537-UP

4шт.

8

DK134371-7300

CAMSHAFT

SN: 22537-UP

1шт.

9

DK134306-0600

BEARING,CENTER

SN: 22537-UP

1шт.

10

DK020106-2040

BOLT

SN: 22537-UP

2шт.

11

DK016650-2230

BEARING

SN: 22537-UP

1шт.

12

DK134316-1700

COVER

SN: 22537-UP

1шт.

13

DK139629-0000

SEAL,OIL

SN: 22537-UP

1шт.

14

DK134314-0000

SHIM, 0.10MM

SN: 22537-UP

-2шт.

14

DK134314-0100

SHIM, 0.12MM

SN: 22537-UP

-2шт.

14

DK134314-0200

SHIM, 0.14MM

SN: 22537-UP

-2шт.

14

DK134314-0300

SHIM, 0.16MM

SN: 22537-UP

-2шт.

14

DK134314-0400

SHIM, 0.18MM

SN: 22537-UP

-2шт.

14

DK134314-0500

SHIM, 0.30MM

SN: 22537-UP

-2шт.

14

DK134314-0600

SHIM, 0.50MM

SN: 22537-UP

-2шт.

15

DK029635-5010

O-RING

SN: 22537-UP

1шт.

16

DK134563-0900

SLEEVE

SN: 22537-UP

1шт.

17

DK134045-0100

PLUG

SN: 22537-UP

1шт.

18

DK026524-2940

GASKET

SN: 22537-UP

1шт.

19

DK139206-0400

NUT

SN: 22537-UP

3шт.

20

DK131041-0800

GASKET

SN: 22537-UP

1шт.

21

DK134047-0000

PLUG

SN: 22537-UP

6шт.

22

DK025805-1910

KEY

SN: 22537-UP

1шт.

23

DK134496-0300

POINTER

SN: 22537-UP

1шт.

24

DK020006-1240

BOLT

SN: 22537-UP

2шт.

25

DK134430-3520

BOLT,EYE

SN: 22537-UP

1шт.

26

DK029341-4130

GASKET

SN: 22537-UP

2шт.

27

DK134442-0720

PIPE

SN: 22537-UP

1шт.

28

DK029731-0490

BOLT,EYE

SN: 22537-UP

1шт.

29

DK029341-0110

GASKET

SN: 22537-UP

3шт.

30

DK131424-3420

VALVE,OVER FLOW

SN: 22537-UP

1шт.

31

DK029341-4130

GASKET

SN: 22537-UP

2шт.

32

DK029731-4680

BOLT,EYE

SN: 22537-UP

1шт.

33

DK029341-4130

GASKET

SN: 22537-UP

2шт.

34

DK134510-8720

BRACKET

SN: 22537-UP

1шт.

35

DK134510-8800

SPACER

SN: 22537-UP

1шт.

Выбрано товаров: 100