Запчасти Komatsu D155AX-5 ОСНОВН. РАМА (НИЗ. NOISE) (ДЛЯ УГОЛЬН. DOZER)(№77-) ОСНОВН. РАМА И КОМПОНЕНТЫ

Схема запчастей Komatsu D155AX-5 - ОСНОВН. РАМА (НИЗ. NOISE) (ДЛЯ УГОЛЬН. DOZER)(№77-) ОСНОВН. РАМА И КОМПОНЕНТЫ
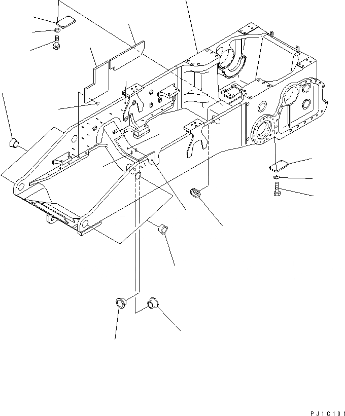
1
2
3
4
4
5
5
6
6
7
7
8
8
9
10
11
12
13
14
FIT
1:1
100%

Артикул

Название

Примечание

Количество

1

17A-862-4240

FRAME ASS'Y

SN: 75207-UP

1шт.

2

124-A62-1910

STUD (WELDED)

SN: 75207-UP

8шт.

3

154-862-7240

STUD (WELDED)

SN: 75207-UP

19шт.

4

17A-50-12280

BUSHING

SN: 75207-UP

2шт.

5

17A-21-11161

BUSHING

SN: 75207-UP

4шт.

6

17A-21-11151

PLATE

SN: 75207-UP

2шт.

7

01010-81225

BOLT

SN: 75207-UP

8шт.

8

01643-31232

WASHER

SN: 75207-UP

8шт.

9

17A-61-13211

GROMMET

SN: 75207-UP

1шт.

10

17A-862-4250

FELT

SN: 75207-UP

1шт.

11

17A-862-4260

FELT

SN: 75207-UP

1шт.

12

17A-862-4270

FELT

SN: 75207-UP

1шт.

13

17A-862-3410

FELT

SN: 75207-UP

1шт.

14

124-A62-1920

CAP

SN: 75207-UP

27шт.

Выбрано товаров: 14