Запчасти Komatsu D155AX-5 ОСНОВН. КОНСТРУКЦИЯ EIRING (ПЕРЕКЛЮЧАТЕЛЬ И КОНТРОЛЛЕР)(№7-7999) КАБИНА ОПЕРАТОРА И СИСТЕМА УПРАВЛЕНИЯ

Схема запчастей Komatsu D155AX-5 - ОСНОВН. КОНСТРУКЦИЯ EIRING (ПЕРЕКЛЮЧАТЕЛЬ И КОНТРОЛЛЕР)(№7-7999) КАБИНА ОПЕРАТОРА И СИСТЕМА УПРАВЛЕНИЯ
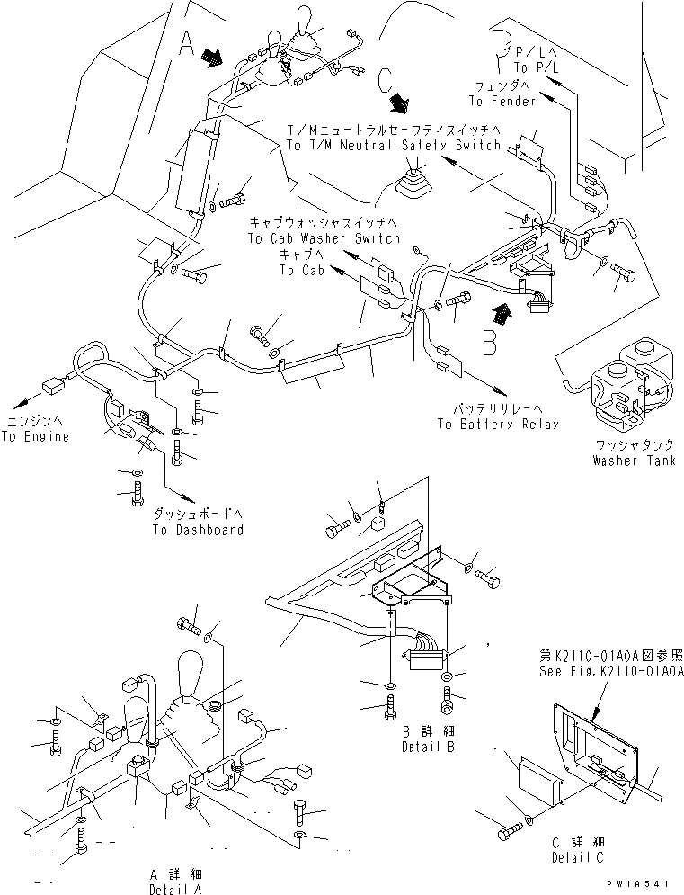
1
2
3
4
5
6
6
6
6
7
8
9
10
11
12
13
13
13
14
15
15
15
15
16
16
16
16
17
18
19
20
21
21
21
22
23
23
23
23
24
24
24
24
24
24
25
26
27
28
29
30
31
32
33
34
35
36
37
38
39
40
41
42
43
44
45
FIT
1:1
100%

Артикул

Название

Примечание

Количество

1

08064-10000

HORN SWITCH,HORN

SN: 70001-75999

1шт.

2

7861-92-9120

WIRING HARNESS

SN: 70001-75999

1шт.

3

7830-53-4403

CONTROLLER

SN: 75001-75999

1шт.

4

01010-80825

BOLT

SN: 70001-75999

4шт.

5

01643-30823

WASHER

SN: 70001-75999

4шт.

6

17A-06-17461

WIRING HARNESS

SN: 75001-75999

1шт.

7

195-Z11-2280

BODY

SN: 70001-75999

1шт.

8

195-Z11-2290

COVER

SN: 70001-75999

1шт.

|9

205-06-73180

FUSE¤ 15A

SN: 75001-75999

1шт.

|9

283-06-16190

FUSE¤ 10A

SN: 75001-75999

1шт.

|9

22W-06-13160

FUSE¤ 20A

SN: 75001-75999

1шт.

9

569-06-61960

RELAY

SN: 75001-75999

3шт.

10

287-06-16420

BRACKET

SN: 75001-75999

3шт.

11

01010-80610

BOLT

SN: 75001-75999

3шт.

12

01643-30623

WASHER

SN: 75001-75999

3шт.

13

04434-53412

CLIP

SN: 75001-75999

4шт.

14

04434-52712

CLIP

SN: 75001-75999

2шт.

15

01010-81020

BOLT

SN: 75001-75999

6шт.

16

01643-31032

WASHER

SN: 75001-75999

6шт.

17

144-A74-1460

CLIP

SN: 75001-75999

1шт.

18

21T-38-12270

CLIP

SN: 70001-75999

1шт.

19

01010-81020

BOLT

SN: 70001-75999

1шт.

20

01643-31032

WASHER

SN: 70001-75999

1шт.

21

04434-51412

CLIP

SN: 75001-75999

5шт.

22

04434-51010

CLIP

SN: 75001-75999

1шт.

23

01010-81020

BOLT

SN: 70001-75999

6шт.

24

01643-31032

WASHER

SN: 70001-75999

6шт.

25

01252-30616

BOLT

SN: 70001-75999

2шт.

26

01641-20608

WASHER

SN: 70001-75999

2шт.

27

17A-06-17331

BRACKET

SN: 75001-75999

1шт.

28

01010-81020

BOLT

SN: 70001-75999

2шт.

29

01643-31032

WASHER

SN: 70001-75999

2шт.

30

09415-02520

CAP

SN: 70001-75999

1шт.

31

17A-06-11291

WIRING HARNESS

SN: 70001-75999

1шт.

32

135-06-34250

GROMMET

SN: 70001-75999

1шт.

33

08053-00910

CLIP

SN: 70001-75999

1шт.

34

01010-81020

BOLT

SN: 70001-75999

1шт.

35

01643-31032

WASHER

SN: 70001-75999

1шт.

36

04434-31010

CLIP

SN: 75001-75999

1шт.

37

01010-81016

BOLT

SN: 70001-75999

1шт.

38

01643-31032

WASHER

SN: 70001-75999

1шт.

39

08193-21012

CLIP

SN: 75001-75999

1шт.

40

01010-81020

BOLT

SN: 70001-75999

1шт.

41

01643-31032

WASHER

SN: 70001-75999

1шт.

42

135-06-34260

GROMMET

SN: 70001-75999

1шт.

43

17A-06-17361

BRACKET

SN: 75001-75999

1шт.

44

01010-81225

BOLT

SN: 70001-75999

1шт.

45

01643-31232

WASHER

SN: 70001-75999

1шт.

Выбрано товаров: 48