Запчасти Komatsu D155AX-5 ОСНОВН. КОНСТРУКЦИЯ ЭЛЕКТРОПРОВОДКА (ПЕРЕКЛЮЧАТЕЛЬ И КОНТРОЛЛЕР)(№7-) КАБИНА ОПЕРАТОРА И СИСТЕМА УПРАВЛЕНИЯ

Схема запчастей Komatsu D155AX-5 - ОСНОВН. КОНСТРУКЦИЯ ЭЛЕКТРОПРОВОДКА (ПЕРЕКЛЮЧАТЕЛЬ И КОНТРОЛЛЕР)(№7-) КАБИНА ОПЕРАТОРА И СИСТЕМА УПРАВЛЕНИЯ
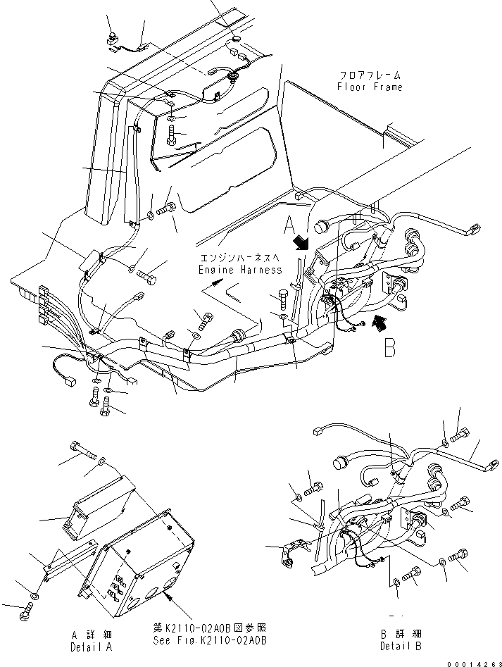
1
2
3
4
5
6
7
8
9
9
10
11
11
12
13
14
15
16
17
18
19
20
21
22
23
24
25
25
26
27
28
29
30
31
32
33
34
35
36
37
38
39
40
41
42
43
FIT
1:1
100%

Артикул

Название

Примечание

Количество

1

08064-10000

HORN SWITCH

SN: 76001-UP

1шт.

2

14X-06-21710

WIRING HARNESS

SN: 76001-UP

1шт.

3

7830-54-1003

CONTROLLER

SN: 76049-UP

1шт.

|3

7830-54-1000

CONTROLLER

SN: 76001-76048

1шт.

4

01010-80885

BOLT

SN: 76001-UP

4шт.

5

01643-30823

WASHER

SN: 76001-UP

4шт.

6

154-54-73291

BRACKET

SN: 76001-UP

1шт.

7

01010-80816

BOLT

SN: 76001-UP

2шт.

8

01643-30823

WASHER

SN: 76001-UP

2шт.

9

17A-06-25111

WIRING HARNESS

SN: 76001-UP

1шт.

10

7861-92-9110

SWITCH

SN: 76001-UP

1шт.

11

04434-53411

CLIP

SN: 76001-UP

3шт.

12

01010-81020

BOLT

SN: 76001-UP

3шт.

13

01643-31032

WASHER

SN: 76001-UP

3шт.

14

01010-81016

BOLT

SN: 76001-UP

1шт.

15

01643-31032

WASHER

SN: 76001-UP

1шт.

16

04434-52711

CLIP

SN: 76001-UP

1шт.

17

01010-81020

BOLT

SN: 76001-UP

1шт.

18

01643-31032

WASHER

SN: 76001-UP

1шт.

19

144-A74-1460

CLIP

SN: 76001-UP

1шт.

20

01010-81020

BOLT

SN: 76001-UP

1шт.

21

01643-31032

WASHER

SN: 76001-UP

1шт.

22

04434-53411

CLIP

SN: 76001-UP

1шт.

23

01010-81025

BOLT

SN: 76001-UP

1шт.

24

01643-31032

WASHER

SN: 76001-UP

1шт.

25

04434-51910

CLIP

SN: 76001-UP

3шт.

26

01010-81020

BOLT

SN: 76001-UP

3шт.

27

01643-31032

WASHER

SN: 76001-UP

3шт.

28

04434-51910

CLIP

SN: 76001-UP

2шт.

29

01010-81020

BOLT

SN: 76001-UP

2шт.

30

01643-31032

WASHER

SN: 76001-UP

2шт.

31

04434-51010

CLIP

SN: 76001-UP

1шт.

32

08193-20010

CLIP

SN: 76001-UP

1шт.

33

01010-81020

BOLT

SN: 76001-UP

1шт.

34

01643-31032

WASHER

SN: 76001-UP

1шт.

35

04434-51010

CLIP

SN: 76001-UP

1шт.

36

01010-81020

BOLT

SN: 76001-UP

1шт.

37

01643-31032

WASHER

SN: 76001-UP

1шт.

38

17A-06-25191

BRACKET

SN: 76001-UP

1шт.

39

01010-81020

BOLT

SN: 76001-UP

2шт.

40

01643-31032

WASHER

SN: 76001-UP

2шт.

41

17A-06-25320

BRACKET

SN: 76001-UP

1шт.

42

01010-81025

BOLT

SN: 76001-UP

2шт.

43

01643-31032

WASHER

SN: 76001-UP

2шт.

Выбрано товаров: 44