Запчасти Komatsu D155AX-5 ЭЛЕКТРОПРОВОДКА (КРЫЛО)(№7-7999) ЧАСТИ КОРПУСА

Схема запчастей Komatsu D155AX-5 - ЭЛЕКТРОПРОВОДКА (КРЫЛО)(№7-7999) ЧАСТИ КОРПУСА
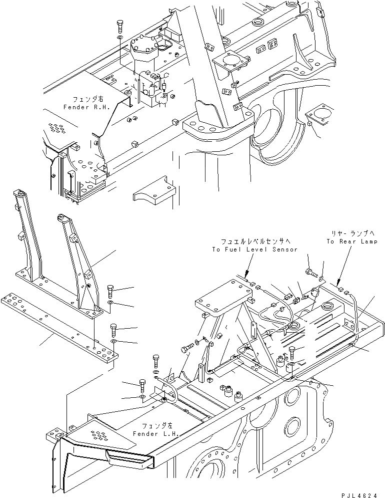
1
2
2
2
2
2
2
3
4
5
6
7
8
8
9
10
11
12
13
14
15
16
17
FIT
1:1
100%

Артикул

Название

Примечание

Количество

1

17A-06-13321

WIRING HARNESS

SN: 70001-74999

1шт.

2

08036-01414

CLIP

SN: 70001-74999

8шт.

3

01010-81220

BOLT

SN: 70001-74999

8шт.

4

01643-31232

WASHER

SN: 70001-74999

8шт.

5

08053-01512

CLIP

SN: 70001-@

1шт.

6

01010-81220

BOLT

SN: 70001-@

1шт.

7

01643-31232

WASHER

SN: 70001-@

1шт.

8

195-06-46280

CONNECTOR ASS'Y

SN: 70001-@

2шт.

9

175-06-51440

WIRE

SN: 70001-@

1шт.

10

01010-81020

BOLT

SN: 70001-@

1шт.

11

01643-31032

WASHER

SN: 70001-@

1шт.

12

17A-54-12461

BRACKET

SN: 70001-@

1шт.

13

17A-54-22620

PLATE

SN: 70001-@

1шт.

14

01010-61645

BOLT

SN: 70001-@

8шт.

15

01643-31645

WASHER

SN: 70001-@

8шт.

16

01010-81245

BOLT

SN: 70001-@

4шт.

17

01643-31232

WASHER

SN: 70001-@

4шт.

Выбрано товаров: 0