Запчасти Komatsu D155AX-5 ГУСЕНИЧНАЯ РАМА (ЛЕВ.) (ПОЛН. ЗАЩИТА КАТКОВ) ХОДОВАЯ

Схема запчастей Komatsu D155AX-5 - ГУСЕНИЧНАЯ РАМА (ЛЕВ.) (ПОЛН. ЗАЩИТА КАТКОВ) ХОДОВАЯ
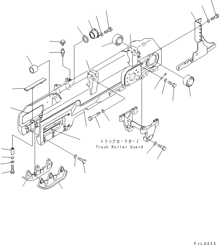
1
2
3
3A
3B
4
5
6
7
8
9
10
11
12
13
14
15
16
17
18
19
20
21
22
23
24
25
26
27
28
29
30
31
FIT
1:1
100%

Артикул

Название

Примечание

Количество

1

17A-30-17611

FRAME,L.H.

SN: 76081-UP

1шт.

|1

17A-30-17610

FRAME,L.H.

SN: 70001-76080

1шт.

2

17A-30-11541

SUPPORT (WELDED)

SN: 70001-UP

1шт.

3

17A-30-11671

SUPPORT (WELDED)

SN: 70001-UP

1шт.

3A

17A-30-11591

GUIDE (WELDED)

SN: 70001-UP

1шт.

3B

17A-30-11611

GUIDE (WELDED)

SN: 70001-UP

1шт.

4

17A-50-11120

BUSHING

SN: 70001-UP

1шт.

5

17A-50-11130

BUSHING

SN: 70001-UP

1шт.

6

17A-50-12431

BUSHING

SN: 70001-UP

1шт.

7

17A-50-12291

SEAL

SN: 70001-UP

1шт.

8

17A-50-12351

CAGE

SN: 70001-UP

1шт.

9

01010-81230

BOLT

SN: 70001-UP

2шт.

10

01643-31232

WASHER

SN: 70001-UP

2шт.

11

428-54-11480

PLATE

SN: 70001-UP

1шт.

12

01010-61640

BOLT

SN: 70001-UP

2шт.

13

01643-31645

WASHER

SN: 70001-UP

2шт.

14

17A-30-17510

GUARD,L.H.

SN: 70001-UP

1шт.

15

01010-62250

BOLT

SN: 70001-UP

5шт.

16

01643-32260

WASHER

SN: 70001-UP

5шт.

17

01010-62260

BOLT

SN: 70001-UP

2шт.

18

01643-32260

WASHER

SN: 70001-UP

2шт.

19

17A-30-17251

GUARD,L.H.

SN: 70001-UP

1шт.

20

17A-30-17261

GUARD,R.H.

SN: 70001-UP

1шт.

21

01010-62275

BOLT

SN: 70001-UP

12шт.

22

01643-32260

WASHER

SN: 70001-UP

12шт.

23

01011-62005

BOLT

SN: 70001-UP

4шт.

24

01643-32060

WASHER

SN: 70001-UP

4шт.

25

195-50-22990

PLUG

SN: 70001-UP

1шт.

26

07020-00000

FITTING,GREASE

SN: 70001-UP

1шт.

27

17A-30-12241

GUIDE PLATE ASS'Y

SN: 70001-UP

2шт.

28

155-30-13230

SPRING

SN: 70001-UP

4шт.

29

195-30-17960

SEAT

SN: 70001-UP

4шт.

30

01016-51260

BOLT

SN: 70001-UP

4шт.

31

01643-31232

WASHER

SN: 70001-UP

4шт.

Выбрано товаров: 0