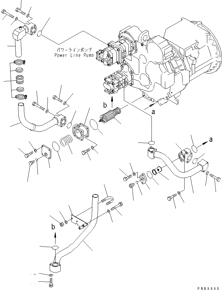
Запчасти Komatsu D155AX-5 СИЛОВАЯ ЛИНИЯ (ВСАСЫВ.)(№7-7999) СИЛОВАЯ ПЕРЕДАЧА И КОНЕЧНАЯ ПЕРЕДАЧА

Схема запчастей Komatsu D155AX-5 - СИЛОВАЯ ЛИНИЯ (ВСАСЫВ.)(№7-7999) СИЛОВАЯ ПЕРЕДАЧА И КОНЕЧНАЯ ПЕРЕДАЧА
1
2
3
4
5
6
7
8
9
10
11
12
13
13
14
15
16
17
18
19
20
21
22
23
24
25
26
27
28
29
30
31
32
32
33
34
35
36
37
38
38
39
40
41
42
43
44
45
46
47
48
FIT
1:1
100%

Артикул

Название

Примечание

Количество

1

17A-49-15121

ELBOW

SN: 70001-@

1шт.

2

07000-72070

O-RING

SN: 70001-75999

1шт.

3

01010-81270

BOLT

SN: 70001-75999

2шт.

4

01643-31232

WASHER

SN: 70001-75999

2шт.

5

17A-49-15130

STRAINER

SN: 70001-@

1шт.

6

17A-49-15141

FLANGE

SN: 70001-@

1шт.

7

07000-72070

O-RING

SN: 70001-75999

1шт.

8

01010-81235

BOLT

SN: 70001-75999

2шт.

9

01643-31232

WASHER

SN: 70001-75999

2шт.

10

07040-12412

PLUG

SN: 70001-75999

1шт.

11

07002-12434

O-RING

SN: 70001-75999

1шт.

12

17A-49-15111

TUBE

SN: 70001-@

1шт.

13

07000-72060

O-RING

SN: 70001-75999

2шт.

14

01010-81295

BOLT

SN: 70001-75999

4шт.

15

01643-31232

WASHER

SN: 70001-75999

4шт.

16

14X-49-12310

MAGNET ASS'Y

SN: 70001-@

1шт.

17

14X-49-12330

HEAD

SN: 70001-@

1шт.

18

07000-72110

O-RING

SN: 70001-75999

1шт.

19

01010-81230

BOLT

SN: 70001-75999

4шт.

20

01643-31232

WASHER

SN: 70001-75999

4шт.

21

14X-49-12320

SPRING

SN: 70001-@

1шт.

22

17A-49-12341

COVER

SN: 70001-@

1шт.

23

07000-72100

O-RING

SN: 70001-75999

1шт.

24

01010-81235

BOLT

SN: 70001-75999

4шт.

25

01643-31232

WASHER

SN: 70001-75999

4шт.

26

07040-12412

PLUG

SN: 70001-75999

1шт.

27

07002-12434

O-RING

SN: 70001-75999

1шт.

28

17A-49-15241

TUBE

SN: 70001-75999

1шт.

29

07000-72060

O-RING

SN: 70001-75999

1шт.

30

01010-81280

BOLT

SN: 70001-75999

2шт.

31

01011-81215

BOLT

SN: 70001-75999

2шт.

32

01643-31232

WASHER

SN: 70001-75999

4шт.

33

07332-02000

COUPLING

SN: 70001-75999

1шт.

|33

07332-52000

GASKET

SN: 70001-75999

2шт.

|33

07332-62000

CLAMP

SN: 70001-75999

2шт.

34

17A-49-15231

TUBE

SN: 70001-75999

1шт.

35

07000-72060

O-RING

SN: 70001-75999

1шт.

36

01010-81280

BOLT

SN: 70001-75999

2шт.

37

01011-81215

BOLT

SN: 70001-75999

2шт.

38

01643-31232

WASHER

SN: 70001-75999

4шт.

39

17A-49-11831

TUBE

SN: 70001-@

1шт.

40

07000-72060

O-RING

SN: 70001-75999

1шт.

41

01011-81200

BOLT

SN: 70001-75999

2шт.

42

01643-31232

WASHER

SN: 70001-75999

2шт.

43

17A-49-11720

BRACKET

SN: 70001-@

1шт.

44

01010-81280

BOLT

SN: 70001-75999

2шт.

45

01643-31232

WASHER

SN: 70001-75999

2шт.

46

07283-36155

CLIP

SN: 70001-75999

1шт.

47

01597-01009

NUT

SN: 70001-75999

2шт.

48

01643-31032

WASHER

SN: 70001-75999

2шт.

Выбрано товаров: 50