Запчасти Komatsu D155AX-5 ОСНОВН. РАМА (ШУМОПОДАВЛ. СПЕЦ-ЯДЛЯ EC) (DYNAMIC)(№7-7) ОСНОВН. РАМА И КОМПОНЕНТЫ

Схема запчастей Komatsu D155AX-5 - ОСНОВН. РАМА (ШУМОПОДАВЛ. СПЕЦ-ЯДЛЯ EC) (DYNAMIC)(№7-7) ОСНОВН. РАМА И КОМПОНЕНТЫ
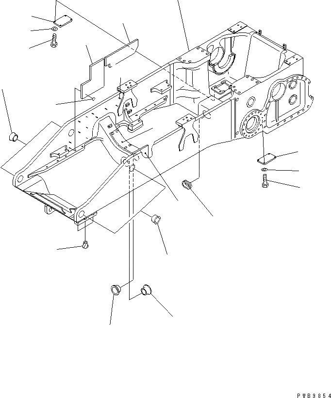
1
1A
2
2
3
3
4
4
5
5
6
6
7
8
9
10
11
12
13
FIT
1:1
100%

Артикул

Название

Примечание

Количество

1

17A-862-3310

FRAME ASS'Y

SN: 70001-75031

1шт.

1A

124-A62-1910

STUD (WELDED)

SN: 70001-@

27шт.

2

17A-50-12280

BUSHING

SN: 70001-@

2шт.

3

17A-21-11161

BUSHING

SN: 70001-@

4шт.

4

17A-21-11151

PLATE

SN: 70001-@

2шт.

5

01010-81225

BOLT

SN: 70001-@

8шт.

6

01643-31232

WASHER

SN: 70001-@

8шт.

7

17A-61-13211

GROMMET

SN: 70001-@

1шт.

8

07049-03038

PLUG

SN: 70001-75031

6шт.

9

17A-862-3320

FELT

SN: 70001-75031

1шт.

10

17A-862-3360

FELT

SN: 70001-75031

1шт.

11

17A-862-3370

FELT

SN: 70001-75031

1шт.

12

17A-862-3410

FELT

SN: 70001-@

1шт.

13

124-A62-1920

CAP

SN: 70001-@

27шт.

Выбрано товаров: 14