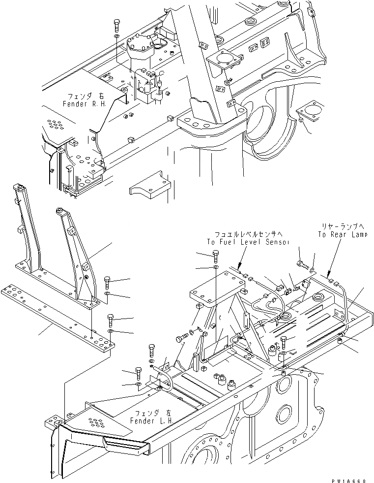
Запчасти Komatsu D155AX-5 ЭЛЕКТРОПРОВОДКА (КРЫЛО)(№7-7999) ЧАСТИ КОРПУСА

Схема запчастей Komatsu D155AX-5 - ЭЛЕКТРОПРОВОДКА (КРЫЛО)(№7-7999) ЧАСТИ КОРПУСА
1
2
2
3
3
4
5
6
6
6
6
7
8
9
10
11
12
12
13
14
15
16
17
18
19
20
21
FIT
1:1
100%

Артикул

Название

Примечание

Количество

1

17A-06-13711

WIRING HARNESS

SN: 75001-75999

1шт.

2

04434-51312

CLIP

SN: 75001-75999

3шт.

3

20Y-03-11220

COLLAR

SN: 75001-75999

3шт.

4

01010-81260

BOLT

SN: 75001-75999

3шт.

5

01643-31232

WASHER

SN: 75001-75999

3шт.

6

04434-51912

CLIP

SN: 75001-75999

5шт.

7

01010-81220

BOLT

SN: 75001-75999

5шт.

8

01643-31232

WASHER

SN: 75001-75999

5шт.

9

08053-01512

CLIP

SN: 70001-75999

1шт.

10

01010-81220

BOLT

SN: 70001-75999

1шт.

11

01643-31232

WASHER

SN: 70001-75999

1шт.

12

195-06-46280

CONNECTOR ASS'Y

SN: 70001-75999

2шт.

13

175-06-51440

WIRE

SN: 70001-@

1шт.

14

01010-81020

BOLT

SN: 70001-@

1шт.

15

01643-31032

WASHER

SN: 70001-@

1шт.

16

17A-54-12461

BRACKET

SN: 70001-75999

1шт.

17

17A-54-22620

PLATE

SN: 70001-75999

1шт.

18

01010-61645

BOLT

SN: 70001-75999

8шт.

19

01643-31645

WASHER

SN: 70001-75999

8шт.

20

01010-81245

BOLT

SN: 70001-75999

4шт.

21

01643-31232

WASHER

SN: 70001-75999

4шт.

Выбрано товаров: 21