Запчасти Komatsu D155AX-5 ДЕРЖАТЕЛЬ АККУМ. (№7-7999) ЭЛЕКТРИКА

Схема запчастей Komatsu D155AX-5 - ДЕРЖАТЕЛЬ АККУМ. (№7-7999) ЭЛЕКТРИКА
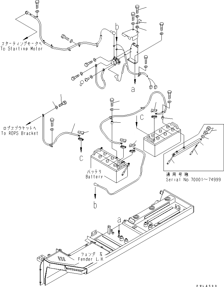
1
2
2
3
4
5
6
6
7
8
9
10
11
12
13
14
15
16
FIT
1:1
100%

Артикул

Название

Примечание

Количество

1

195-06-19461

HOLDER

SN: 70001-74999

2шт.

2

175-06-39621

ROD

SN: 70001-74999

4шт.

3

01580-11008

NUT

SN: 70001-74999

8шт.

4

01643-31032

WASHER

SN: 70001-74999

4шт.

5

01010-81235

BOLT

SN: 70001-75999

1шт.

6

08038-42511

CAP

SN: 70001-75999

2шт.

7

156-38-11450

WASHER

SN: 70001-75999

1шт.

8

195-33-11220

SPACER

SN: 70001-75999

1шт.

9

08028-45080

CABLE, GROUND

SN: 70001-75999

1шт.

10

08038-22511

CAP

SN: 70001-@

1шт.

11

04434-51812

CLIP

SN: 70001-75999

1шт.

12

20Y-03-11220

COLLAR

SN: 70001-75999

1шт.

13

01010-81055

BOLT

SN: 70001-75999

1шт.

14

01643-31032

WASHER

SN: 70001-75999

1шт.

15

01010-81020

BOLT

SN: 70001-@

1шт.

16

01643-31032

WASHER

SN: 70001-@

1шт.

Выбрано товаров: 16