Запчасти Komatsu SA6D140E-3J-7 ТЕРМОЗАЩИТА(№-) ДВИГАТЕЛЬ

Схема запчастей Komatsu SA6D140E-3J-7 - ТЕРМОЗАЩИТА(№-) ДВИГАТЕЛЬ
1
2
3
4
5
6
7
8
8
9
9
9
9
9
9
9
9
10
10
11
11
11
12
12
13
14
15
16
17
18
19
20
21
22
23
24
25
25
26
27
27
28
28
29
29
30
31
32
33
1
2
3
4
5
6
7
8
8
9
9
9
9
9
9
9
9
10
10
11
11
11
12
12
13
14
15
16
17
18
19
20
21
22
23
24
25
25
26
27
27
28
28
29
29
30
31
32
33
FIT
1:1
100%

Артикул

Название

Примечание

Количество

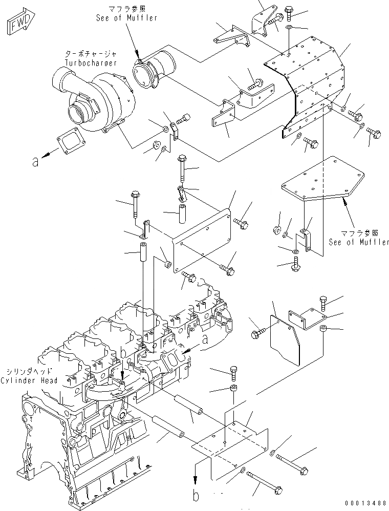
1

6217-11-9410

COVER

SN: 112350-UP

1шт.

2

6217-11-9540

BRACKET

SN: 112350-UP

2шт.

3

6218-11-9530

BRACKET

SN: 112350-UP

1шт.

4

6217-11-9420

BRACKET

SN: 112350-UP

1шт.

5

6210-81-5561

BRACKET

SN: 112350-UP

1шт.

6

6218-11-9520

BRACKET

SN: 112350-UP

1шт.

7

6217-11-9520

BRACKET

SN: 112350-UP

1шт.

8

01435-01030

BOLT

SN: 112350-UP

3шт.

9

01643-31032

WASHER

SN: 112350-UP

17шт.

10

01584-01008

NUT

SN: 112350-UP

3шт.

11

01435-01020

BOLT

SN: 112350-UP

10шт.

12

01435-01035

BOLT

SN: 112350-UP

4шт.

13

6217-11-9580

COVER

SN: 112350-UP

1шт.

14

6217-11-9530

PLATE

SN: 112350-UP

1шт.

15

6217-11-9690

SPACER

SN: 112350-UP

1шт.

16

6152-11-9990

SPACER

SN: 112350-UP

1шт.

17

01436-01060

BOLT

SN: 112350-UP

1шт.

18

01643-31032

WASHER

SN: 112350-UP

1шт.

19

01436-01040

BOLT

SN: 112350-UP

1шт.

20

01643-31032

WASHER

SN: 112350-UP

1шт.

21

01435-01020

BOLT

SN: 112350-UP

2шт.

22

6218-11-9860

BRACKET

SN: 112350-UP

1шт.

23

01010-E1030

BOLT

SN: 112350-UP

2шт.

24

01010-E1040

BOLT

SN: 112350-UP

2шт.

25

205-965-1310

SPACER

SN: 112350-UP

4шт.

26

6217-11-4830

COVER

SN: 112350-UP

1шт.

27

6211-11-9790

SPACER

SN: 112350-UP

3шт.

28

01435-01020

BOLT

SN: 112350-UP

3шт.

29

01435-01090

BOLT

SN: 112350-UP

3шт.

30

6217-11-4950

BRACKET

SN: 112350-UP

1шт.

31

6218-11-4950

BRACKET

SN: 112350-UP

2шт.

32

6151-61-3781

SPACER

SN: 112350-UP

3шт.

33

01435-01020

BOLT

SN: 112350-UP

3шт.

1

6217-11-9410

COVER

SN: 112350-UP

1шт.

2

6217-11-9540

BRACKET

SN: 112350-UP

2шт.

3

6218-11-9530

BRACKET

SN: 112350-UP

1шт.

4

6217-11-9420

BRACKET

SN: 112350-UP

1шт.

5

6210-81-5561

BRACKET

SN: 112350-UP

1шт.

6

6218-11-9520

BRACKET

SN: 112350-UP

1шт.

7

6217-11-9520

BRACKET

SN: 112350-UP

1шт.

8

01435-01030

BOLT

SN: 112350-UP

3шт.

9

01643-31032

WASHER

SN: 112350-UP

17шт.

10

01584-01008

NUT

SN: 112350-UP

3шт.

11

01435-01020

BOLT

SN: 112350-UP

10шт.

12

01435-01035

BOLT

SN: 112350-UP

4шт.

13

6217-11-9580

COVER

SN: 112350-UP

1шт.

14

6217-11-9530

PLATE

SN: 112350-UP

1шт.

15

6217-11-9690

SPACER

SN: 112350-UP

1шт.

16

6152-11-9990

SPACER

SN: 112350-UP

1шт.

17

01436-01060

BOLT

SN: 112350-UP

1шт.

18

01643-31032

WASHER

SN: 112350-UP

1шт.

19

01436-01040

BOLT

SN: 112350-UP

1шт.

20

01643-31032

WASHER

SN: 112350-UP

1шт.

21

01435-01020

BOLT

SN: 112350-UP

2шт.

22

6218-11-9860

BRACKET

SN: 112350-UP

1шт.

23

01010-E1030

BOLT

SN: 112350-UP

2шт.

24

01010-E1040

BOLT

SN: 112350-UP

2шт.

25

205-965-1310

SPACER

SN: 112350-UP

4шт.

26

6217-11-4830

COVER

SN: 112350-UP

1шт.

27

6211-11-9790

SPACER

SN: 112350-UP

3шт.

28

01435-01020

BOLT

SN: 112350-UP

3шт.

29

01435-01090

BOLT

SN: 112350-UP

3шт.

30

6217-11-4950

BRACKET

SN: 112350-UP

1шт.

31

6218-11-4950

BRACKET

SN: 112350-UP

2шт.

32

6151-61-3781

SPACER

SN: 112350-UP

3шт.

33

01435-01020

BOLT

SN: 112350-UP

3шт.

Выбрано товаров: 66