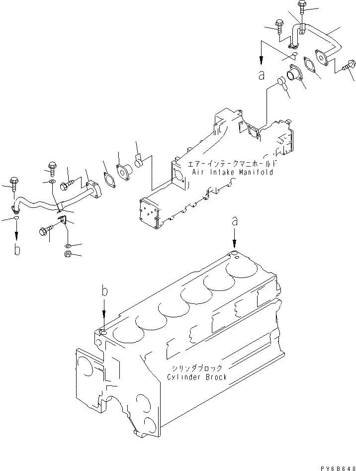
Запчасти Komatsu SA6D140E-3J-7 ПОСЛЕОХЛАДИТЕЛЬ ВОДН. ГИДРОЛИНИЯ ДВИГАТЕЛЬ

Схема запчастей Komatsu SA6D140E-3J-7 - ПОСЛЕОХЛАДИТЕЛЬ ВОДН. ГИДРОЛИНИЯ ДВИГАТЕЛЬ
1
2
3
4
5
6
7
8
9
10
11
12
13
14
15
16
17
18
19
20
21
22
22
1
2
3
4
5
6
7
8
9
10
11
12
13
14
15
16
17
18
19
20
21
22
22
FIT
1:1
100%

Артикул

Название

Примечание

Количество

1

6217-61-6410

TUBE,INLET

SN: 110001-UP

1шт.

2

6215-61-6630

O-RING (K1)

SN: 110001-UP

1шт.

3

01435-01020

BOLT

SN: 110001-UP

1шт.

4

6217-61-6630

CONNECTOR

SN: 110001-UP

1шт.

5

6212-61-6431

O-RING (K1)

SN: 110001-UP

2шт.

6

6217-61-6640

GASKET (K1)

SN: 110001-UP

2шт.

7

01435-01040

BOLT

SN: 110001-UP

2шт.

8

04434-52511

CLIP

SN: 110001-UP

1шт.

9

01435-01016

BOLT

SN: 110001-UP

1шт.

10

6217-61-6510

TUBE,OUTLET

SN: 110001-UP

1шт.

11

6217-61-6630

CONNECTOR

SN: 110001-UP

1шт.

12

6212-61-6431

O-RING (K1)

SN: 110001-UP

2шт.

13

6217-61-6640

GASKET (K1)

SN: 110001-UP

2шт.

14

01435-01060

BOLT

SN: 110007-UP

2шт.

|14

01435-01055

BOLT

SN: 110001-110006

2шт.

15

6215-61-6630

O-RING (K1)

SN: 110001-UP

1шт.

16

01435-01020

BOLT

SN: 110001-UP

1шт.

17

6217-61-6540

BRACKET

SN: 110001-UP

1шт.

18

04434-52511

CLIP

SN: 110001-UP

1шт.

19

01435-01030

BOLT

SN: 110001-UP

1шт.

20

01435-01025

BOLT

SN: 110001-UP

1шт.

21

01584-01008

NUT

SN: 110001-UP

1шт.

22

01643-31032

WASHER

SN: 110001-UP

2шт.

1

6217-61-6410

TUBE,INLET

SN: 110001-UP

1шт.

2

6215-61-6630

O-RING (K1)

SN: 110001-UP

1шт.

3

01435-01020

BOLT

SN: 110001-UP

1шт.

4

6217-61-6630

CONNECTOR

SN: 110001-UP

1шт.

5

6212-61-6431

O-RING (K1)

SN: 110001-UP

2шт.

6

6217-61-6640

GASKET (K1)

SN: 110001-UP

2шт.

7

01435-01040

BOLT

SN: 110001-UP

2шт.

8

04434-52511

CLIP

SN: 110001-UP

1шт.

9

01435-01016

BOLT

SN: 110001-UP

1шт.

10

6217-61-6510

TUBE,OUTLET

SN: 110001-UP

1шт.

11

6217-61-6630

CONNECTOR

SN: 110001-UP

1шт.

12

6212-61-6431

O-RING (K1)

SN: 110001-UP

2шт.

13

6217-61-6640

GASKET (K1)

SN: 110001-UP

2шт.

14

01435-01060

BOLT

SN: 110007-UP

2шт.

|14

01435-01055

BOLT

SN: 110001-110006

2шт.

15

6215-61-6630

O-RING (K1)

SN: 110001-UP

1шт.

16

01435-01020

BOLT

SN: 110001-UP

1шт.

17

6217-61-6540

BRACKET

SN: 110001-UP

1шт.

18

04434-52511

CLIP

SN: 110001-UP

1шт.

19

01435-01030

BOLT

SN: 110001-UP

1шт.

20

01435-01025

BOLT

SN: 110001-UP

1шт.

21

01584-01008

NUT

SN: 110001-UP

1шт.

22

01643-31032

WASHER

SN: 110001-UP

2шт.

Выбрано товаров: 46