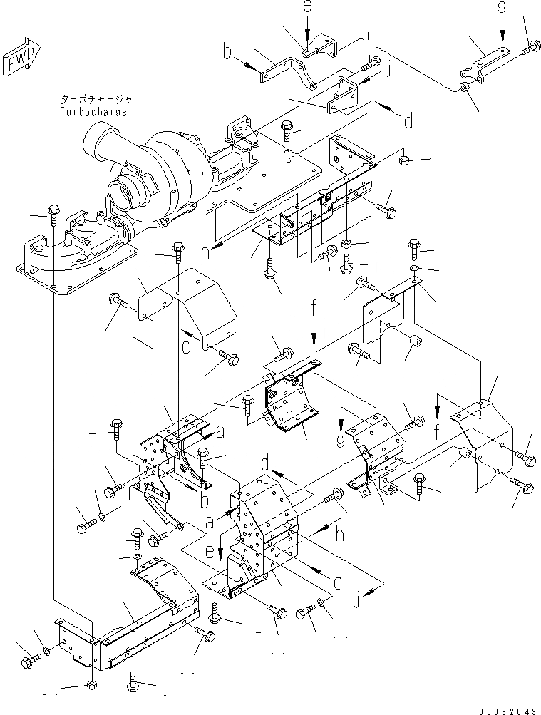
Запчасти Komatsu SA6D140E-3J-7 ТЕРМОЗАЩИТА (LAND FILL СПЕЦ-Я.)(№9-) ДВИГАТЕЛЬ

Схема запчастей Komatsu SA6D140E-3J-7 - ТЕРМОЗАЩИТА (LAND FILL СПЕЦ-Я.)(№9-) ДВИГАТЕЛЬ
1
2
3
4
5
6
7
8
9
9
9
10
11
11
12
13
13
14
14
15
16
17
17
18
19
19
20
21
22
23
24
25
26
26
27
28
29
29
30
31
31
32
33
34
35
36
36
37
38
38
39
40
41
42
43
43
44
1
2
3
4
5
6
7
8
9
9
9
10
11
11
12
13
13
14
14
15
16
17
17
18
19
19
20
21
22
23
24
25
26
26
27
28
29
29
30
31
31
32
33
34
35
36
36
37
38
38
39
40
41
42
43
43
44
FIT
1:1
100%

Артикул

Название

Примечание

Количество

1

6218-11-6340

COVER

SN: 112950-UP

1шт.

2

6218-11-9910

BRACKET

SN: 112950-UP

1шт.

3

6218-11-9920

BRACKET

SN: 112950-UP

1шт.

4

6217-11-9930

BRACKET

SN: 112950-UP

1шт.

5

01020-11045

BOLT

SN: 112950-UP

2шт.

6

419-15-17540

SPACER

SN: 112950-UP

2шт.

7

6218-11-9930

BRACKET

SN: 112950-UP

1шт.

8

01020-11025

BOLT

SN: 112950-UP

4шт.

9

01435-01025

BOLT

SN: 112950-UP

6шт.

10

6218-11-6230

COVER

SN: 112950-UP

1шт.

11

01435-01016

BOLT

SN: 112950-UP

3шт.

12

01435-01025

BOLT

SN: 112950-UP

2шт.

13

01020-01035

BOLT

SN: 112950-UP

2шт.

14

01643-31032

WASHER

SN: 112950-UP

3шт.

15

6218-11-6240

COVER

SN: 112950-UP

1шт.

16

01435-01016

BOLT

SN: 112950-UP

2шт.

17

01435-01020

BOLT

SN: 112950-UP

4шт.

18

6217-11-6260

COVER

SN: 112950-UP

1шт.

19

01435-01020

BOLT

SN: 112950-UP

2шт.

20

01435-01030

BOLT

SN: 112950-UP

2шт.

21

01643-31032

WASHER

SN: 112950-UP

2шт.

22

6217-11-6330

COVER

SN: 112950-UP

1шт.

23

01435-01020

BOLT

SN: 112950-UP

2шт.

24

6217-11-6340

COVER

SN: 112950-UP

1шт.

25

6217-11-6350

COVER

SN: 112950-UP

1шт.

26

01435-01016

BOLT

SN: 112950-UP

4шт.

27

6112-21-6960

SPACER

SN: 112950-UP

1шт.

28

6150-61-3790

SPACER

SN: 112950-UP

1шт.

29

01435-01045

BOLT

SN: 112950-UP

2шт.

30

01435-01025

BOLT

SN: 112950-UP

2шт.

31

01435-01020

BOLT

SN: 112950-UP

2шт.

32

6218-11-6220

COVER

SN: 112950-UP

1шт.

33

01435-01025

BOLT

SN: 112950-UP

5шт.

34

01580-01008

NUT

SN: 112950-UP

5шт.

35

01435-01016

BOLT

SN: 112950-UP

3шт.

36

01435-01020

BOLT

SN: 112950-UP

4шт.

37

01435-01025

BOLT

SN: 112950-UP

3шт.

38

01643-31032

WASHER

SN: 112950-UP

4шт.

39

6217-11-6361

COVER

SN: 112950-UP

1шт.

40

01435-01025

BOLT

SN: 112950-UP

2шт.

41

01580-01008

NUT

SN: 112950-UP

2шт.

42

419-15-17540

SPACER

SN: 112950-UP

4шт.

43

01435-01025

BOLT

SN: 112950-UP

6шт.

44

01435-01016

BOLT

SN: 112950-UP

3шт.

1

6218-11-6340

COVER

SN: 112950-UP

1шт.

2

6218-11-9910

BRACKET

SN: 112950-UP

1шт.

3

6218-11-9920

BRACKET

SN: 112950-UP

1шт.

4

6217-11-9930

BRACKET

SN: 112950-UP

1шт.

5

01020-11045

BOLT

SN: 112950-UP

2шт.

6

419-15-17540

SPACER

SN: 112950-UP

2шт.

7

6218-11-9930

BRACKET

SN: 112950-UP

1шт.

8

01020-11025

BOLT

SN: 112950-UP

4шт.

9

01435-01025

BOLT

SN: 112950-UP

6шт.

10

6218-11-6230

COVER

SN: 112950-UP

1шт.

11

01435-01016

BOLT

SN: 112950-UP

3шт.

12

01435-01025

BOLT

SN: 112950-UP

2шт.

13

01020-01035

BOLT

SN: 112950-UP

2шт.

14

01643-31032

WASHER

SN: 112950-UP

3шт.

15

6218-11-6240

COVER

SN: 112950-UP

1шт.

16

01435-01016

BOLT

SN: 112950-UP

2шт.

17

01435-01020

BOLT

SN: 112950-UP

4шт.

18

6217-11-6260

COVER

SN: 112950-UP

1шт.

19

01435-01020

BOLT

SN: 112950-UP

2шт.

20

01435-01030

BOLT

SN: 112950-UP

2шт.

21

01643-31032

WASHER

SN: 112950-UP

2шт.

22

6217-11-6330

COVER

SN: 112950-UP

1шт.

23

01435-01020

BOLT

SN: 112950-UP

2шт.

24

6217-11-6340

COVER

SN: 112950-UP

1шт.

25

6217-11-6350

COVER

SN: 112950-UP

1шт.

26

01435-01016

BOLT

SN: 112950-UP

4шт.

27

6112-21-6960

SPACER

SN: 112950-UP

1шт.

28

6150-61-3790

SPACER

SN: 112950-UP

1шт.

29

01435-01045

BOLT

SN: 112950-UP

2шт.

30

01435-01025

BOLT

SN: 112950-UP

2шт.

31

01435-01020

BOLT

SN: 112950-UP

2шт.

32

6218-11-6220

COVER

SN: 112950-UP

1шт.

33

01435-01025

BOLT

SN: 112950-UP

5шт.

34

01580-01008

NUT

SN: 112950-UP

5шт.

35

01435-01016

BOLT

SN: 112950-UP

3шт.

36

01435-01020

BOLT

SN: 112950-UP

4шт.

37

01435-01025

BOLT

SN: 112950-UP

3шт.

38

01643-31032

WASHER

SN: 112950-UP

4шт.

39

6217-11-6361

COVER

SN: 112950-UP

1шт.

40

01435-01025

BOLT

SN: 112950-UP

2шт.

41

01580-01008

NUT

SN: 112950-UP

2шт.

42

419-15-17540

SPACER

SN: 112950-UP

4шт.

43

01435-01025

BOLT

SN: 112950-UP

6шт.

44

01435-01016

BOLT

SN: 112950-UP

3шт.

Выбрано товаров: 88