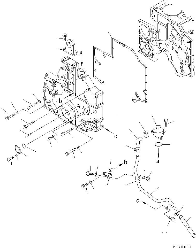
Запчасти Komatsu SA6D140E-3C-7 ПЕРЕДН. КРЫШКАКРЕПЛЕНИЕ И САПУН ДВИГАТЕЛЬ

Схема запчастей Komatsu SA6D140E-3C-7 - ПЕРЕДН. КРЫШКАКРЕПЛЕНИЕ И САПУН ДВИГАТЕЛЬ
1
2
2
3
3
3
4
4
5
6
7
8
9
10
11
12
13
14
15
16
17
18
18
19
20
21
22
23
24
25
26
27
28
29
29
30
31
1
2
2
3
3
3
4
4
5
6
7
8
9
10
11
12
13
14
15
16
17
18
18
19
20
21
22
23
24
25
26
27
28
29
29
30
31
FIT
1:1
100%

Артикул

Название

Примечание

Количество

1

01010-81290

BOLT

SN: 110001-UP

11шт.

2

01011-81200

BOLT

SN: 110001-UP

2шт.

3

01640-21223

WASHER

SN: 110001-UP

13шт.

4

01435-01090

BOLT

SN: 110001-UP

4шт.

5

6217-21-3251

GASKET (K2)

SN: 110001-UP

1шт.

5

0

GASKET (K2)

SN: (110001-112431)

1шт.

6

6210-22-3910

POINTER

SN: 110001-UP

1шт.

7

6144-81-5151

COVER

SN: 110001-UP

1шт.

8

07000-03050

O-RING (K2)

SN: 110001-UP

1шт.

9

01010-80616

BOLT

SN: 110001-UP

2шт.

10

01640-20610

WASHER

SN: 110001-UP

2шт.

11

07040-11209

PLUG

SN: 110001-UP

2шт.

12

07005-01212

SEAL, WASHER (K2)

SN: 110001-UP

2шт.

13

6217-21-8760

BREATHER

SN: 110001-UP

1шт.

14

01435-01025

BOLT

SN: 110001-UP

2шт.

15

07000-72060

O-RING (K2)

SN: 110001-UP

1шт.

16

6217-21-8770

TUBE

SN: 110001-UP

1шт.

17

6130-61-6611

HOSE

SN: 110001-UP

1шт.

18

07285-00260

CLIP

SN: 110001-UP

2шт.

19

01435-01220

BOLT

SN: 110001-UP

1шт.

20

07286-01920

HOSE

SN: 110001-UP

1шт.

21

07285-00230

CLIP

SN: 110001-UP

1шт.

22

112-946-4170

CLIP

SN: 110001-UP

1шт.

23

6164-71-6491

BRACKET

SN: 110001-UP

1шт.

24

6144-85-6680

SPACER

SN: 110001-UP

1шт.

25

01435-01250

BOLT

SN: 110001-UP

1шт.

26

01643-31232

WASHER

SN: 110001-UP

1шт.

27

01435-01030

BOLT

SN: 110001-UP

1шт.

28

01584-01008

NUT

SN: 110001-UP

1шт.

29

01643-31032

WASHER

SN: 110001-UP

2шт.

30

6210-21-3752

HANGER

SN: 116384-UP

1шт.

30

0

BRACKET

SN: 110001-116383

1шт.

31

01435-01030

BOLT

SN: 116384-UP

4шт.

31

0

BOLT

SN: 110001-116383

4шт.

1

01010-81290

BOLT

SN: 110001-UP

11шт.

2

01011-81200

BOLT

SN: 110001-UP

2шт.

3

01640-21223

WASHER

SN: 110001-UP

13шт.

4

01435-01090

BOLT

SN: 110001-UP

4шт.

5

6217-21-3251

GASKET (K2)

SN: 110001-UP

1шт.

5

0

GASKET (K2)

SN: (110001-112431)

1шт.

6

6210-22-3910

POINTER

SN: 110001-UP

1шт.

7

6144-81-5151

COVER

SN: 110001-UP

1шт.

8

07000-03050

O-RING (K2)

SN: 110001-UP

1шт.

9

01010-80616

BOLT

SN: 110001-UP

2шт.

10

01640-20610

WASHER

SN: 110001-UP

2шт.

11

07040-11209

PLUG

SN: 110001-UP

2шт.

12

07005-01212

SEAL, WASHER (K2)

SN: 110001-UP

2шт.

13

6217-21-8760

BREATHER

SN: 110001-UP

1шт.

14

01435-01025

BOLT

SN: 110001-UP

2шт.

15

07000-72060

O-RING (K2)

SN: 110001-UP

1шт.

16

6217-21-8770

TUBE

SN: 110001-UP

1шт.

17

6130-61-6611

HOSE

SN: 110001-UP

1шт.

18

07285-00260

CLIP

SN: 110001-UP

2шт.

19

01435-01220

BOLT

SN: 110001-UP

1шт.

20

07286-01920

HOSE

SN: 110001-UP

1шт.

21

07285-00230

CLIP

SN: 110001-UP

1шт.

22

112-946-4170

CLIP

SN: 110001-UP

1шт.

23

6164-71-6491

BRACKET

SN: 110001-UP

1шт.

24

6144-85-6680

SPACER

SN: 110001-UP

1шт.

25

01435-01250

BOLT

SN: 110001-UP

1шт.

26

01643-31232

WASHER

SN: 110001-UP

1шт.

27

01435-01030

BOLT

SN: 110001-UP

1шт.

28

01584-01008

NUT

SN: 110001-UP

1шт.

29

01643-31032

WASHER

SN: 110001-UP

2шт.

30

6210-21-3752

HANGER

SN: 116384-UP

1шт.

30

0

BRACKET

SN: 110001-116383

1шт.

31

01435-01030

BOLT

SN: 116384-UP

4шт.

31

0

BOLT

SN: 110001-116383

4шт.

Выбрано товаров: 0