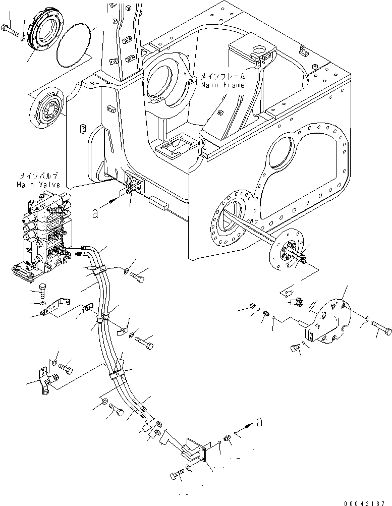
Запчасти Komatsu D155AX-6 ПЕРЕКОС. ОТВАЛА ЛИНИЯ (ДЛЯ ОТВАЛА С ПЕРЕКОСОМ)(№8-) ГИДРАВЛИКА

Схема запчастей Komatsu D155AX-6 - ПЕРЕКОС. ОТВАЛА ЛИНИЯ (ДЛЯ ОТВАЛА С ПЕРЕКОСОМ)(№8-) ГИДРАВЛИКА
1
1
2
2
3
4
5
6
7
8
9
10
11
12
12
13
13
14
14
15
16
17
18
19
19
19
20
20
20
21
21
22
22
23
23
24
24
25
26
27
28
28
29
29
30
30
31
32
33
34
35
36
37
FIT
1:1
100%

Артикул

Название

Примечание

Количество

1

17A-61-41441

HOSE

SN: 80004-UP

1шт.

1

0

HOSE

SN: 80001-80003

1шт.

2

17A-61-41371

HOSE

SN: 80004-UP

1шт.

2

0

HOSE

SN: 80001-80003

1шт.

3

17A-61-41881

BRACKET

SN: 80001-UP

1шт.

4

01010-81230

BOLT

SN: 80001-UP

2шт.

5

01643-31232

WASHER

SN: 80001-UP

2шт.

6

17A-61-41851

BRACKET

SN: 80001-UP

1шт.

7

01010-81230

BOLT

SN: 80001-UP

2шт.

8

01643-31232

WASHER

SN: 80001-UP

2шт.

9

17A-61-41690

FLANGE

SN: 80001-UP

1шт.

10

01010-81230

BOLT

SN: 80001-UP

3шт.

11

01643-31232

WASHER

SN: 80001-UP

3шт.

12

02781-00422

UNION

SN: 80001-UP

4шт.

13

02896-11012

O-RING

SN: 80001-UP

4шт.

14

07002-12034

O-RING

SN: 80001-UP

4шт.

15

07094-30417

CLAMP

SN: 80004-UP

2шт.

15

0

CLAMP

SN: 80001-80003

6шт.

16

07095-00420

CUSHION

SN: 80004-UP

2шт.

16

0

CUSHION

SN: 80001-80003

6шт.

17

01010-81265

BOLT

SN: 80004-UP

1шт.

17

0

BOLT

SN: 80001-80003

3шт.

18

01643-31232

WASHER

SN: 80004-UP

1шт.

18

0

WASHER

SN: 80001-80003

3шт.

19

07094-30417

CLAMP

SN: 80004-UP

4шт.

20

07095-00420

CUSHION

SN: 80004-UP

4шт.

21

01010-81265

BOLT

SN: 80004-UP

2шт.

22

01643-31232

WASHER

SN: 80004-UP

2шт.

23

17A-61-41161

HOSE

SN: 80001-UP

1шт.

24

17A-61-41151

HOSE

SN: 80001-UP

1шт.

25

17A-50-41151

COVER ASS'Y

SN: 80001-UP

1шт.

26

01010-81680

BOLT

SN: 80001-UP

6шт.

27

01643-31645

WASHER

SN: 80001-UP

6шт.

28

02781-00422

UNION

SN: 80001-UP

4шт.

29

02896-11012

O-RING

SN: 80001-UP

4шт.

30

07002-12034

O-RING

SN: 80001-UP

4шт.

31

07040-12012

PLUG

SN: 80001-UP

2шт.

32

07002-12034

O-RING

SN: 80001-UP

2шт.

33

02789-10422

PLUG

SN: 80001-UP

2шт.

34

17A-50-41171

COVER,R.H.

SN: 80001-UP

1шт.

35

07000-15230

O-RING

SN: 80001-UP

1шт.

36

01010-61660

BOLT

SN: 80001-UP

8шт.

37

01643-31645

WASHER

SN: 80001-UP

8шт.

Выбрано товаров: 43