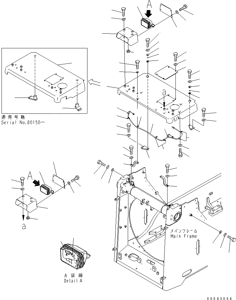
Запчасти Komatsu D155AX-6 РАДИАТОР(КРЫШКАAND ГОЛОВНОЕ ОСВЕЩЕНИЕ)(№8-89) ЧАСТИ КОРПУСА

Схема запчастей Komatsu D155AX-6 - РАДИАТОР  (КРЫШКАAND ГОЛОВНОЕ ОСВЕЩЕНИЕ)(№8-89) ЧАСТИ КОРПУСА
1
1
2
2
3
3
4
4
5
5
6
6
7
8
9
9
10
10
11
11
12
12
13
13
14
14
15
15
16
17
18
19
19
19
19
20
21
22
22
23
23
24
24
25
25
26
26
27
27
28
28
29
29
30
30
31
31
32
32
33
33
34
35
36
FIT
1:1
100%

Артикул

Название

Примечание

Количество

1

21T-09-11330

WASHER

SN: 80001-@

2шт.

2

01010-81230

BOLT

SN: 80001-@

2шт.

3

01643-31232

WASHER

SN: 80001-@

2шт.

4

17A-54-41922

COVER

SN: 80669-@

1шт.

4

17A-54-41921

COVER

SN: 80244-80668

1шт.

4

17A-54-41622

COVER

SN: 80001-80243

1шт.

5

135-06-34260

GROMMET

SN: 80001-@

2шт.

6

17A-06-17931

LAMP ASS'Y

SN: 80150-@

2шт.

6

0

LAMP ASS'Y

SN: 80001-80149

2шт.

7

17A-06-17970

BULB, 70W

SN: 80001-@

1шт.

8

17A-06-17980

SLEEVE

SN: 80001-@

1шт.

9

17A-06-41682

COVER

SN: 80669-@

2шт.

9

17A-06-41681

COVER

SN: 80001-80668

2шт.

10

01010-81225

BOLT

SN: 80001-@

6шт.

11

01643-31232

WASHER

SN: 80001-@

6шт.

12

17A-06-41690

PLATE

SN: 80001-@

2шт.

13

01010-D0816

BOLT

SN: 80001-@

8шт.

14

01643-70823

WASHER

SN: 80001-@

8шт.

15

08037-03614

GROMMET

SN: 80001-@

2шт.

16

17A-06-41231

WIRING HARNESS

SN: 80001-@

1шт.

17

01010-81220

BOLT

SN: 80001-@

6шт.

18

01643-31232

WASHER

SN: 80001-@

6шт.

19

04434-51012

CLIP

SN: 80001-@

6шт.

20

01010-81225

BOLT

SN: 80001-@

2шт.

21

175-54-34170

WASHER

SN: 80001-@

2шт.

22

17A-54-41941

BRACKET

SN: 80244-@

2шт.

22

17A-54-41641

BRACKET

SN: 80001-80243

2шт.

23

01010-81235

BOLT

SN: 80001-@

4шт.

24

01643-31232

WASHER

SN: 80001-@

4шт.

25

01010-81235

BOLT

SN: 80244-@

2шт.

25

01010-81245

BOLT

SN: 80001-80243

2шт.

26

01643-31232

WASHER

SN: 80001-@

2шт.

27

15B-54-14220

COLLAR

SN: 80001-@

2шт.

28

175-54-27350

SPRING

SN: 80001-@

4шт.

29

175-54-28770

RING

SN: 80001-@

2шт.

30

17A-03-42581

BRACKET

SN: 80244-@

1шт.

30

17A-03-41581

BRACKET

SN: 80001-80243

1шт.

31

17A-03-42591

BRACKET

SN: 80244-@

1шт.

31

17A-03-41591

BRACKET

SN: 80001-80243

1шт.

32

01010-81230

BOLT

SN: 80001-@

4шт.

33

01643-31232

WASHER

SN: 80001-@

4шт.

34

17A-54-41631

COVER

SN: 80001-80668

1шт.

35

01010-81220

BOLT

SN: 80001-@

4шт.

36

01643-31232

WASHER

SN: 80001-@

4шт.

Выбрано товаров: 44