Запчасти Komatsu D155AX-6 КАПОТ (БОКОВ. КРЫШКА И КРЕПЛЕНИЕ КАПОТА) (ПРАВ.) (СПЕЦ-Я ДЛЯ СВАЛОК)(№8-89) ЧАСТИ КОРПУСА

Схема запчастей Komatsu D155AX-6 - КАПОТ (БОКОВ. КРЫШКА И КРЕПЛЕНИЕ КАПОТА) (ПРАВ.) (СПЕЦ-Я ДЛЯ СВАЛОК)(№8-89) ЧАСТИ КОРПУСА
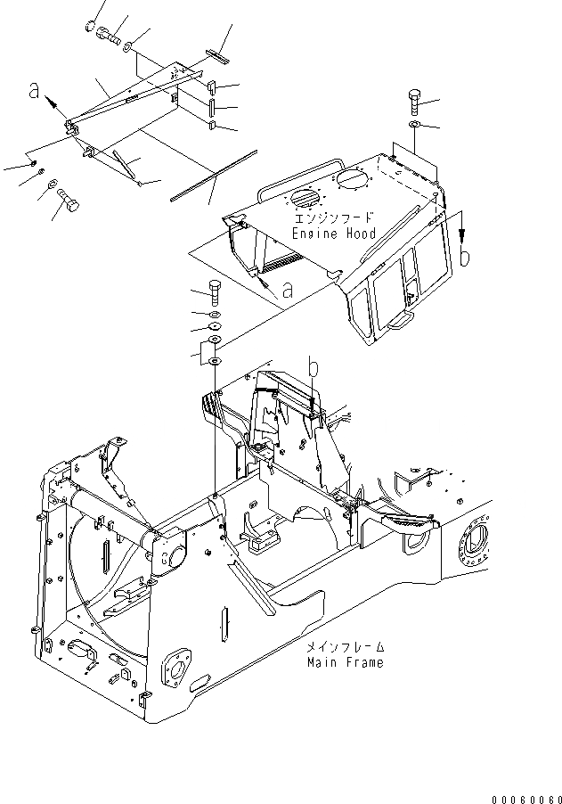
1
2
3
4
5
6
7
8
9
10
11
12
13
14
15
16
17
18
19
20
21
FIT
1:1
100%

Артикул

Название

Примечание

Количество

|$3

17A-54-47572

COVER ASS'Y

SN: 80694-@

1шт.

|$4

0

COVER

SN: 80001-80693

1шт.

1

17A-54-42523

COVER

SN: 80554-80693

1шт.

1

0

COVER

SN: 80257-80553

1шт.

1

0

COVER

SN: 80001-80553

1шт.

2

17A-54-47580

SEAL (BONDED)

SN: 80001-@

1шт.

3

17A-54-47590

SEAL (BONDED)

SN: 80001-@

1шт.

4

17A-54-47610

SEAL (BONDED)

SN: 80001-@

1шт.

5

17A-54-47620

SEAL (BONDED)

SN: 80001-@

1шт.

6

17A-54-47630

SEAL (BONDED)

SN: 80001-@

1шт.

7

17A-54-47970

SEAL (BONDED)

SN: 80001-@

1шт.

8

17A-54-47990

SEAL (BONDED)

SN: 80001-@

1шт.

9

01010-81230

BOLT

SN: 80001-@

2шт.

10

01643-31232

WASHER

SN: 80001-@

2шт.

11

195-54-42981

CAP

SN: 80001-@

2шт.

12

01010-81660

BOLT

SN: 80001-@

2шт.

13

21T-09-11330

WASHER

SN: 80001-@

2шт.

14

195-54-46180

PLATE

SN: 80001-@

4шт.

15

6930-21-4120

PLATE

SN: 80001-@

2шт.

16

01010-81645

BOLT

SN: 80001-@

2шт.

17

01643-31645

WASHER

SN: 80001-@

2шт.

18

20Y-973-2430

COLLAR

SN: 80001-80693

2шт.

19

195-54-75990

SPACER

SN: 80001-@

2шт.

20

01010-81230

BOLT

SN: 80001-@

2шт.

21

01643-31232

WASHER

SN: 80001-@

2шт.

Выбрано товаров: 25