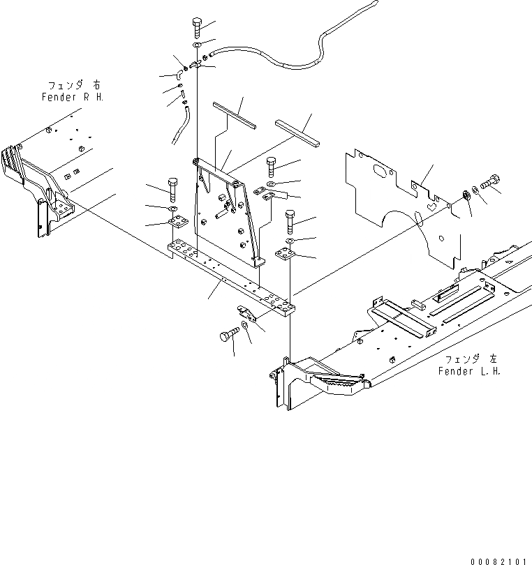
Запчасти Komatsu D155AX-6 КРЫЛО (FOOD КРЕПЛЕНИЕ) (СПЕЦ-Я ДЛЯ СВАЛОК)(№887-) ЧАСТИ КОРПУСА

Схема запчастей Komatsu D155AX-6 - КРЫЛО (FOOD КРЕПЛЕНИЕ) (СПЕЦ-Я ДЛЯ СВАЛОК)(№887-) ЧАСТИ КОРПУСА
1
2
3
4
5
6
7
8
8
9
9
10
10
11
12
13
14
15
16
17
18
19
20
21
22
23
23
FIT
1:1
100%

Артикул

Название

Примечание

Количество

|$4

17A-54-43131

BRACKET ASS'Y

SN: 80807-UP

1шт.

1

0

BRACKET

SN: 80807-UP

1шт.

2

17A-54-42922

PLATE

SN: 80807-UP

1шт.

3

17A-54-42961

PLATE

SN: 80001-UP

4шт.

4

01010-81655

BOLT

SN: 80001-UP

8шт.

5

01643-31645

WASHER

SN: 80001-UP

8шт.

6

17A-54-43150

SEAL (BONDED)

SN: 80001-UP

1шт.

7

17A-54-43160

SEAL (BONDED)

SN: 80001-UP

1шт.

8

17A-54-42971

PLATE

SN: 80001-UP

2шт.

9

01011-82400

BOLT

SN: 80001-UP

8шт.

10

01643-32460

WASHER

SN: 80001-UP

8шт.

11

17A-54-45862

RUBBER

SN: 80807-UP

1шт.

12

17A-54-42981

PLATE

SN: 80001-UP

5шт.

13

01010-81230

BOLT

SN: 80001-UP

5шт.

14

01643-31232

WASHER

SN: 80001-UP

5шт.

15

17A-54-42531

BRACKET

SN: 80001-UP

1шт.

16

01010-81225

BOLT

SN: 80001-UP

2шт.

17

01643-31232

WASHER

SN: 80001-UP

2шт.

18

17A-911-4411

BRACKET

SN: 80001-UP

1шт.

19

01010-81225

BOLT

SN: 80001-UP

1шт.

20

01643-31232

WASHER

SN: 80001-UP

1шт.

21

09483-70550

HOSE

SN: 80001-UP

1шт.

22

09484-00560

CONNECTOR

SN: 80001-UP

1шт.

23

09479-02400

CLAMP

SN: 80001-UP

2шт.

Выбрано товаров: 24