Запчасти Komatsu D155AX-6 НИЖН. ЗАЩИТА (СПЕЦ-Я ДЛЯ СВАЛОК)(№8-) ЧАСТИ КОРПУСА

Схема запчастей Komatsu D155AX-6 - НИЖН. ЗАЩИТА (СПЕЦ-Я ДЛЯ СВАЛОК)(№8-) ЧАСТИ КОРПУСА
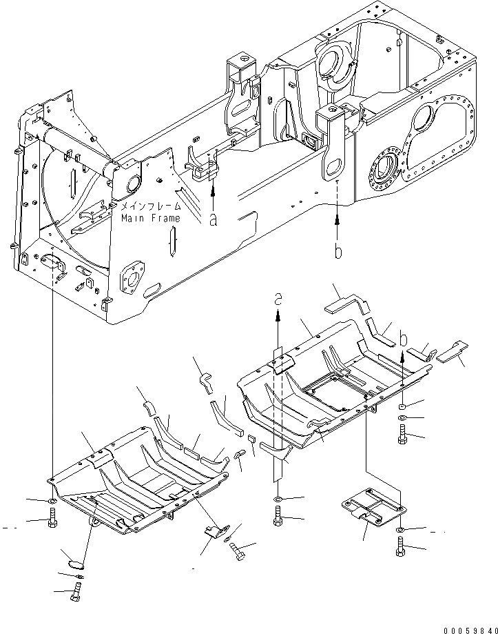
1
2
3
4
5
5
6
7
8
9
10
11
12
13
14
15
16
17
18
19
20
21
22
23
24
25
25
26
26
26
27
28
FIT
1:1
100%

Артикул

Название

Примечание

Количество

1

17A-54-48820

COVER

SN: 80001-UP

1шт.

2

17A-54-48880

SEAL (BONDED)

SN: 80001-UP

1шт.

3

17A-54-48890

SEAL (BONDED)

SN: 80001-UP

1шт.

4

17A-54-48910

SEAL (BONDED)

SN: 80001-UP

1шт.

5

17A-54-48921

SEAL (BONDED)

SN: 80001-UP

2шт.

6

17A-54-48640

COVER

SN: 80001-UP

1шт.

7

01010-81235

BOLT

SN: 80001-UP

2шт.

8

01643-31232

WASHER

SN: 80001-UP

2шт.

9

205-30-71181

COVER

SN: 80001-UP

1шт.

10

01010-81235

BOLT

SN: 80001-UP

2шт.

11

01643-31232

WASHER

SN: 80001-UP

2шт.

12

17A-54-48810

COVER

SN: 80001-UP

1шт.

13

17A-54-48831

SEAL (BONDED)

SN: 80001-UP

1шт.

14

17A-54-48840

SEAL (BONDED)

SN: 80001-UP

1шт.

15

17A-54-48851

SEAL (BONDED)

SN: 80001-UP

1шт.

16

17A-54-48860

SEAL (BONDED)

SN: 80001-UP

1шт.

17

17A-54-48870

SEAL (BONDED)

SN: 80001-UP

1шт.

18

17A-54-48941

SEAL (BONDED)

SN: 80001-UP

1шт.

19

17A-54-48951

SEAL (BONDED)

SN: 80001-UP

1шт.

20

17A-54-48961

SEAL (BONDED)

SN: 80001-UP

1шт.

21

17A-54-48971

SEAL (BONDED)

SN: 80001-UP

1шт.

22

17A-54-15150

COVER

SN: 80001-UP

1шт.

23

01010-81235

BOLT

SN: 80001-UP

4шт.

24

01643-31232

WASHER

SN: 80001-UP

4шт.

25

01010-82450

BOLT

SN: 80001-UP

14шт.

26

01643-32460

WASHER

SN: 80001-UP

22шт.

27

01010-82475

BOLT

SN: 80001-UP

8шт.

28

17A-54-48650

PLATE

SN: 80001-UP

8шт.

Выбрано товаров: 28