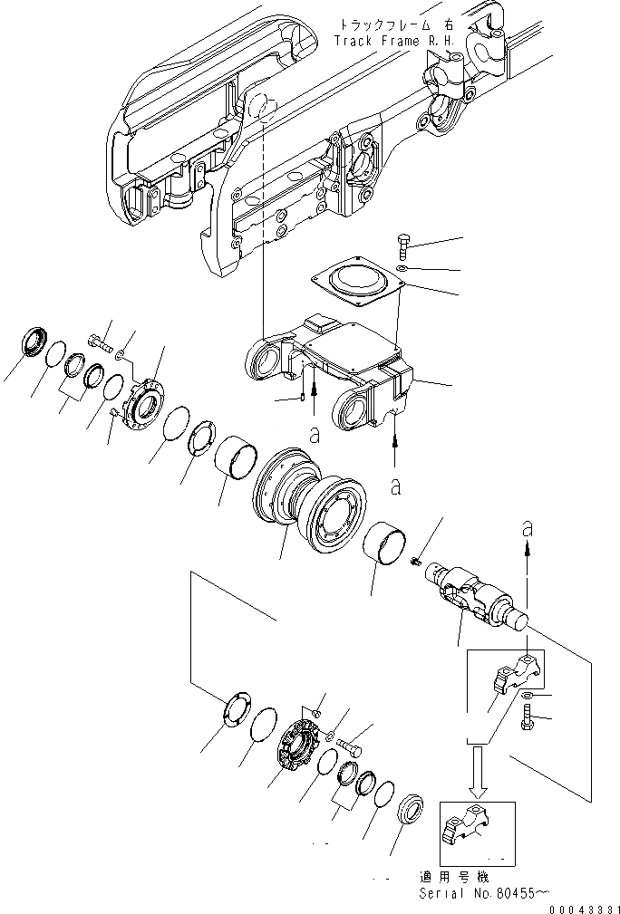
Запчасти Komatsu D155AX-6 ГУСЕНИЧНАЯ РАМА (1 ТЕЛЕЖКА) (ПРАВ.)(№8-) ХОДОВАЯ

Схема запчастей Komatsu D155AX-6 - ГУСЕНИЧНАЯ РАМА (1 ТЕЛЕЖКА) (ПРАВ.)(№8-) ХОДОВАЯ
1
2
3
4
5
6
6
7
8
8
9
9
10
10
11
11
12
12
13
13
14
14
14
14
15
15
16
17
17
18
18
19
20
21
FIT
1:1
100%

Артикул

Название

Примечание

Количество

1

17A-30-46151

BOGIE

SN: 80001-UP

1шт.

2

17A-30-46141

PAD

SN: 80001-UP

1шт.

3

01010-81025

BOLT

SN: 80001-UP

4шт.

4

01643-31032

WASHER

SN: 80001-UP

4шт.

|$14

17A-30-00610

TRACK ROLLER ASS'Y

SN: 80001-UP

1шт.

5

17A-30-15110

ROLLER

SN: 80001-UP

1шт.

6

17A-30-15140

BUSHING

SN: 80001-UP

2шт.

7

17A-30-45230

SHAFT

SN: 80001-UP

1шт.

8

17A-30-45210

RETAINER

SN: 80001-UP

2шт.

9

17A-30-45220

PLATE

SN: 80001-UP

2шт.

10

07000-12130

O-RING

SN: 80001-UP

2шт.

11

01010-81235

BOLT

SN: 80001-UP

16шт.

12

01643-31232

WASHER

SN: 80001-UP

16шт.

|$24

154-30-00832

FLOATING SEAL ASS'Y

SN: 80001-UP

2шт.

13

0

RING

SN: 80001-UP

2шт.

14

0

O-RING

SN: 80001-UP

2шт.

15

17A-30-15181

RING

SN: 80001-UP

2шт.

16

07052-31624

PLUG

SN: 80001-UP

1шт.

17

07049-01215

PLUG

SN: 80001-UP

4шт.

18

17A-30-46330

CAP

SN: 80455-UP

2шт.

18

0

CAP

SN: 80001-80454

2шт.

19

04020-00616

PIN,DOWEL

SN: 80001-UP

1шт.

20

01010-62285

BOLT

SN: 80001-UP

4шт.

21

01643-32260

WASHER

SN: 80001-UP

4шт.

Выбрано товаров: 24