Запчасти Komatsu D155AX-6 АКСЕССУАРЫ (КЛАПАН ТРУБЫ)(№8-) СИЛОВАЯ ПЕРЕДАЧА И КОНЕЧНАЯ ПЕРЕДАЧА

Схема запчастей Komatsu D155AX-6 - АКСЕССУАРЫ (КЛАПАН ТРУБЫ)(№8-) СИЛОВАЯ ПЕРЕДАЧА И КОНЕЧНАЯ ПЕРЕДАЧА
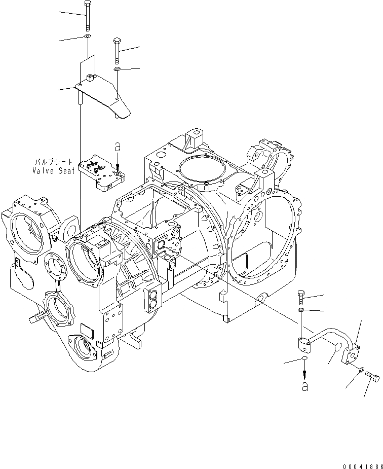
1
2
3
4
5
6
7
8
9
10
11
12
FIT
1:1
100%

Артикул

Название

Примечание

Количество

1

17A-13-46130

TUBE

SN: 80001-UP

1шт.

2

07000-73025

O-RING

SN: 80001-UP

1шт.

3

07000-73045

O-RING

SN: 80001-UP

1шт.

4

01010-81255

BOLT

SN: 80001-UP

2шт.

5

01643-31232

WASHER

SN: 80001-UP

2шт.

6

01010-81275

BOLT

SN: 80001-UP

2шт.

7

01643-31232

WASHER

SN: 80001-UP

2шт.

8

17A-13-46140

COVER

SN: 80001-UP

1шт.

9

01011-81070

BOLT

SN: 80001-UP

2шт.

10

01643-31032

WASHER

SN: 80001-UP

2шт.

11

01011-81040

BOLT

SN: 80001-UP

1шт.

12

01643-31032

WASHER

SN: 80001-UP

1шт.

Выбрано товаров: 12