Запчасти Komatsu D155AX-6 КОМПРЕССОР (ШЛАНГИ) (СПЕЦ-Я ДЛЯ СВАЛОК)(№8-) КОМПОНЕНТЫ ДВИГАТЕЛЯ

Схема запчастей Komatsu D155AX-6 - КОМПРЕССОР (ШЛАНГИ) (СПЕЦ-Я ДЛЯ СВАЛОК)(№8-) КОМПОНЕНТЫ ДВИГАТЕЛЯ
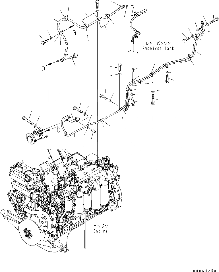
1
2
3
4
5
6
7
7
7
8
8
8
9
10
11
12
13
14
15
16
17
18
19
20
21
22
23
24
25
26
27
27
28
29
30
31
32
33
34
35
36
36
37
38
38
38
38
39
39
39
39
40
41
42
FIT
1:1
100%

Артикул

Название

Примечание

Количество

1

17A-911-4810

COMPRESSOR ASS'Y

SN: 80001-UP

1шт.

2

01010-80875

BOLT

SN: 80001-UP

4шт.

3

01643-30823

WASHER

SN: 80001-UP

4шт.

4

17A-911-4621

HOSE

SN: 80001-UP

1шт.

5

17A-911-4611

HOSE

SN: 80001-UP

1шт.

6

01435-00630

BOLT

SN: 80001-UP

1шт.

7

07095-20318

CUSHION

SN: 80001-UP

4шт.

8

04434-52512

CLIP

SN: 80001-UP

4шт.

9

195-979-3570

COLLAR

SN: 80386-UP

1шт.

9

175-61-17240

COLLAR

SN: 80001-80385

1шт.

10

01010-81290

BOLT

SN: 80386-UP

1шт.

10

01010-81280

BOLT

SN: 80001-80385

1шт.

11

01643-31232

WASHER

SN: 80001-UP

1шт.

12

01010-81225

BOLT

SN: 80001-UP

3шт.

13

01643-31232

WASHER

SN: 80001-UP

3шт.

14

195-Z11-7250

CLIP

SN: 80001-UP

1шт.

15

01010-81225

BOLT

SN: 80386-UP

1шт.

15

01010-81220

BOLT

SN: 80001-80385

1шт.

16

01643-31232

WASHER

SN: 80001-UP

1шт.

17

17A-911-4421

CLIP

SN: 80001-UP

1шт.

18

01010-81225

BOLT

SN: 80386-UP

1шт.

18

01010-81220

BOLT

SN: 80001-80385

1шт.

19

01643-31232

WASHER

SN: 80001-UP

1шт.

20

195-Z11-7250

CLIP

SN: 80001-UP

1шт.

21

175-40-22540

SPACER

SN: 80001-UP

1шт.

22

01010-81270

BOLT

SN: 80001-UP

1шт.

23

01643-31232

WASHER

SN: 80001-UP

1шт.

24

17A-911-4421

CLIP

SN: 80001-UP

1шт.

25

01010-81220

BOLT

SN: 80001-UP

1шт.

26

01643-31232

WASHER

SN: 80001-UP

1шт.

27

195-Z11-7250

CLIP

SN: 80001-UP

2шт.

28

01010-81225

BOLT

SN: 80386-UP

1шт.

28

01010-81220

BOLT

SN: 80001-80385

1шт.

29

01643-31232

WASHER

SN: 80001-UP

1шт.

30

195-Z11-7250

CLIP

SN: 80001-UP

1шт.

31

195-33-11220

SPACER

SN: 80001-UP

1шт.

32

01010-81250

BOLT

SN: 80001-UP

1шт.

33

01643-31232

WASHER

SN: 80001-UP

1шт.

34

08034-20519

BAND

SN: 80001-UP

2шт.

35

17A-911-4341

HOSE

SN: 80001-UP

1шт.

36

20Y-979-3130

O-RING

SN: 80001-UP

2шт.

37

01435-00630

BOLT

SN: 80001-UP

1шт.

38

04434-52711

CLIP

SN: 80001-UP

5шт.

39

07095-20420

CUSHION

SN: 80001-UP

5шт.

40

01010-81020

BOLT

SN: 80001-UP

1шт.

41

01643-31032

WASHER

SN: 80001-UP

1шт.

42

08034-20536

BAND

SN: 80001-UP

1шт.

Выбрано товаров: 47