Запчасти Komatsu SAA6D140E-5G-02 ВЫПУСКН. GAS RECIRCULATION КЛАПАН (/) (EGR КЛАПАН МАСЛ. ВОЗВРАТ. ТРУБЫ) (LANDFILL СПЕЦ-Я.)(№-) ДВИГАТЕЛЬ

Схема запчастей Komatsu SAA6D140E-5G-02 - ВЫПУСКН. GAS RECIRCULATION КЛАПАН (/) (EGR КЛАПАН МАСЛ. ВОЗВРАТ. ТРУБЫ) (LANDFILL СПЕЦ-Я.)(№-) ДВИГАТЕЛЬ
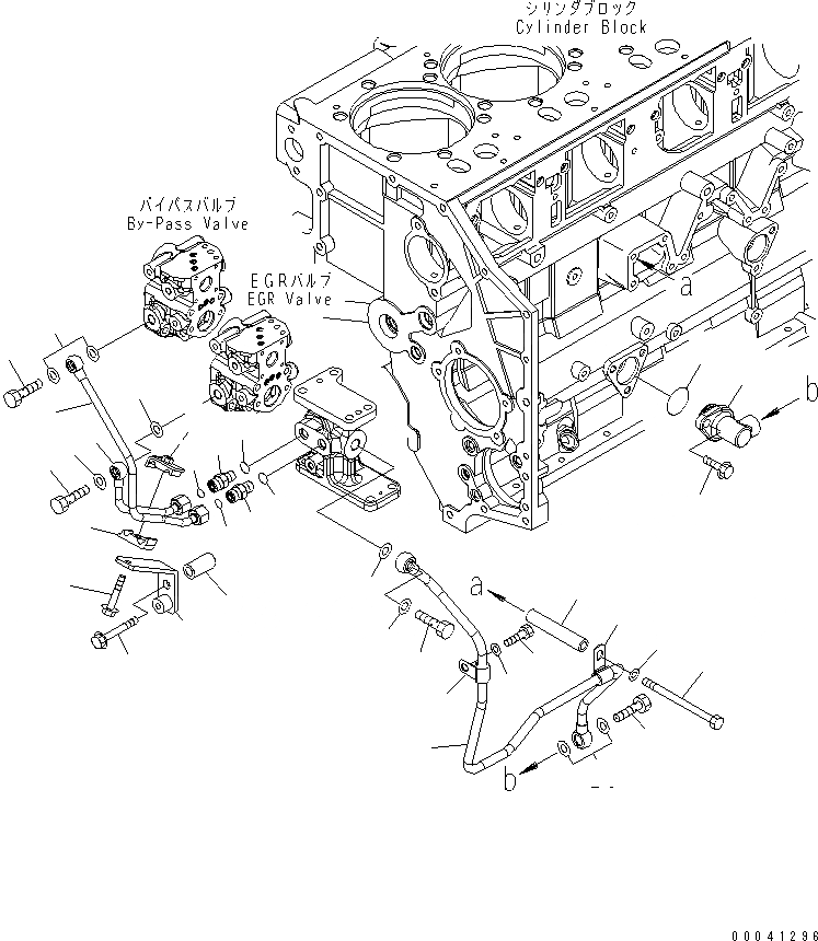
1
2
3
4
5
6
6
6
7
7
8
8
9
9
10
10
11
12
13
14
15
16
17
18
19
20
21
22
22
23
23
23
24
25
26
1
2
3
4
5
6
6
6
7
7
8
8
9
9
10
10
11
12
13
14
15
16
17
18
19
20
21
22
22
23
23
23
24
25
26
FIT
1:1
100%

Артикул

Название

Примечание

Количество

1

6166-75-6821

CLAMP

SN: 535887-UP

1шт.

1

6166-75-6820

CLAMP

SN: 532005-535886

1шт.

2

6261-51-9481

CLAMP

SN: 535887-UP

1шт.

2

6261-51-9480

CLAMP

SN: 532005-535886

1шт.

3

6261-51-9610

TUBE,BYPASS VALVE

SN: 532005-UP

1шт.

4

6261-51-9510

TUBE,MAIN VALVE

SN: 532005-UP

1шт.

5

01435-00840

BOLT

SN: 532005-UP

1шт.

6

07005-01412

SEAL, WASHER

SN: 532005-UP

4шт.

7

07206-31014

BOLT,JOINT

SN: 532005-UP

2шт.

8

02781-0031D

UNION

SN: 532005-UP

2шт.

9

02896-21009

O-RING

SN: 532005-UP

2шт.

10

07002-21423

O-RING

SN: 532005-UP

2шт.

11

6261-51-9630

BRACKET

SN: 532005-UP

1шт.

12

6206-11-4490

SPACER

SN: 532005-UP

1шт.

13

01435-01060

BOLT

SN: 532005-UP

1шт.

14

6261-51-9530

TUBE,RETURN

SN: 532005-UP

1шт.

15

600-051-6120

CLIP

SN: 532005-UP

1шт.

16

01010-81020

BOLT

SN: 532005-UP

1шт.

17

01643-31032

WASHER

SN: 532005-UP

1шт.

18

6162-63-8820

CLIP

SN: 532005-UP

1шт.

19

01011-81020

BOLT

SN: 532005-UP

1шт.

20

01643-31032

WASHER

SN: 532005-UP

1шт.

21

6217-11-9841

SPACER

SN: 532005-UP

1шт.

22

07206-31216

BOLT,JOINT

SN: 532005-UP

2шт.

23

07005-01612

SEAL, WASHER

SN: 532005-UP

4шт.

24

6261-51-9540

CONNECTOR

SN: 532005-UP

1шт.

25

07000-73034

O-RING

SN: 532005-UP

1шт.

26

01435-01025

BOLT

SN: 532005-UP

1шт.

1

6166-75-6821

CLAMP

SN: 535887-UP

1шт.

1

6166-75-6820

CLAMP

SN: 532005-535886

1шт.

2

6261-51-9481

CLAMP

SN: 535887-UP

1шт.

2

6261-51-9480

CLAMP

SN: 532005-535886

1шт.

3

6261-51-9610

TUBE,BYPASS VALVE

SN: 532005-UP

1шт.

4

6261-51-9510

TUBE,MAIN VALVE

SN: 532005-UP

1шт.

5

01435-00840

BOLT

SN: 532005-UP

1шт.

6

07005-01412

SEAL, WASHER

SN: 532005-UP

4шт.

7

07206-31014

BOLT,JOINT

SN: 532005-UP

2шт.

8

02781-0031D

UNION

SN: 532005-UP

2шт.

9

02896-21009

O-RING

SN: 532005-UP

2шт.

10

07002-21423

O-RING

SN: 532005-UP

2шт.

11

6261-51-9630

BRACKET

SN: 532005-UP

1шт.

12

6206-11-4490

SPACER

SN: 532005-UP

1шт.

13

01435-01060

BOLT

SN: 532005-UP

1шт.

14

6261-51-9530

TUBE,RETURN

SN: 532005-UP

1шт.

15

600-051-6120

CLIP

SN: 532005-UP

1шт.

16

01010-81020

BOLT

SN: 532005-UP

1шт.

17

01643-31032

WASHER

SN: 532005-UP

1шт.

18

6162-63-8820

CLIP

SN: 532005-UP

1шт.

19

01011-81020

BOLT

SN: 532005-UP

1шт.

20

01643-31032

WASHER

SN: 532005-UP

1шт.

21

6217-11-9841

SPACER

SN: 532005-UP

1шт.

22

07206-31216

BOLT,JOINT

SN: 532005-UP

2шт.

23

07005-01612

SEAL, WASHER

SN: 532005-UP

4шт.

24

6261-51-9540

CONNECTOR

SN: 532005-UP

1шт.

25

07000-73034

O-RING

SN: 532005-UP

1шт.

26

01435-01025

BOLT

SN: 532005-UP

1шт.

Выбрано товаров: 56