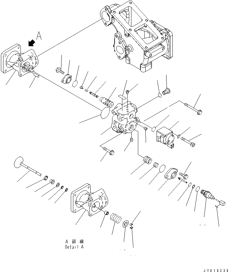
Запчасти Komatsu SAA6D140E-5G-02 ВЫПУСКН. GAS RECIRCULATION КЛАПАН (BYPASS КЛАПАН) (ВНУТР. ЧАСТИ)(№7-) ДВИГАТЕЛЬ

Схема запчастей Komatsu SAA6D140E-5G-02 - ВЫПУСКН. GAS RECIRCULATION КЛАПАН (BYPASS КЛАПАН) (ВНУТР. ЧАСТИ)(№7-) ДВИГАТЕЛЬ
1
2
3
4
5
6
7
8
9
10
11
11
12
13
14
15
16
17
18
18
18
19
20
21
22
23
24
25
26
27
28
29
30
31
32
33
34
35
36
37
38
39
40
41
42
43
1
2
3
4
5
6
7
8
9
10
11
11
12
13
14
15
16
17
18
18
18
19
20
21
22
23
24
25
26
27
28
29
30
31
32
33
34
35
36
37
38
39
40
41
42
43
FIT
1:1
100%

Артикул

Название

Примечание

Количество

|$2

6261-41-9500

VALVE ASS'Y

SN: 530056-UP

1шт.

1

6261-41-9510

VALVE ASS'Y

SN: 530056-UP

1шт.

2

6261-41-9520

CASE

SN: 530056-UP

1шт.

3

6261-41-4810

SEAL

SN: 530056-UP

1шт.

4

6261-41-4820

INSULATOR

SN: 530056-UP

1шт.

5

6261-41-4830

COVER

SN: 530056-UP

1шт.

6

6261-41-4840

PLATE

SN: 530056-UP

1шт.

7

6261-41-4851

RING

SN: 530056-UP

1шт.

8

6261-41-9660

VALVE

SN: 530056-UP

1шт.

9

6261-41-9610

SPRING

SN: 530056-UP

1шт.

10

6204-41-4510

SEAT

SN: 530056-UP

1шт.

11

6204-41-4520

COTTER

SN: 530056-UP

2шт.

12

6204-41-4541

SEAL

SN: 530056-UP

1шт.

|$15

6261-41-9530

CASE ASS'Y

SN: 530056-UP

1шт.

13

6261-41-9540

CASE

SN: 530056-UP

1шт.

14

6553-51-2110

BUSHING

SN: 530056-UP

1шт.

15

6553-51-2820

SEAT, 5.0MM

SN: 530056-UP

1шт.

16

6553-51-3110

SPOOL

SN: 530056-UP

1шт.

17

6553-51-3511

SPRING

SN: 530056-UP

1шт.

18

708-21-12541

PLUG

SN: 530056-UP

7шт.

19

04020-00514

PIN,DOWEL

SN: 530056-UP

2шт.

20

6261-41-9640

FILTER

SN: 530056-UP

1шт.

21

07002-61823

O-RING

SN: 530056-UP

1шт.

22

6261-41-4960

COVER

SN: 530056-UP

1шт.

23

07000-E2025

O-RING

SN: 530056-UP

1шт.

24

01435-00612

BOLT

SN: 530056-UP

2шт.

25

07000-E2055

O-RING

SN: 530056-UP

1шт.

26

01435-00895

BOLT

SN: 530056-UP

2шт.

27

01435-00845

BOLT

SN: 530056-UP

2шт.

28

6261-41-9580

PISTON

SN: 530056-UP

1шт.

29

6261-41-9620

SPRING

SN: 530056-UP

1шт.

30

6261-41-9550

COVER

SN: 530056-UP

1шт.

31

07000-A2035

O-RING

SN: 530056-UP

1шт.

32

01435-00820

BOLT

SN: 530056-UP

2шт.

|$36

729-12-11001

SENSOR ASS'Y

SN: 530056-UP

1шт.

33

729-12-11100

SENSOR ASS'Y

SN: 530056-UP

1шт.

34

729-12-11201

CORE ASS'Y

SN: 530056-UP

1шт.

35

729-11-11180

PLATE

SN: 530056-UP

1шт.

36

07000-B2012

O-RING

SN: 530056-UP

1шт.

37

07001-02012

RING,BACK UP

SN: 530056-UP

1шт.

38

07002-62034

O-RING

SN: 530056-UP

1шт.

39

6261-41-9590

SOLENOID ASS'Y

SN: 530056-UP

1шт.

40

07000-A2016

O-RING

SN: 530056-UP

1шт.

41

6553-81-7110

BOLT

SN: 530056-UP

4шт.

42

01643-30623

WASHER

SN: 530056-UP

4шт.

43

6261-41-9690

PLATE

SN: 530056-UP

1шт.

|$2

6261-41-9500

VALVE ASS'Y

SN: 530056-UP

1шт.

1

6261-41-9510

VALVE ASS'Y

SN: 530056-UP

1шт.

2

6261-41-9520

CASE

SN: 530056-UP

1шт.

3

6261-41-4810

SEAL

SN: 530056-UP

1шт.

4

6261-41-4820

INSULATOR

SN: 530056-UP

1шт.

5

6261-41-4830

COVER

SN: 530056-UP

1шт.

6

6261-41-4840

PLATE

SN: 530056-UP

1шт.

7

6261-41-4851

RING

SN: 530056-UP

1шт.

8

6261-41-9660

VALVE

SN: 530056-UP

1шт.

9

6261-41-9610

SPRING

SN: 530056-UP

1шт.

10

6204-41-4510

SEAT

SN: 530056-UP

1шт.

11

6204-41-4520

COTTER

SN: 530056-UP

2шт.

12

6204-41-4541

SEAL

SN: 530056-UP

1шт.

|$15

6261-41-9530

CASE ASS'Y

SN: 530056-UP

1шт.

13

6261-41-9540

CASE

SN: 530056-UP

1шт.

14

6553-51-2110

BUSHING

SN: 530056-UP

1шт.

15

6553-51-2820

SEAT, 5.0MM

SN: 530056-UP

1шт.

16

6553-51-3110

SPOOL

SN: 530056-UP

1шт.

17

6553-51-3511

SPRING

SN: 530056-UP

1шт.

18

708-21-12541

PLUG

SN: 530056-UP

7шт.

19

04020-00514

PIN,DOWEL

SN: 530056-UP

2шт.

20

6261-41-9640

FILTER

SN: 530056-UP

1шт.

21

07002-61823

O-RING

SN: 530056-UP

1шт.

22

6261-41-4960

COVER

SN: 530056-UP

1шт.

23

07000-E2025

O-RING

SN: 530056-UP

1шт.

24

01435-00612

BOLT

SN: 530056-UP

2шт.

25

07000-E2055

O-RING

SN: 530056-UP

1шт.

26

01435-00895

BOLT

SN: 530056-UP

2шт.

27

01435-00845

BOLT

SN: 530056-UP

2шт.

28

6261-41-9580

PISTON

SN: 530056-UP

1шт.

29

6261-41-9620

SPRING

SN: 530056-UP

1шт.

30

6261-41-9550

COVER

SN: 530056-UP

1шт.

31

07000-A2035

O-RING

SN: 530056-UP

1шт.

32

01435-00820

BOLT

SN: 530056-UP

2шт.

|$36

729-12-11001

SENSOR ASS'Y

SN: 530056-UP

1шт.

33

729-12-11100

SENSOR ASS'Y

SN: 530056-UP

1шт.

34

729-12-11201

CORE ASS'Y

SN: 530056-UP

1шт.

35

729-11-11180

PLATE

SN: 530056-UP

1шт.

36

07000-B2012

O-RING

SN: 530056-UP

1шт.

37

07001-02012

RING,BACK UP

SN: 530056-UP

1шт.

38

07002-62034

O-RING

SN: 530056-UP

1шт.

39

6261-41-9590

SOLENOID ASS'Y

SN: 530056-UP

1шт.

40

07000-A2016

O-RING

SN: 530056-UP

1шт.

41

6553-81-7110

BOLT

SN: 530056-UP

4шт.

42

01643-30623

WASHER

SN: 530056-UP

4шт.

43

6261-41-9690

PLATE

SN: 530056-UP

1шт.

Выбрано товаров: 92